| |
Выбрать другую модель
вернуться к списку узлов и деталей ДЕТАЛИРОВКА ДЛЯ МОДЕЛИ: SKIDOO Grand Touring 600, 2000
Раздел: Ignition | Ignition
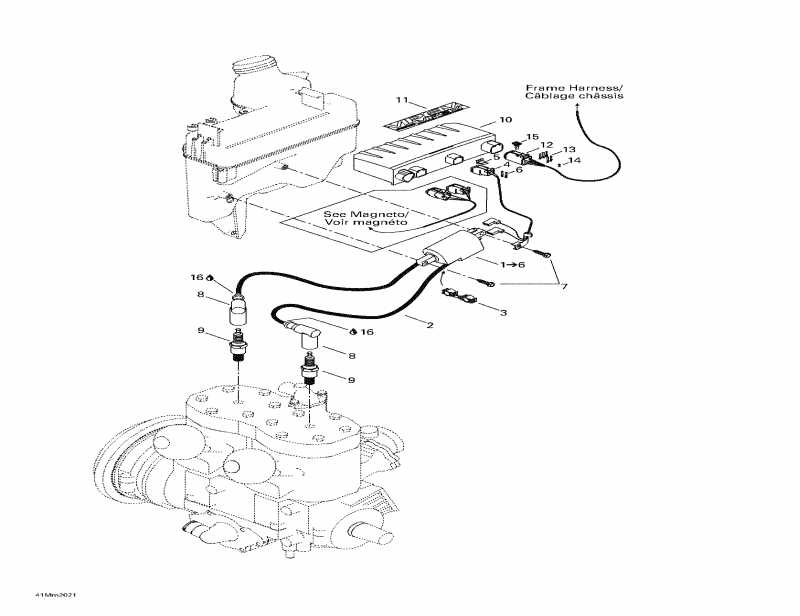
Номер на рисунке | Артикул | Наименование | Кол-во на складе | Цена |
| 1 | 512059039 | Катушка зажигания. Includes 1 - 6. (Ignition Coil. Includes 1 - 6.) | под заказ | 7360 руб. |
| 1 | 5348142 | IGNITION COIL ASSY | под заказ | 5980 руб. |
| 2 | 278001268 | Свеча зажигания Провод (Spark Plug Wire) | под заказ | по запросу |
| 2 | 420965521 | CABLE ALLUMAGE *CABLE-IGNITION | под заказ | по запросу |
| 3 | 410914600 | пластиковый Зажим (Plastic Clip) | под заказ | 572 руб. |
| 4 | 409207300 | Female Клемма Корпус (2 circuits) (Female Terminal Housing (2 circuits)) | под заказ | 859 руб. |
| 5 | 409207100 | Female Lock (2 circuits) (Female Lock (2 circuits)) | под заказ | 428 руб. |
| 6 | 278000632 | Female Клемма (Female Terminal) | под заказ | 284 руб. |
| 7 | 250000005 | Hex. Саморез (Hex. Tapping Screw) | под заказ | по запросу |
| 8 | 278000237 | Свеча зажигания Защита (Spark Plug Protector) | под заказ | 1580 руб. |
| 8 | 420866708 | PROT.BOUGIE *PROT-SPARK PLU | под заказ | 1230 руб. |
| 9 | 414961100 | Свеча зажигания (NGK BR9ES) (Spark Plug (NGK BR9ES)) | под заказ | 166 руб. |
| 9 | 414567000 | BOUGIE BR9ES *PLUG-SPARK | под заказ | 170 руб. |
| 10 | 515175380 | Calibration Module (Calibration Module) | под заказ | 34800 руб. |
| 11 | 516000245 | Электрика Box Наклейка (Electrical Box Decal) | под заказ | 410 руб. |
| 12 | 278000736 | Female Клемма Корпус (6 circuits) (Female Terminal Housing (6 circuits)) | под заказ | 1590 руб. |
| 13 | 278000632 | Female Клемма (Female Terminal) | под заказ | 284 руб. |
| 14 | 293000052 | Заглушка (Plug) | под заказ | 284 руб. |
| 15 | 278000737 | (Female) Secondary Lock (6 Circuits) (Deutsch) ((Female) Secondary Lock (6 Circuits) (Deutsch)) | под заказ | 284 руб. |
| 15 | 278001666 | WEDGE-6 WAYS M | под заказ | 230 руб. |
| 16 | 293550004 | Dielectric Смазка, 150 g (Dielectric Grease, 150 g) | под заказ | 4740 руб. |
| 16 | 747018002 | GRAISSE *GREASE | под заказ | 3710 руб. |

Время выполнения запроса 0.68020105361938 сек.
|
|