вконтакте

Контактный телефон: +7 (981) 121-46-93, +7 (800) 200-90-76 , Email: parts-katalog@yandex.ru, где купить

 
 

  Логин:

Пароль:

Регистрация

www.partskatalog.ru Все каталоги Запчасти Mercury Запчасти Suzuki Запчасти Tohatsu Запчасти Honda Контакты



УВАЖАЕМЫЕ КЛИЕНТЫ!
C 19 ДЕКАБРЯ 2025 ПО 02 МАРТА 2026 ГОДА ОТДЕЛ ЗАПЧАСТЕЙ И СЕРВИС РАБОТАТЬ НЕ БУДУТ
ПРОДАЖА ЛОДОЧНЫХ МОТОРОВ В ШТАТНОМ РЕЖИМЕ
ОБ ИЗМЕНЕНИЯХ В ГРАФИКЕ РАБОТЫ ЧИТАЙТЕ НА САЙТА




Выбрать другую модель

назад Раздел:   вперёд

вернуться к списку узлов и деталей

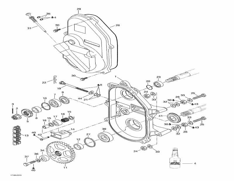
ДЕТАЛИРОВКА ДЛЯ МОДЕЛИ: SKIDOO Formula III 800, 2000

Раздел: Цепьcase | Chaincase


снегоход BRP - Цепьcase

Номер на
рисунке
АртикулНаименованиеКол-во
на складе
Цена
1 504146600

Цепьcase (Chaincase)

под заказпо запросу
2 250000012

Castellated Гайка M20 (Castellated Nut M20)

под заказ572 руб.
2 732610012

NUT-HEX.CASTLE

под заказ450 руб.
3 371006300

Шплинт (Cotter Pin)

под заказ138 руб.
4 413803300

Synth. Цепьcase Oil (12 x 355 ml) (Synth. Chaincase Oil (12 x 355 ml))

под заказ1860 руб.
4 619590098

XPS synthetic Chaincase Oil 350ml (293600138) x 16

под заказ1040 руб.
5 504084300

Цепное колесо ЗВЕЗДОЧКА (25 Tooth, Large) дляmula III 700 R. (Sprocket (25 Tooth, Large). Formula III 700 R.)

под заказ6860 руб.
504085300

Цепное колесо ЗВЕЗДОЧКА (26 Tooth, Large) дляmula III 800. (Sprocket (26 Tooth, Large). Formula III 800.)

под заказ4770 руб.
6 504147200

Регулировочная шайба (Shim)

под заказ1730 руб.
7 405404400

Шариковый подшипник 6205 (Ball Bearing 6205)

под заказ1260 руб.
7 504152006

ROULEMENT BILLE*BEARING-BALL

под заказ1370 руб.
7 SM-03168

     (не оригинальная запчасть) Комплект подшипников BRP SM-03168

под заказ2 050 руб.
7 SM-03209

     (не оригинальная запчасть) Ремкомплект трансмиссии снегохода BRP SM-03209

под заказ2 710 руб.
8 219700417

Synthetic Смазка, 400g (Synthetic Grease, 400g)

под заказ7860 руб.
8 293550033

SYNTHETIC GREASE 10X14OZ (1шт=1кор=10 туб)

под заказ10050 руб.
9 415049300

Сальник (Seal)

под заказ978 руб.
9 SM-03047

     (не оригинальная запчасть) Сальник КПП (верхний) BRP SM-03047

под заказ390 руб.
9 SM-03168

     (не оригинальная запчасть) Комплект подшипников BRP SM-03168

под заказ2 050 руб.
10371901700

Стопорное кольцо (Interior) (Circlip (Interior))

под заказ572 руб.
11504148500

Цепное колесо ЗВЕЗДОЧКА Large (43 Tooth) (Sprocket Large (43 Tooth))

под заказ11030 руб.
12501021800

Inner Регулировочная шайба (Inner Shim)

под заказ1030 руб.
13504151830

Drive Цепь Large (72 Соединительs) (Drive Chain Large (72 Links))

под заказ9570 руб.
13412106700

CHAINE LARGE *CHAIN-DRIV.L.

под заказ7200 руб.
14504081000

Цепь Tensioner (Chain Tensioner)

под заказ2450 руб.
15504080300

Шайба (Washer)

под заказ215 руб.
16405403000

Игольчатый подшипник (Needle Bearing)

под заказ2070 руб.
16SM-03362

     (не оригинальная запчасть) Ролик натяжителя приводной цепи BRP SM-03362

под заказ3 060 руб.
17414531300

Ролик (Roller)

под заказ3850 руб.
17SM-03362

     (не оригинальная запчасть) Ролик натяжителя приводной цепи BRP SM-03362

под заказ3 060 руб.
18504080200

Проставка (Spacer)

под заказ681 руб.
18SM-03362

     (не оригинальная запчасть) Ролик натяжителя приводной цепи BRP SM-03362

под заказ3 060 руб.
19732601311

Регулировочный винт (Adjusting Screw)

под заказ1280 руб.
20414876700

Уплотнительное кольцо (O-Ring)

под заказ378 руб.
20SM-03168

     (не оригинальная запчасть) Комплект подшипников BRP SM-03168

под заказ2 050 руб.
21414484400

Уплотнительное кольцо (O-Ring)

под заказ529 руб.
21414274400

JOINT TORIQUE *RING-O

под заказ230 руб.
22414575600

Hair Штифт (Hair Pin)

под заказ191 руб.
22414119600

GOUP.SURETE *PIN-HAIR

под заказ150 руб.
23507031500

Проставка (Spacer)

под заказ853 руб.
24233601416

Elastic Locking Гайка M10 (Elastic Locking Nut M10)

под заказ284 руб.
24228501045

NUT-LOCKING ELASTIC DIN.982

под заказпо запросу
25207107544

Шестигранный винт M10 x 75 (Hex. Screw M10 x 75)

под заказ487 руб.
25732601003

SCREW-HEX.CAP ISO.4017

под заказ450 руб.
26504083800

Проставка (Spacer)

под заказ512 руб.
27414784900

Стопорное кольцо (Interior) (Circlip (Interior))

под заказ326 руб.
28414362300

Уплотнительное кольцо (O-Ring)

под заказ718 руб.
29080039500

Цепьcase Крышка (Chaincase Cover)

под заказ10330 руб.
30210263080

Шестигранный винт M6 x 30 (Hex. Screw M6 x 30)

под заказ242 руб.
30732600004

SCREW-FORMING HEX.HD.FL.GM6174

под заказ230 руб.
31572092700

Filler Колпачок (Filler Cap)

под заказ1260 руб.
31572075500

BOUCHON REMP.AS*CAP-FILLER ASS

под заказ990 руб.
32504073700

Шайба (Washer)

под заказ199 руб.
33503183800

Шайба 10 mm (Washer 10 mm)

под заказ284 руб.
34501022400

Колпачок (Cap)

под заказ727 руб.
35414969400

Уплотнительное кольцо (O-Ring)

под заказ601 руб.
36234100602

Шайба с блокировкой 10 mm (Lock Washer 10 mm)

под заказ284 руб.
36224701188

WASHER-LOCK SPRING DIN.128A-A2

под заказ230 руб.
37207102544

Шестигранный винт M10 x 25 (Hex. Screw M10 x 25)

под заказ284 руб.
37420440241

SCREW-M10 X25

под заказ230 руб.
38293800060

Loctite 243, 10 ml (Loctite 243, 10 ml)

под заказ2150 руб.
38420897651

LOCTITE-243

под заказпо запросу
39405403900

Шариковый подшипник 6206 (Ball Bearing 6206)

под заказ1780 руб.
39504152010

ROULEMENT BILLE*BEARING-BALL

под заказ1930 руб.
40293800005

Loctite 271, 10 ml (Loctite 271, 10 ml)

под заказ2150 руб.
40747020000

LOCTITE 271 *LOCTITE-271

под заказ1680 руб.
41581056500

Сальник в сборе (Oil Seal Assy)

под заказ732 руб.
41504151925

ANNEAU ETAN.ASS*SEAL-OIL ASSY.

под заказ1120 руб.
42732601144

Винт (Screw)

под заказ2230 руб.
43293800023

Loctite 767, Antiseize Lubricant, 454gr (Loctite 767, Antiseize Lubricant, 454gr)

под заказ1910 руб.
43293800070

loctite 767

под заказ2440 руб.
44234001410

плоский Шайба M10 (Flat Washer M10)

под заказ284 руб.
44224001211

WASHER-FLAT DIN.125A

под заказ230 руб.
ski-doo

Время выполнения запроса 1.1635930538177 сек.


 
 

данный сайт носит информационный характер и не является публичной офертой

склад запчастей для водомоторной техники