вконтакте

Контактный телефон: +7 (981) 121-46-93, +7 (800) 200-90-76 , Email: parts-katalog@yandex.ru, где купить

 
 

  Логин:

Пароль:

Регистрация

www.partskatalog.ru Все каталоги Запчасти Mercury Запчасти Suzuki Запчасти Tohatsu Запчасти Honda Контакты



УВАЖАЕМЫЕ КЛИЕНТЫ!
C 19 ДЕКАБРЯ 2025 ПО 02 МАРТА 2026 ГОДА ОТДЕЛ ЗАПЧАСТЕЙ И СЕРВИС РАБОТАТЬ НЕ БУДУТ
ПРОДАЖА ЛОДОЧНЫХ МОТОРОВ В ШТАТНОМ РЕЖИМЕ
ОБ ИЗМЕНЕНИЯХ В ГРАФИКЕ РАБОТЫ ЧИТАЙТЕ НА САЙТА




Выбрать другую модель

назад Раздел:   вперёд

вернуться к списку узлов и деталей

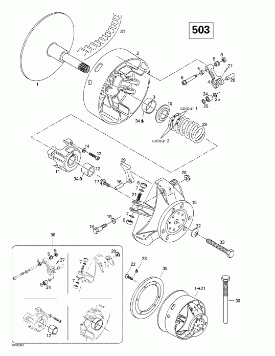
ДЕТАЛИРОВКА ДЛЯ МОДЕЛИ: SKIDOO Formula Deluxe 380/500, 2000

Раздел: Шкив привода (503) | Drive Pulley (503)


Formula Deluxe 380/500, 2000 - Drive Pulley (503)

Номер на
рисунке
АртикулНаименованиеКол-во
на складе
Цена
1 417222284

Шкив привода в сборе. Includes 1 - 21. дляmula DLX 500. (Drive Pulley Assy. Includes 1 - 21. Formula DLX 500.)

под заказпо запросу
1 417222071

Fixe Фланец. дляmula DLX 500. (Fixe Flange. Formula DLX 500.)

под заказ29400 руб.
1 417222412

FLANGE - FIX

под заказ32000 руб.
2 417222049

Sliding Фланец в сборе. Includes 2 - 3. дляmula DLX 500. (Sliding Flange Assy. Includes 2 - 3. Formula DLX 500.)

под заказ24900 руб.
2 417222241

FLASQUE COUL.AS*FLANGE-SLID.AS

под заказ27200 руб.
3 417004201

Втулка Outer Half. дляmula DLX 500. (Bushing Outer Half. Formula DLX 500.)

под заказ2000 руб.
3 414004201

BUSHING OUTER HALF

под заказ1840 руб.
3 SM-03104A

     (не оригинальная запчасть) Втулка вариатора BRP SM-03104A

под заказ2 240 руб.
4 417003801

Рычаг в сборе. Includes 4 - 5. дляmula DLX 500. (Lever Assy. Includes 4 - 5. Formula DLX 500.)

под заказпо запросу
4 860421500

ENS.LEVIER *KIT-LEVER

под заказпо запросу
5 417004305

Фланец Втулка. дляmula DLX 500. (Flange Bushing. Formula DLX 500.)

под заказ689 руб.
5 433195

FLANGED BUSHING

под заказ970 руб.
5 SM-03104C-1

     (не оригинальная запчасть) Комплект втулок вариатора BRP SM-03104C-1

под заказ860 руб.
6 417004800

Fitting Винт. дляmula DLX 500. (Fitting Screw. Formula DLX 500.)

под заказ2310 руб.
6 440165

KIINNITYSPULTTI TAYD.

под заказ1800 руб.
7 732401030

Уплотнительное кольцо. дляmula DLX 500. (O-Ring. Formula DLX 500.)

под заказ170 руб.
7 430730

O-RING

под заказ160 руб.
7 SM-03252

     (не оригинальная запчасть) Ремкомплект ведущего вариатора BRP SM-03252

под заказ7 740 руб.
8 417005800

Slider Shoe. дляmula DLX 500. (Slider Shoe. Formula DLX 500.)

под заказ560 руб.
8 417223021

Slider Shoe Pulley System

под заказ860 руб.
8 03-152T

     (не оригинальная запчасть) Комплект слайдеров ведущего вариатора (6 шт) BRP 03-152T

под заказ1 160 руб.
8 SM-03252

     (не оригинальная запчасть) Ремкомплект ведущего вариатора BRP SM-03252

под заказ7 740 руб.
9 232561414

Эластичная гайка со стопором M6. дляmula DLX 500. (Elastic Stop Nut M6. Formula DLX 500.)

под заказ130 руб.
9 420842040

NUT-STOP ELASTIC DIN.985

под заказ110 руб.
10417222044

Пружина Седло. дляmula DLX 500. (Spring Seat. Formula DLX 500.)

под заказпо запросу
10420427397

SIEGE RESSORT *SEAT-SPRING

под заказпо запросу
11417222157

Крышка пружины в сборе. Includes 11 - 12. дляmula DLX 500. (Spring Cover Assy. Includes 11 - 12. Formula DLX 500.)

под заказ6130 руб.
11417222304

COUV.RESSORT AS*COVER-SPRING ASSY

под заказ6680 руб.
12417004501

Втулка Крышка пружины. дляmula DLX 500. (Bushing Spring Cover. Formula DLX 500.)

под заказ1930 руб.
12433185

BUSHING

под заказ1840 руб.
13205064086

Socket Head Винт M6 x 40. дляmula DLX 500. (Socket Head Screw M6 x 40. Formula DLX 500.)

под заказ572 руб.
13420440561

SCREW-ALLEN M6 X 40

под заказ280 руб.
14420245370

Friction-Шайба 6 mm. дляmula DLX 500. (Friction-Washer 6 mm. Formula DLX 500.)

под заказ72 руб.
14245370

KITKALEVY(USE 420245370)

под заказ60 руб.
15417222081

Governor Cвыше. дляmula DLX 500. (Governor Cup. Formula DLX 500.)

под заказ41900 руб.
15420480399

COUPOLE CENTRIF*CUP-CENT.GOV.

под заказ32700 руб.
16732804009

Dowel Трубка M8 x 24. дляmula DLX 500. (Dowel Tube M8 x 24. Formula DLX 500.)

под заказ242 руб.
16429150

DOWEL PIN

под заказ230 руб.
17210361890

Hex. Locking Винт M6 x 18. дляmula DLX 500. (Hex. Locking Screw M6 x 18. Formula DLX 500.)

под заказ859 руб.
17732601249

SCREW-FORMING HEX.HD.BLACK OXI

под заказ680 руб.
18417005500

Calibration Винт. дляmula DLX 500. (Calibration Screw. Formula DLX 500.)

под заказ2200 руб.
18417222955

VIS CALIBRATION*SCREW-CALIB.

под заказ2780 руб.
19417005600

Шайба. дляmula DLX 500. (Washer. Formula DLX 500.)

под заказ428 руб.
20233061414

Elastic Фланецd Stop Гайка M6. дляmula DLX 500. (Elastic Flanged Stop Nut M6. Formula DLX 500.)

под заказ284 руб.
20442110

LOCKING NUT (USE 233061414)

под заказ230 руб.
21417005700

Пружина. дляmula DLX 500. (Spring. Formula DLX 500.)

под заказ308 руб.
21438100

SPRING (USE 417005700)

под заказ170 руб.
22236281684

Винт M8 x 16. дляmula DLX 500. (Screw M8 x 16. Formula DLX 500.)

под заказ1150 руб.
22732601246

SCREW-FORMING BN.HD.TORX

под заказ900 руб.
23293800005

Loctite 271, 10ml. дляmula DLX 500. (Loctite 271, 10ml. Formula DLX 500.)

под заказ2150 руб.
23747020000

LOCTITE 271 *LOCTITE-271

под заказ1680 руб.
24417003900

Ролик. дляmula DLX 500. (Roller. Formula DLX 500.)

под заказпо запросу
24429132

ROLLER ASSY (USE 417003900)

под заказпо запросу
24SM-03250D

     (не оригинальная запчасть) Комплект втулок вариатора (3 шт) BRP SM-03250D

под заказ5 280 руб.
24SM-03252

     (не оригинальная запчасть) Ремкомплект ведущего вариатора BRP SM-03252

под заказ7 740 руб.
25417004302

Упорная шайба. дляmula DLX 500. (Thrust Washer. Formula DLX 500.)

под заказ500 руб.
25427400

SHIM

под заказ400 руб.
26417004309

Штифт. дляmula DLX 500. (Pin. Formula DLX 500.)

под заказ1930 руб.
26420429140

GOUPILLE *PIN

под заказпо запросу
27732958001

Шплинт. дляmula DLX 500. (Cotter Pin. Formula DLX 500.)

под заказ61 руб.
27420245210

GOUPILLE FENDUE*PIN-COTTER

под заказ60 руб.
28414993000

Пружина (жёлтый / красный) дляmula DLX 500. (Spring (yellow/Red). Formula DLX 500.)

под заказ4640 руб.
29417005291X

Ramp 291 X. дляmula DLX 500. (Ramp 291 X. Formula DLX 500.)

под заказ2390 руб.
30529007900

Съёмник Inner Half. дляmula DLX 500. (Puller Inner Half. Formula DLX 500.)

под заказ6240 руб.
30476030

PULLER SCREW (USE 529007900)

под заказ4110 руб.
31415060600

Приводной ремень. дляmula DLX 500. (Drive Belt. Formula DLX 500.)

под заказ3970 руб.
31417300064

COURROIE ENTR. *BELT-DRIVE

под заказ4080 руб.
31138-4332U4

     (не оригинальная запчасть) Ремень вариатора Arctic Cat/BRP 138-4332U4

под заказ9 440 руб.
3139G4266

     (не оригинальная запчасть) Ремень вариатора для снегохода BRP 39G4266

под заказ9 430 руб.
32234221414

Коническая пружинная шайба. дляmula DLX 500. (Conical Spring Washer. Formula DLX 500.)

под заказ1350 руб.
32250200005

WASHER-SPRING CONICAL

под заказ1720 руб.
33417113800

Винт. дляmula DLX 500. (Screw. Formula DLX 500.)

под заказ1210 руб.
34413703100

Loctite 609, 10 c.c. дляmula DLX 500. (Loctite 609, 10 c.c. Formula DLX 500.)

под заказ2150 руб.
35417009400

Кольцо Шестерня (86 Tooth) дляmula DLX 500. (Ring Gear (86 Tooth). Formula DLX 500.)

под заказ10040 руб.
35417222860

COUR.LANCEMENT *GEAR-RING

под заказ12840 руб.
36417006100

Сцепление Ремонтный комплект. дляmula DLX 500. (Clutch Repair Kit. Formula DLX 500.)

под заказ14220 руб.
36417011008

ENS.REP.EMB. *KIT-CLUTCH REP

под заказ21500 руб.
ski-doo

Время выполнения запроса 2.9766068458557 сек.


 
 

данный сайт носит информационный характер и не является публичной офертой

склад запчастей для водомоторной техники