| |
Выбрать другую модель
вернуться к списку узлов и деталей ДЕТАЛИРОВКА ДЛЯ МОДЕЛИ: SKIDOO MX Z 500/600/700, 2001
Раздел: Ignition | Ignition
Номер на рисунке | Артикул | Наименование | Кол-во на складе | Цена |
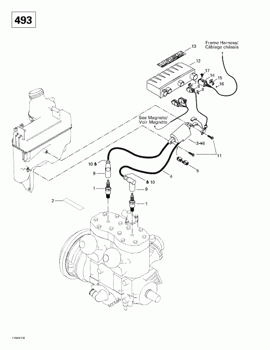
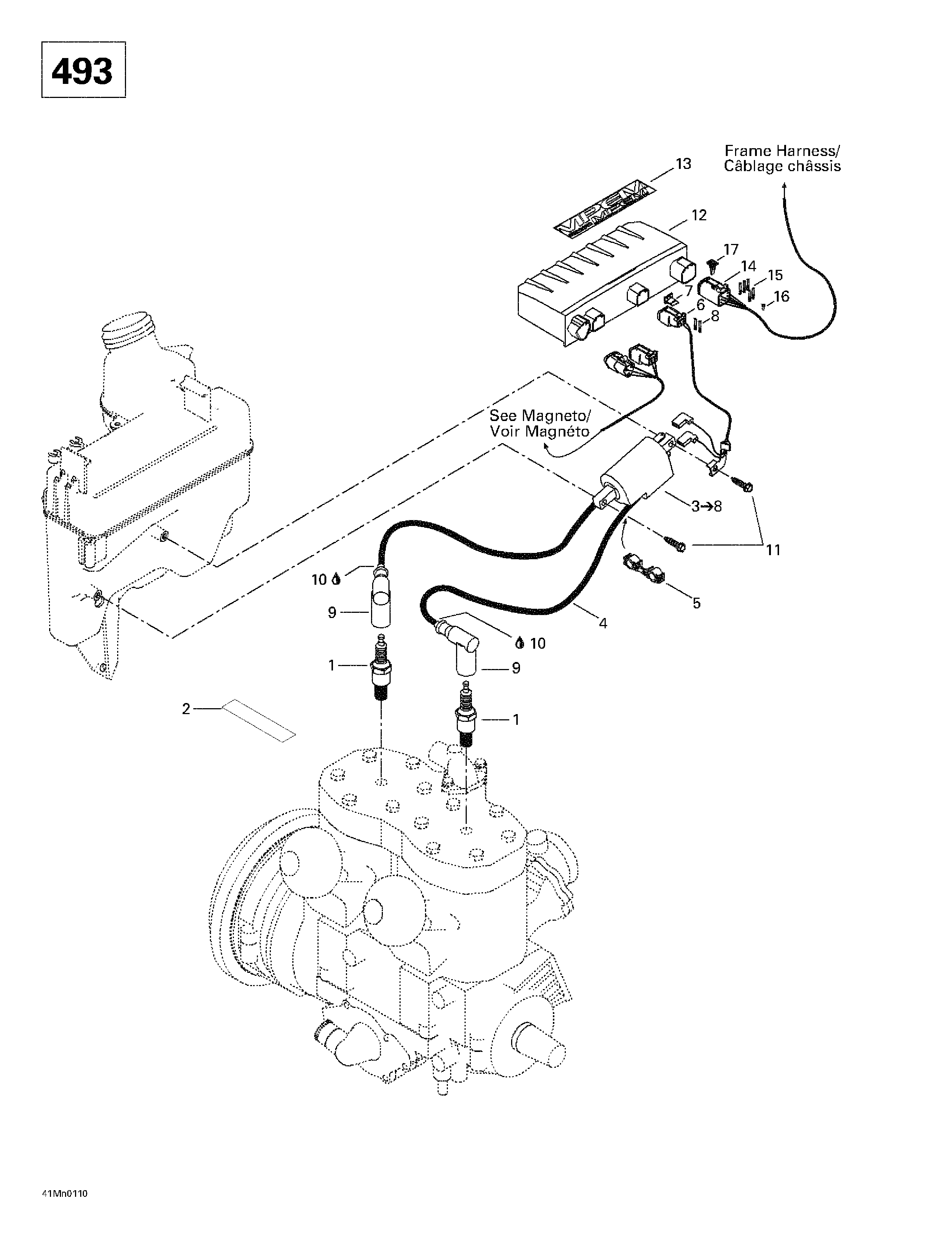
| 1 | 414961100 | Свеча зажигания (NGK BR9ES) MX-Z 500. (Spark Plug (NGK BR9ES). MX-Z 500.) | под заказ | 166 руб. |
| 1 | 414567000 | BOUGIE BR9ES *PLUG-SPARK | под заказ | 170 руб. |
| 2 | 516000986 | Наклейка - свеча зажигания. MX-Z 500. (Spark plug Decal. MX-Z 500.) | под заказ | 333 руб. |
| 3 | 512059039 | Катушка зажигания. Includes 3 - 8. MX-Z 500. (Ignition Coil. Includes 3 - 8. MX-Z 500.) | под заказ | 7360 руб. |
| 3 | 5348142 | IGNITION COIL ASSY | под заказ | 5980 руб. |
| 4 | 278001268 | Свеча зажигания Провод. MX-Z 500. (Spark Plug Wire. MX-Z 500.) | под заказ | по запросу |
| 4 | 420965521 | CABLE ALLUMAGE *CABLE-IGNITION | под заказ | по запросу |
| 5 | 410914600 | пластиковый Зажим. MX-Z 500. (Plastic Clip. MX-Z 500.) | под заказ | 572 руб. |
| 6 | 409207300 | Female Клемма Корпус (2 circuits) MX-Z 500. (Female Terminal Housing (2 circuits). MX-Z 500.) | под заказ | 859 руб. |
| 7 | 409207100 | Female Lock (2 circuits) MX-Z 500. (Female Lock (2 circuits). MX-Z 500.) | под заказ | 428 руб. |
| 8 | 278000632 | Female Клемма. MX-Z 500. (Female Terminal. MX-Z 500.) | под заказ | 284 руб. |
| 9 | 278000237 | Свеча зажигания Защита MX-Z 500. (Spark Plug Protector. MX-Z 500.) | под заказ | 1580 руб. |
| 9 | 420866708 | PROT.BOUGIE *PROT-SPARK PLU | под заказ | 1230 руб. |
| 10 | 293550004 | Dielectric Смазка, 150 g. MX-Z 500. (Dielectric Grease, 150 g. MX-Z 500.) | под заказ | 4740 руб. |
| 10 | 747018002 | GRAISSE *GREASE | под заказ | 3710 руб. |
| 11 | 250000005 | Hex. Саморез. MX-Z 500. (Hex. Tapping Screw. MX-Z 500.) | под заказ | по запросу |
| 12 | 515175380 | Calibration Module. MX-Z 500. (Calibration Module. MX-Z 500.) | под заказ | 34800 руб. |
| 13 | 516000245 | Электрика Box Наклейка. MX-Z 500. (Electrical Box Decal. MX-Z 500.) | под заказ | 410 руб. |
| 14 | 278000736 | Female Клемма Корпус (6 circuits) MX-Z 500. (Female Terminal Housing (6 circuits). MX-Z 500.) | под заказ | 1590 руб. |
| 15 | 278000632 | Female Клемма. MX-Z 500. (Female Terminal. MX-Z 500.) | под заказ | 284 руб. |
| 16 | 293000052 | Заглушка. MX-Z 500. (Plug. MX-Z 500.) | под заказ | 284 руб. |
| 17 | 278000737 | (Female) Secondary Lock (6 Circuits) (Deutsch) MX-Z 500. ((Female) Secondary Lock (6 Circuits) (Deutsch). MX-Z 500.) | под заказ | 284 руб. |
| 17 | 278001666 | WEDGE-6 WAYS M | под заказ | 230 руб. |

Время выполнения запроса 0.44868302345276 сек.
|
|