вконтакте

Контактный телефон: +7 (981) 121-46-93, +7 (800) 200-90-76 , Email: parts-katalog@yandex.ru, где купить

 
 

  Логин:

Пароль:

Регистрация

www.partskatalog.ru Все каталоги Запчасти Mercury Запчасти Suzuki Запчасти Tohatsu Запчасти Honda Контакты



УВАЖАЕМЫЕ КЛИЕНТЫ!
C 19 ДЕКАБРЯ 2025 ПО 02 МАРТА 2026 ГОДА ОТДЕЛ ЗАПЧАСТЕЙ И СЕРВИС РАБОТАТЬ НЕ БУДУТ
ПРОДАЖА ЛОДОЧНЫХ МОТОРОВ В ШТАТНОМ РЕЖИМЕ
ОБ ИЗМЕНЕНИЯХ В ГРАФИКЕ РАБОТЫ ЧИТАЙТЕ НА САЙТА




Выбрать другую модель

назад Раздел:   вперёд

вернуться к списку узлов и деталей

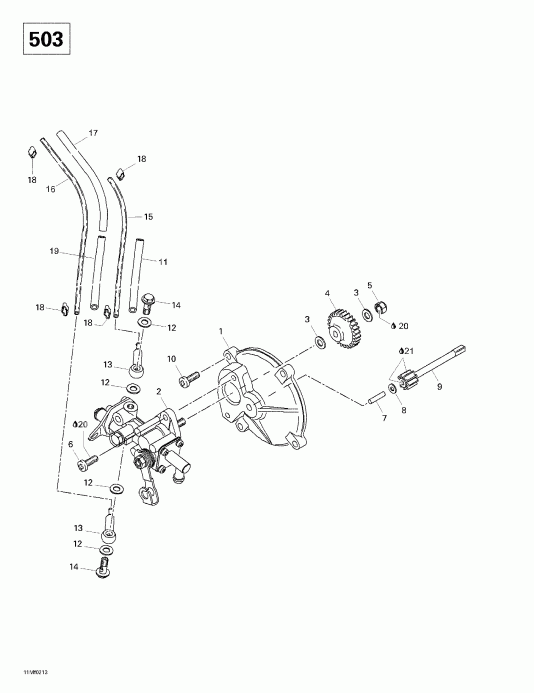
ДЕТАЛИРОВКА ДЛЯ МОДЕЛИ: SKIDOO Skandic 500/600, 2002

Раздел: Oil Injection System (503) | Oil Injection System (503)


снегоход  Skandic 500/600, 2002 раздел - Oil Injection System (503)

Номер на
рисунке
АртикулНаименованиеКол-во
на складе
Цена
1 420910160

Помпа Креплениеing Фланец. Skandic 500F. Skandic 500F (SWT) (Pump Mounting Flange. Skandic 500F. Skandic 500F (SWT).)

под заказ5710 руб.
1 910160

MOUNTING PLATE (USE 420910160)

под заказ3400 руб.
2 420887998

Масляный насос в сборе. Skandic 500F. Skandic 500F (SWT) (Oil Pump Assy. Skandic 500F. Skandic 500F (SWT).)

под заказ19120 руб.
2 420887993

POMPE A HUILE *PUMP-OIL ASSY.

под заказ14950 руб.
3 420927945

Шайба. Skandic 500F. Skandic 500F (SWT) (Washer. Skandic 500F. Skandic 500F (SWT).)

под заказ284 руб.
3 927945

WASHER (USE 420927945)

под заказ230 руб.
4 420935930

Масляный насос Шестерня (27 Tooth) Skandic 500F. Skandic 500F (SWT) (Oil Pump Gear (27 Tooth). Skandic 500F. Skandic 500F (SWT).)

под заказ1050 руб.
4 935930

GEAR Z-27 (USE 420935930)

под заказ610 руб.
5 232561414

Эластичная гайка со стопором M6. Skandic 500F. Skandic 500F (SWT) (Elastic Stop Nut M6. Skandic 500F. Skandic 500F (SWT).)

под заказ130 руб.
5 420842040

NUT-STOP ELASTIC DIN.985

под заказ110 руб.
6 420841970

Self Саморез M5.5 x 16. Skandic 500F. Skandic 500F (SWT) (Self Tapping Screw M5.5 x 16. Skandic 500F. Skandic 500F (SWT).)

под заказ335 руб.
6 420841971

SCREW

под заказ430 руб.
7 420832260

иголка Штифт B4 x 17.8. Skandic 500F. Skandic 500F (SWT) (Needle Pin B4 x 17.8. Skandic 500F. Skandic 500F (SWT).)

под заказ170 руб.
8 420244073

Шайба 4.3 mm. Skandic 500F. Skandic 500F (SWT) (Washer 4.3 mm. Skandic 500F. Skandic 500F (SWT).)

под заказ138 руб.
8 420244072

WASHER-FLAT 4,3

под заказ110 руб.
9 420935970

Шестерня (9 Tooth) Skandic 500F. Skandic 500F (SWT) (Gear (9 Tooth). Skandic 500F. Skandic 500F (SWT).)

под заказ1120 руб.
9 935970

GEAR Z-9(USE420935970)

под заказ720 руб.
10420841975

Self Саморез M5.5 x 20. Skandic 500F. Skandic 500F (SWT) (Self Tapping Screw M5.5 x 20. Skandic 500F. Skandic 500F (SWT).)

под заказ299 руб.
10420841976

SCREW

под заказ380 руб.
11420960750

Isolation Line 90 mm (MAG) Skandic 500F. Skandic 500F (SWT) (Isolation Line 90 mm (MAG). Skandic 500F. Skandic 500F (SWT).)

под заказпо запросу
12404146600

Прокладка Кольцо. Skandic 500F. Skandic 500F (SWT) (Gasket Ring. Skandic 500F. Skandic 500F (SWT).)

под заказ284 руб.
12420227500

RONDELLE ETANCH*WASHER-SEAL

под заказ230 руб.
13420956010

Обратный клапан в сборе. Skandic 500F. Skandic 500F (SWT) (Check Valve Assy. Skandic 500F. Skandic 500F (SWT).)

под заказ1720 руб.
13956010

MALE TERMINAL ASSY (USE 420956010)

под заказ1350 руб.
14404146800

Banjo Болт M6 x 16. Skandic 500F. Skandic 500F (SWT) (Banjo Bolt M6 x 16. Skandic 500F. Skandic 500F (SWT).)

под заказ978 руб.
14290241830

BOULON BANJO *BOLT-BANJO

под заказ340 руб.
15414413800

MAG Side Oil Line 360 mm. Skandic 500F. Skandic 500F (SWT) (MAG Side Oil Line 360 mm. Skandic 500F. Skandic 500F (SWT).)

под заказ284 руб.
15414124500

TUYAU AERATION *TUBE-AIR VENT

под заказ230 руб.
16414413800

P.T.O Side Oil Line 360 mm. Skandic 500F. Skandic 500F (SWT) (P.T.O Side Oil Line 360 mm. Skandic 500F. Skandic 500F (SWT).)

под заказ284 руб.
16414124500

TUYAU AERATION *TUBE-AIR VENT

под заказ230 руб.
17420960729

Isolation Line 150 mm (PTO) Skandic 500F. Skandic 500F (SWT) (Isolation Line 150 mm (PTO). Skandic 500F. Skandic 500F (SWT).)

под заказ559 руб.
17276000048

BOYAU 6MM. *HOSE-6MM.

под заказ720 руб.
18420853840

Струбцина. Skandic 500F. Skandic 500F (SWT) (Clamp. Skandic 500F. Skandic 500F (SWT).)

под заказ308 руб.
18853840

CLAMP (USE 420853840)

под заказ140 руб.
19420960728

Isolation Line 120 mm (PTO) Skandic 500F. Skandic 500F (SWT) (Isolation Line 120 mm (PTO). Skandic 500F. Skandic 500F (SWT).)

под заказ308 руб.
20293800060

Loctite 243, 10 ml. Skandic 500F. Skandic 500F (SWT) (Loctite 243, 10 ml. Skandic 500F. Skandic 500F (SWT).)

под заказ2150 руб.
20420897651

LOCTITE-243

под заказпо запросу
21413707000

Molykote 111. Skandic 500F. Skandic 500F (SWT) (Molykote 111. Skandic 500F. Skandic 500F (SWT).)

под заказ5600 руб.
21420897161

MOLYKOTE 111 *MOLYKOTE-111

под заказпо запросу
ski-doo

Время выполнения запроса 8.6675679683685 сек.


 
 

данный сайт носит информационный характер и не является публичной офертой

склад запчастей для водомоторной техники