вконтакте

Контактный телефон: +7 (981) 121-46-93, +7 (800) 200-90-76 , Email: parts-katalog@yandex.ru, где купить

 
 

  Логин:

Пароль:

Регистрация

www.partskatalog.ru Все каталоги Запчасти Mercury Запчасти Suzuki Запчасти Tohatsu Запчасти Honda Контакты



УВАЖАЕМЫЕ КЛИЕНТЫ!
C 19 ДЕКАБРЯ 2025 ПО 02 МАРТА 2026 ГОДА ОТДЕЛ ЗАПЧАСТЕЙ И СЕРВИС РАБОТАТЬ НЕ БУДУТ
ПРОДАЖА ЛОДОЧНЫХ МОТОРОВ В ШТАТНОМ РЕЖИМЕ
ОБ ИЗМЕНЕНИЯХ В ГРАФИКЕ РАБОТЫ ЧИТАЙТЕ НА САЙТА




Выбрать другую модель

назад Раздел:   вперёд

вернуться к списку узлов и деталей

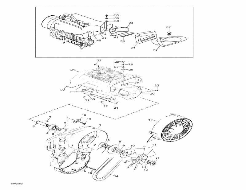
ДЕТАЛИРОВКА ДЛЯ МОДЕЛИ: SKIDOO Skandic 440, 2002

Раздел: Охлаждение System и Fan | Cooling System And Fan


снегоход Skidoo Skandic 440, 2002 раздел - Cooling System And Fan

Номер на
рисунке
АртикулНаименованиеКол-во
на складе
Цена
1 420912203

Fan Корпус (Fan Housing)

под заказ30400 руб.
1 420912230

LOGEMENT VENT. *HOUSING-FAN

под заказ33200 руб.
2 420945880

Стопорное кольцо (Retaining Ring)

под заказ308 руб.
2 945880

LOCK RING (USE420945880)

под заказ140 руб.
3 420244585

Регулировочная шайба (Shim)

под заказ130 руб.
3 244585

VALILEVY 17.5/24/1.0

под заказ140 руб.
4 405406100

Шариковый подшипник 6203 (Ball Bearing 6203)

под заказпо запросу
4 832160

BEARING (USE 405406100)

под заказпо запросу
4 6203DDUC3E NS7S5

     (не оригинальная запчасть) Подшипник 6203DDUC3E (6203DDUC3E NS7S5)

под заказ300 руб.
4 6203DDUC3E & NS7SX

     (не оригинальная запчасть) Подшипник 6203DDUC3E (6203DDUC3E & NS7SX)

под заказ440 руб.
5 420937940

Fan Вал (Fan Shaft)

под заказпо запросу
5 937940

TUULETTIMEN AKSELI

под заказпо запросу
6 420246015

Шпонка (Woodruff Key)

под заказ223 руб.
6 420246011

CLAVETTE *KEY-WOODRUFF

под заказ140 руб.
7 420827650

Distance Гильза (Distance Sleeve)

под заказ832 руб.
7 827650

HYLSY 17,3/28/2,8

под заказ830 руб.
8 420980496

Шкив Half (Pulley Half)

под заказ978 руб.
8 980495

BELT PLATE (USE 420980495)

под заказ550 руб.
9 420827080

Регулировочная шайба 0.5 mm (Shim 0.5 mm)

под заказ284 руб.
9 827080

TASAUSLEVY 17.5/27/0.5

под заказ230 руб.
420827082

Регулировочная шайба 0.2 mm (Shim 0.2 mm)

под заказ223 руб.
827082

ADJUSTMENT PLATE 17.7 (K.420827082)

под заказ140 руб.
10420980523

Protection Шайба (Protection Washer)

под заказ832 руб.
10420980522

RONDELLE PROT. *WASHER-PROTEC.

под заказ470 руб.
11420866292

Fan (Fan)

под заказ7360 руб.
11866292

TUULETINPYORA(USE 420866292)

под заказ4490 руб.
12420945756

Шайба с блокировкой 16 mm (Lock Washer 16 mm)

под заказ223 руб.
12945756

JOUSIRENGAS (USE 420945756)

под заказ140 руб.
13420942285

Hex. Гайка M16 (Hex. Nut M16)

под заказ441 руб.
13942285

NUT (USE 420942285)

под заказ410 руб.
14414630800

Клиновидный ремень (V-Belt)

под заказ1850 руб.
14980511

V-BELT Z24 (USE 414630800)

под заказ1150 руб.
1409-330

     (не оригинальная запчасть) Ремень вентилятора BRP 09-330

под заказ380 руб.
15420945751

Шайба с блокировкой 6 mm (Lock Washer 6 mm)

под заказ138 руб.
15540802026

RONDELLE-FREIN *WASHER-LOCK

под заказ110 руб.
16205063044

Allen Винт M6 x 30 (Allen Screw M6 x 30)

под заказ284 руб.
16420840881

SCREW-ALLEN M6 X 30

под заказпо запросу
17420975695

Крышка вентилятора (Fan Cover)

под заказ1920 руб.
17975695

FAN HOUSING (USE 420975695)

под заказ1500 руб.
18420860940

Струбцина (Clamp)

под заказ348 руб.
19420941250

Taptite Винт M6 x 20 (Taptite Screw M6 x 20)

под заказ375 руб.
20420810764

Цилиндр Cowl (Выхлоп Side) (Cylinder Cowl (Exhaust Side))

под заказ9350 руб.
20420810762

DEFLECTEUR CYL.*COWL-CYL.

под заказ7310 руб.
21420810792

Цилиндр Cowl (Carburator Side) (Cylinder Cowl (Carburator Side))

под заказ7590 руб.
21420810790

DEFLECTEUR CYL.*COWL-CYL.

под заказ5940 руб.
22420240580

Taptite Винт M6 x 16 (Taptite Screw M6 x 16)

под заказ154 руб.
23417300005

Пружина Гайка (Spring Nut)

под заказ308 руб.
24420810776

Цилиндр Cowl (Cylinder Cowl)

под заказ23700 руб.
25420827817

Cвыше Шайба (Cup Washer)

под заказ978 руб.
26420960865

Rubber Шайба (Rubber Washer)

под заказ146 руб.
26960865

RUBBER RING (USE 420960865)

под заказ140 руб.
27420227935

Шайба (Washer)

под заказ365 руб.
28420945752

Шайба с блокировкой 8 mm (Lock Washer 8 mm)

под заказ118 руб.
28402001600

RONDELLE-FREIN *WASHER-LOCK#8

под заказ110 руб.
29207181644

Шестигранный винт M8 x 16 (Hex. Screw M8 x 16)

под заказ284 руб.
29420940581

SCREW-HEX.M8 X 16

под заказ230 руб.
30420926180

Шайба (Washer)

под заказ138 руб.
31417300006

Self Саморез 4.8 x 16 (Self Tapping Screw 4.8 x 16)

под заказ53 руб.
31420841495

SCREW-TAPP.PAN HD.SLTD.4,8 X 1

под заказ170 руб.
32M5145108

выход Deflector (Outlet Deflector)

под заказ7730 руб.
33572083700

выход Duct (Outlet Duct)

под заказ2250 руб.
34M5346202

Сальник (Seal)

под заказпо запросу
35M40870

Hex. Саморез (Hex. Tapping Screw)

под заказпо запросу
36732900047

Serrated Шайба с блокировкой (Serrated Lock Washer)

под заказ52 руб.
37414227300

Зажим (Clip)

под заказ284 руб.
37414943400

PINCE *CLIP

под заказ230 руб.
38M5446535

Foam (Foam)

под заказ566 руб.
39417300005

Пружина Гайка (Spring Nut)

под заказ308 руб.
40M40247

Винт M5 x 16 (Screw M5 x 16)

под заказпо запросу
41M33062

Гайка M5 (Nut M5)

под заказ43 руб.
42M20008

Шайба (Washer)

под заказпо запросу
ski-doo

Время выполнения запроса 1.758642911911 сек.


 
 

данный сайт носит информационный характер и не является публичной офертой

склад запчастей для водомоторной техники