вконтакте

Контактный телефон: +7 (981) 121-46-93, +7 (800) 200-90-76 , Email: parts-katalog@yandex.ru, где купить

 
 

  Логин:

Пароль:

Регистрация

www.partskatalog.ru Все каталоги Запчасти Mercury Запчасти Suzuki Запчасти Tohatsu Запчасти Honda Контакты


Выбрать другую модель

назад Раздел:   вперёд

вернуться к списку узлов и деталей

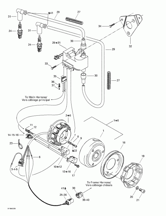
ДЕТАЛИРОВКА ДЛЯ МОДЕЛИ: SKIDOO MX Z 380 F/500 F, 2002

Раздел: Магнето | Magneto


снегоход Skidoo MX Z 380 F/500 F, 2002 раздел - Магнето

Номер на
рисунке
АртикулНаименованиеКол-во
на складе
Цена
1 420889160

Магнето Ducati 12V, 300W. Includes 1 - 6. (Magneto Ducati 12V, 300W. Includes 1 - 6.)

под заказпо запросу
1 420889370

Маховик (Flywheel)

под заказ36600 руб.
1 420889376

FLYWHEEL

под заказ41700 руб.
2 420889360

Статор Пластина в сборе. Includes 2 - 6. (Stator Plate Assy. Includes 2 - 6.)

под заказ46300 руб.
3 409209600

Female Клемма Корпус (3 circuits) (Female Terminal Housing (3 circuits))

под заказ2870 руб.
4 278001014

Female Клемма (Female Terminal)

под заказ284 руб.
5 278001013

Сальник (Seal)

под заказ284 руб.
6 515175567

Female Клемма (Female Terminal)

под заказ572 руб.
7 420927571

Шайба 5.3 mm (Washer 5.3 mm)

под заказ242 руб.
8 420945750

Шайба с блокировкой 5 mm (Lock Washer 5 mm)

под заказ138 руб.
8 402402400

RONDELLE-FREIN *WASHER-LOCK

под заказ110 руб.
9 420840515

Socket Head Винт M5 x 18 (Socket Head Screw M5 x 18)

под заказ284 руб.
9 290840515

VIS ALLEN *SCREW-SOCKET

под заказ230 руб.
10420966548

Pick-выше в сборе. Includes 10 - 12. (Pick-up Assy. Includes 10 - 12.)

под заказпо запросу
10420665162

CAPTEUR ASS. *PICKUP-ASSY.

под заказпо запросу
10SU-01371A

     (не оригинальная запчасть) Датчик Холла BRP SU-01371A

под заказ4 300 руб.
11278001014

Female Клемма (Female Terminal)

под заказ284 руб.
12278001013

Сальник (Seal)

под заказ284 руб.
13420966546

Pick-выше в сборе. Includes 13 - 16. (Pick-up Assy. Includes 13 - 16.)

под заказ9710 руб.
13420665160

CAPTEUR ASS. *PICKUP-ASSY.

под заказ11960 руб.
13SU-01379A

     (не оригинальная запчасть) Датчик Холла BRP SU-01379A

под заказ7 650 руб.
14409209500

Female Клемма Корпус (2 circuits) (Female Terminal Housing (2 circuits))

под заказ1290 руб.
14204470528

BLOC 2 CIRC.FEM*HOUSING-TAB(F)

под заказ1010 руб.
15278001014

Female Клемма (Female Terminal)

под заказ284 руб.
16278001013

Сальник (Seal)

под заказ284 руб.
17420941925

Taptite Винт M5 x 16 (Taptite Screw M5 x 16)

под заказ284 руб.
17941925

SCREW M5 X 16(USE 420941925)

под заказ230 руб.
18420980486

Клиновидный ремень Шкив (V-Belt Pulley)

под заказ2710 руб.
18980485

V-BELT-PULLEY

под заказ2010 руб.
19420852414

Шнур Sheave (Rope Sheave)

под заказ2140 руб.
19420852420

POULIE DEMARRAG*SHEAVE-ROPE

под заказпо запросу
20420845311

Шайба с блокировкой 8 mm (Lock Washer 8 mm)

под заказ133 руб.
21420841521

Socket Head Винт M8 x 12 (Socket Head Screw M8 x 12)

под заказ154 руб.
22293800060

Loctite 243, 10 ml (Loctite 243, 10 ml)

под заказ2150 руб.
22420897651

LOCTITE-243

под заказпо запросу
23293750001

Tie Rap 94 mm (Tie Rap 94 mm)

под заказ90 руб.
23420866718

TIE RAP *TIE-RAP

под заказ110 руб.
24414961100

Свеча зажигания NGK BR9-ES (Spark Plug NGK BR9-ES)

под заказ166 руб.
24414567000

BOUGIE BR9ES *PLUG-SPARK

под заказ170 руб.
25278001473

Female Клемма Корпус (4 circuits) (Female Terminal Housing (4 circuits))

под заказ1860 руб.
26278001474

Female Lock (4 circuits) (Female Lock (4 circuits))

под заказ284 руб.
27409901700

Трубопровод (Tubing)

под заказ715 руб.
28512059518

Calibration Module. Includes 28 - 31. MX Z 380 F. Legend 380 F. (Calibration Module. Includes 28 - 31. MX Z 380 F. Legend 380 F.)

под заказ40700 руб.
512059519

Calibration Module. MX Z 500 F. Legend 500 F. (Calibration Module. MX Z 500 F. Legend 500 F.)

под заказ38700 руб.
SU-01193

     (не оригинальная запчасть) Катушка зажигания BRP SU-01193

под заказ42 410 руб.
29278001268

Свеча зажигания Провод (Spark Plug Wire)

под заказпо запросу
29420965521

CABLE ALLUMAGE *CABLE-IGNITION

под заказпо запросу
30515174900

Protection Колпачок (Protection Cap)

под заказ1420 руб.
31278000237

Spark Защитный колачок (Spark Plug Cap)

под заказ1580 руб.
31420866708

PROT.BOUGIE *PROT-SPARK PLU

под заказ1230 руб.
32512059494

Module Sвышеport (Module Support)

под заказ854 руб.
33210261680

Hex. дляming Винт M6 x 16 (Hex. Forming Screw M6 x 16)

под заказ242 руб.
33732600002

SCREW-FORMING HEX.HD.FL.GM6174M

под заказ230 руб.
34209561640

Hex. Саморез (Hex. Tapping Screw)

под заказ225 руб.
34211000012

SCREW-TAPP.HEX. 6.3 X 13

под заказ230 руб.
35409209700

Female Клемма Корпус (4 circuits) (Female Terminal Housing (4 circuits))

под заказ1580 руб.
36278001014

Female Клемма (Female Terminal)

под заказ284 руб.
37278001013

Сальник (Seal)

под заказ284 руб.
38278001477

Male Клемма Корпус (4 Circuits) (Male Terminal Housing (4 Circuits))

под заказ2580 руб.
39278001478

(Female) Secondary Lock (4 Circuits) (Deutsch) ((Female) Secondary Lock (4 Circuits) (Deutsch))

под заказ284 руб.
40515175568

Male Клемма (Male Terminal)

под заказ715 руб.
41293550004

Dielectric Смазка, 150 g (Dielectric Grease, 150 g)

под заказ4740 руб.
41747018002

GRAISSE *GREASE

под заказ3710 руб.
ski-doo

Время выполнения запроса 6.1713929176331 сек.


 
 

данный сайт носит информационный характер и не является публичной офертой

склад запчастей для водомоторной техники