| |
Выбрать другую модель
вернуться к списку узлов и деталей ДЕТАЛИРОВКА ДЛЯ МОДЕЛИ: SKIDOO Skandic 600, 2003
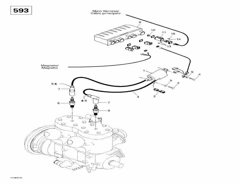
Раздел: Ignition (593) | Ignition (593)
Номер на рисунке | Артикул | Наименование | Кол-во на складе | Цена |
| 1 | 410922935 | Катушка зажигания. Skandic 600. (Ignition Coil. Skandic 600.) | под заказ | 7250 руб. |
| 1 | 5246315 | Ignition coil WT LC 593 (2001) | под заказ | по запросу |
| 1 | SM-01150 | (не оригинальная запчасть) Катушка зажигания BRP SM-01150 | под заказ | 6 190 руб. |
| 2 | 410914600 | пластиковый Зажим. Skandic 600. (Plastic Clip. Skandic 600.) | под заказ | 572 руб. |
| 3 | 278001268 | Свеча зажигания Провод. Skandic 600. (Spark Plug Wire. Skandic 600.) | под заказ | по запросу |
| 3 | 420965521 | CABLE ALLUMAGE *CABLE-IGNITION | под заказ | по запросу |
| 4 | 207162044 | Hex. Саморез M6 x 20. Skandic 600. (Hex. Tapping Screw M6 x 20. Skandic 600.) | под заказ | 284 руб. |
| 4 | 420940561 | SCREW-HEX.M6 X 20 | под заказ | 230 руб. |
| 5 | 234161471 | Шайба с блокировкой 6 mm. Skandic 600. (Lock Washer 6 mm. Skandic 600.) | под заказ | 130 руб. |
| 5 | 224761110 | WASHER-LOCK THIN BLACK DIN.127 | под заказ | 110 руб. |
| 6 | 293550004 | Dielectric Смазка, 150 g. Skandic 600. (Dielectric Grease, 150 g. Skandic 600.) | под заказ | 4740 руб. |
| 6 | 747018002 | GRAISSE *GREASE | под заказ | 3710 руб. |
| 7 | 278000237 | Свеча зажигания Защита Skandic 600. (Spark Plug Protector. Skandic 600.) | под заказ | 1580 руб. |
| 7 | 420866708 | PROT.BOUGIE *PROT-SPARK PLU | под заказ | 1230 руб. |
| 8 | 414961100 | Свеча зажигания (NGK BR9ES) Skandic 600. (Spark Plug (NGK BR9ES). Skandic 600.) | под заказ | 166 руб. |
| 8 | 414567000 | BOUGIE BR9ES *PLUG-SPARK | под заказ | 170 руб. |
| 9 | M5247879 | Calibration Module. Skandic 600. (Calibration Module. Skandic 600.) | под заказ | по запросу |
| 10 | 515175303 | Заглушка (Deutsch) Skandic 600. (Plug (Deutsch). Skandic 600.) | под заказ | 572 руб. |
| 11 | 278000736 | Female Клемма Корпус (6 circuits) Skandic 600. (Female Terminal Housing (6 circuits). Skandic 600.) | под заказ | 1590 руб. |
| 12 | 278000737 | (Female) Secondary Lock (6 Circuits) (Deutsch) Skandic 600. ((Female) Secondary Lock (6 Circuits) (Deutsch). Skandic 600.) | под заказ | 284 руб. |
| 12 | 278001666 | WEDGE-6 WAYS M | под заказ | 230 руб. |
| 13 | 293000052 | Сальникing Колпачок. Skandic 600. (Sealing Cap. Skandic 600.) | под заказ | 284 руб. |
| 14 | 278000632 | Female Клемма. Skandic 600. (Female Terminal. Skandic 600.) | под заказ | 284 руб. |

Время выполнения запроса 8.4549489021301 сек.
|
|