вконтакте

Контактный телефон: +7 (981) 121-46-93, +7 (800) 200-90-76 , Email: parts-katalog@yandex.ru, где купить

 
 

  Логин:

Пароль:

Регистрация

www.partskatalog.ru Все каталоги Запчасти Mercury Запчасти Suzuki Запчасти Tohatsu Запчасти Honda Контакты


Выбрать другую модель

назад Раздел:   вперёд

вернуться к списку узлов и деталей

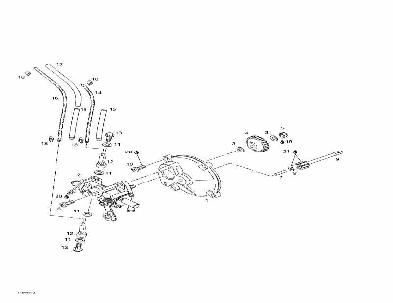
ДЕТАЛИРОВКА ДЛЯ МОДЕЛИ: SKIDOO Skandic 500F, 2003

Раздел: Oil Injection System | Oil Injection System


снегоход SKIDOO Skandic 500F, 2003 раздел - Oil Injection System

Номер на
рисунке
АртикулНаименованиеКол-во
на складе
Цена
1 420910160

Помпа Креплениеing Фланец (Pump Mounting Flange)

под заказ5710 руб.
1 910160

MOUNTING PLATE (USE 420910160)

под заказ3400 руб.
2 420887996

Масляный насос в сборе (Oil Pump Assy)

под заказ19120 руб.
2 420887994

POMPE A HUILE *PUMP-OIL ASSY.

под заказ14950 руб.
3 420927945

плоский Шайба (Flat Washer)

под заказ284 руб.
3 927945

WASHER (USE 420927945)

под заказ230 руб.
4 420935930

Масляный насос Шестерня (27 Teeth) (Oil Pump Gear (27 Teeth))

под заказ1050 руб.
4 935930

GEAR Z-27 (USE 420935930)

под заказ610 руб.
5 232561414

Эластичная гайка со стопором M6 (Elastic Stop Nut M6)

под заказ130 руб.
5 420842040

NUT-STOP ELASTIC DIN.985

под заказ110 руб.
6 420841970

Винт M5.5 x 16 (Plastite) (Screw M5.5 x 16 (Plastite))

под заказ335 руб.
6 420841971

SCREW

под заказ430 руб.
7 420832260

иголка Штифт (Needle Pin)

под заказ170 руб.
8 420244073

Шайба 4.3 mm (Washer 4.3 mm)

под заказ138 руб.
8 420244072

WASHER-FLAT 4,3

под заказ110 руб.
9 420935970

Шестерня (9 Teeth) (Gear (9 Teeth))

под заказ1120 руб.
9 935970

GEAR Z-9(USE420935970)

под заказ720 руб.
10420841975

Винт M5.5 x 16 (Screw M5.5 x 16)

под заказ299 руб.
10420841976

SCREW

под заказ380 руб.
11404146600

Сальникing Шайба (Sealing Washer)

под заказ284 руб.
11420227500

RONDELLE ETANCH*WASHER-SEAL

под заказ230 руб.
12420956010

Клапан в сборе (Valve Assy)

под заказ1720 руб.
12956010

MALE TERMINAL ASSY (USE 420956010)

под заказ1350 руб.
13404146800

Banjo Болт M6 x 16 (Banjo Bolt M6 x 16)

под заказ978 руб.
13290241830

BOULON BANJO *BOLT-BANJO

под заказ340 руб.
14414413800

Oil Line (Oil Line)

под заказ284 руб.
14414124500

TUYAU AERATION *TUBE-AIR VENT

под заказ230 руб.
15420960750

Isolation Line 90 mm (Isolation Line 90 mm)

под заказпо запросу
16414413800

Oil Line (Oil Line)

под заказ284 руб.
16414124500

TUYAU AERATION *TUBE-AIR VENT

под заказ230 руб.
17420960729

Isolation Шланг 150 mm (Isolation Hose 150 mm)

под заказ559 руб.
17276000048

BOYAU 6MM. *HOSE-6MM.

под заказ720 руб.
18420853840

Струбцина (Clamp)

под заказ308 руб.
18853840

CLAMP (USE 420853840)

под заказ140 руб.
19293800060

Loctite 243, 10 ml (Loctite 243, 10 ml)

под заказ2150 руб.
19420897651

LOCTITE-243

под заказпо запросу
20293800005

Loctite 271, 10 ml (Loctite 271, 10 ml)

под заказ2150 руб.
20747020000

LOCTITE 271 *LOCTITE-271

под заказ1680 руб.
21413707000

Molykote 111 (Molykote 111)

под заказ5600 руб.
21420897161

MOLYKOTE 111 *MOLYKOTE-111

под заказпо запросу
ski-doo

Время выполнения запроса 0.70198798179626 сек.


 
 

данный сайт носит информационный характер и не является публичной офертой

склад запчастей для водомоторной техники