вконтакте

Контактный телефон: +7 (981) 121-46-93, +7 (800) 200-90-76 , Email: parts-katalog@yandex.ru, где купить

 
 

  Логин:

Пароль:

Регистрация

www.partskatalog.ru Все каталоги Запчасти Mercury Запчасти Suzuki Запчасти Tohatsu Запчасти Honda Контакты



УВАЖАЕМЫЕ КЛИЕНТЫ!
C 19 ДЕКАБРЯ 2025 ПО 02 МАРТА 2026 ГОДА ОТДЕЛ ЗАПЧАСТЕЙ И СЕРВИС РАБОТАТЬ НЕ БУДУТ
ПРОДАЖА ЛОДОЧНЫХ МОТОРОВ В ШТАТНОМ РЕЖИМЕ
ОБ ИЗМЕНЕНИЯХ В ГРАФИКЕ РАБОТЫ ЧИТАЙТЕ НА САЙТА




Выбрать другую модель

Раздел:   вперёд

вернуться к списку узлов и деталей

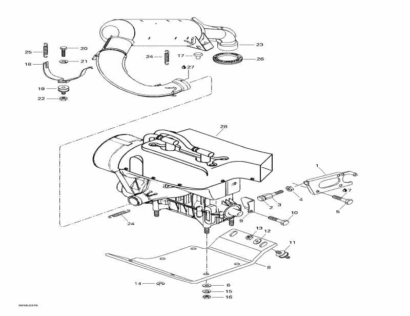
ДЕТАЛИРОВКА ДЛЯ МОДЕЛИ: SKIDOO Skandic LT 440F, 2003

Раздел: Двигатель Sвышеport и Muffler | Engine Support And Muffler


Ski-doo модель Skandic LT 440F, 2003 - Двигатель Sвышеport и Muffler

Номер на
рисунке
АртикулНаименованиеКол-во
на складе
Цена
1 M5346583

Sвышеport Пластина (Support plate)

под заказпо запросу
2 570025100

Тяга Фиксатор (Rod retainer)

под заказ915 руб.
3 517244200

Винт (Screw)

под заказ1630 руб.
3 17076

SCREW 517244200

под заказ1490 руб.
4 M33063

Jam Гайка M12 (Jam nut M12)

под заказпо запросу
5 M40327

Шестигранный винт M6 x 12 (Hex. screw M6 x 12)

под заказ53 руб.
6 M20105

Шайба (Washer)

под заказпо запросу
7 293800060

Loctite 243, 10 ml (Loctite 243, 10 ml)

под заказ2150 руб.
7 420897651

LOCTITE-243

под заказпо запросу
8 M5246291

Двигатель sвышеport (Engine support)

под заказ18000 руб.
9 M5344446

Стопор Пластина (Stopper plate)

под заказпо запросу
10207181644

Шестигранный винт M8 x 16 (Hex. screw M8 x 16)

под заказ284 руб.
10420940581

SCREW-HEX.M8 X 16

под заказ230 руб.
11570127700

Монтажная резинка (Rubber mount)

под заказ2440 руб.
11570128700

TAMPON ANCRAGE *MOUNT-RUBBER

под заказ4070 руб.
1109-217

     (не оригинальная запчасть) Опора (подушка) двигателя BRP 09-217

под заказ760 руб.
12512056700

Шайба с блокировкой (Lock washer)

под заказ548 руб.
12517168000

RONDELLE-FREIN *WASHER-LOCK

под заказ430 руб.
13233601416

Locking elastic Гайка M10 (Locking elastic nut M10)

под заказ284 руб.
13228501045

NUT-LOCKING ELASTIC DIN.982

под заказпо запросу
14M546221

Шайба (Washer)

под заказ136 руб.
15M20047

Шайба с блокировкой (Lock washer)

под заказпо запросу
16232006414

Гайка M10 (Nut M10)

под заказ284 руб.
16420242091

NUT-HEX.M10

под заказ230 руб.
17570044700

Резиновый стопор (Rubber stopper)

под заказ763 руб.
18M535108

Sвышеport (Support)

под заказ976 руб.
19M28245

Rubber Бампер (Rubber bumper)

под заказпо запросу
20M40034

Винт (Screw)

под заказ72 руб.
21234181401

Шайба с блокировкой 8 mm (Lock washer 8 mm)

под заказ138 руб.
21224781140

WASHER-LOCK DIN.127A

под заказ110 руб.
22232581414

Эластичная гайка со стопором M8 (Elastic stop nut M8)

под заказ136 руб.
22420942030

NUT-LOCK M8

под заказ110 руб.
23420979823

Muffler (Muffler)

под заказ59700 руб.
24420938795

Пружина (Spring)

под заказ601 руб.
2402-106-02

     (не оригинальная запчасть) Пружина крепления глушителя BRP 02-106-02

под заказ90 руб.
25M543225

Пружина (Spring)

под заказпо запросу
26570039000

Выхлоп Пыльник (Exhaust grommet)

под заказ1570 руб.
26570035600

RONDELLE ECHAPP*GROMMET-EXHAUS

под заказ1220 руб.
27293800090

Сальникant loctite, 80 ml (Sealant loctite, 80 ml)

под заказ2010 руб.
27413710300

ENDUIT ETANCHE *SEALANT

под заказ1570 руб.
28400409427

<<443>> Двигатель (<<443>> Engine)

под заказпо запросу
ski-doo

Время выполнения запроса 1.6731379032135 сек.


 
 

данный сайт носит информационный характер и не является публичной офертой

склад запчастей для водомоторной техники