| |
Выбрать другую модель
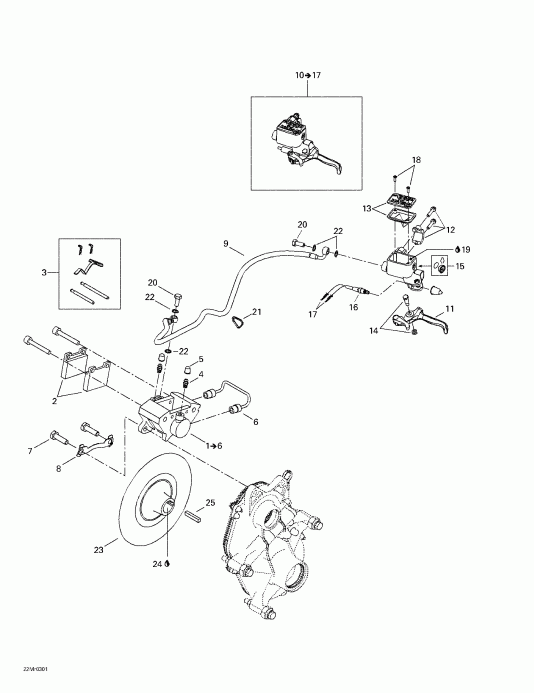
вернуться к списку узлов и деталей ДЕТАЛИРОВКА ДЛЯ МОДЕЛИ: SKIDOO MX Z Rev 600 HO/800/007 Special Edition, 2003
Раздел: Hydraulic тормоз | Hydraulic Brake
Номер на рисунке | Артикул | Наименование | Кол-во на складе | Цена |
| 1 | 507032353 | Caliper (X) Includes 1 - 6. (Caliper (X). Includes 1 - 6.) | под заказ | 13410 руб. |
| 1 | 507032410 | ETRIER *CALIPER | под заказ | 14610 руб. |
| 1 | 507032364 | Caliper (SPORT) (Caliper (SPORT)) | под заказ | по запросу |
| 2 | 415084600 | тормоз lining kit (Brake lining kit) | под заказ | 4640 руб. |
| 2 | 414990000 | ENS.GARNITURES *KIT-PADS BRAKE | под заказ | 3780 руб. |
| 2 | SM-05059 | (не оригинальная запчасть) Тормозные колодки BRP SM-05059 | под заказ | 2 440 руб. |
| 2 | SM-05059F | (не оригинальная запчасть) Тормозные колодки BRP SM-05059F | под заказ | 3 850 руб. |
| 3 | 414990700 | Kit (Штифтs, Фиксаторs, Пружина) (Kit (pins, retainers, spring)) | под заказ | 2920 руб. |
| 4 | 414989800 | Bleeder Винт (Bleeder screw) | под заказ | 1610 руб. |
| 5 | 414989700 | Boot (Boot) | под заказ | 2340 руб. |
| 6 | 414989900 | Rigid Трубопровод (Rigid tubing) | под заказ | 2380 руб. |
| 7 | 207103544 | Шестигранный винт M10 x 35 (Hex. screw M10 x 35) | под заказ | 284 руб. |
| 8 | 507032316 | Locking tab (Locking tab) | под заказ | 167 руб. |
| 8 | 507029900 | FREIN DE VIS *LOCK-TAB | под заказ | 140 руб. |
| 9 | 507032290 | Шланг (SPORT) (Hose (SPORT)) | под заказ | по запросу |
| 9 | 507032291 | Шланг (X) (Hose (X)) | под заказ | 5450 руб. |
| 10 | 507032362 | Master Цилиндр. Includes 10 - 17. (Master cylinder. Includes 10 - 17.) | под заказ | 10110 руб. |
| 10 | 507032361 | MAITRE CYLINDRE*CYLINDER MASTER | под заказ | 9280 руб. |
| 11 | 507032268 | тормоз Short Рычаг в сборе (Brake Short Lever Assy) | под заказ | 6930 руб. |
| 11 | SM-08064 | (не оригинальная запчасть) Ручка тормоза BRP SM-08064 | под заказ | 2 590 руб. |
| 12 | 415029800 | Струбцина (Clamp) | под заказ | 1570 руб. |
| 12 | 507032477 | BRIDE *CLAMP | под заказ | 2010 руб. |
| 13 | 415029900 | Колпачок (Cap) | под заказ | 3000 руб. |
| 14 | 415030000 | Штифт (Pin) | под заказ | 1290 руб. |
| 14 | 507032280 | AXE *PIN | под заказ | 970 руб. |
| 15 | 414990600 | Window (Window) | под заказ | 1120 руб. |
| 16 | 507032366 | MicroПереключатель (Microswitch) | под заказ | 5210 руб. |
| 16 | 507032334 | MICRO CONTACT *MICROSWITCH | под заказ | 3700 руб. |
| 16 | 01-280-01 | (не оригинальная запчасть) Выключатель стоп-сигнала BRP 01-280-01 | под заказ | 1 060 руб. |
| 17 | 515175232 | Male Клемма (Male terminal) | под заказ | 572 руб. |
| 18 | 216141260 | Винт (Screw) | под заказ | 284 руб. |
| 18 | 415078900 | VIS *SCREW | под заказ | 230 руб. |
| 19 | 293600063 | тормоз fluid, SRF (Dot 4) (Brake fluid, SRF (Dot 4)) | под заказ | 7470 руб. |
| 19 | 293600062 | тормоз fluid, GTLMA (Dot 4), 12 x 354 ml (Brake fluid, GTLMA (Dot 4), 12 x 354 ml) | под заказ | 495 руб. |
| 19 | 293600131 | BRAKE FLUID 12*0,5 | под заказ | 640 руб. |
| 20 | 414920500 | Banjo Болт (Banjo bolt) | под заказ | 731 руб. |
| 21 | 293750002 | Locking Tie 142 mm (Locking Tie 142 mm) | под заказ | 130 руб. |
| 22 | 414920600 | Шайба (Washer) | под заказ | 284 руб. |
| 23 | 507031300 | Disk (SPORT) (Disk (SPORT)) | под заказ | 11020 руб. |
| 23 | 507032456 | DISQUE USINE *DISK-MACH. | под заказ | 11430 руб. |
| 23 | 507032301 | Disk (X) (Disk (X)) | под заказ | 11300 руб. |
| 24 | 293800070 | Loctite 767, antiseize lubricant, 8 oz (Loctite 767, antiseize lubricant, 8 oz) | под заказ | 2440 руб. |
| 24 | 711297430 | COPA SLIP *COPA-SLIP | под заказ | 1910 руб. |
| 25 | 507021300 | Ключ (Key) | под заказ | 992 руб. |

Время выполнения запроса 2.9529728889465 сек.
|
|