вконтакте

Контактный телефон: +7 (981) 121-46-93, +7 (800) 200-90-76 , Email: parts-katalog@yandex.ru, где купить

 
 

  Логин:

Пароль:

Регистрация

www.partskatalog.ru Все каталоги Запчасти Mercury Запчасти Suzuki Запчасти Tohatsu Запчасти Honda Контакты



УВАЖАЕМЫЕ КЛИЕНТЫ!
C 19 ДЕКАБРЯ 2025 ПО 02 МАРТА 2026 ГОДА ОТДЕЛ ЗАПЧАСТЕЙ И СЕРВИС РАБОТАТЬ НЕ БУДУТ
ПРОДАЖА ЛОДОЧНЫХ МОТОРОВ В ШТАТНОМ РЕЖИМЕ
ОБ ИЗМЕНЕНИЯХ В ГРАФИКЕ РАБОТЫ ЧИТАЙТЕ НА САЙТА




Выбрать другую модель

назад Раздел:   вперёд

вернуться к списку узлов и деталей

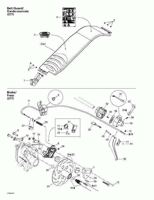
ДЕТАЛИРОВКА ДЛЯ МОДЕЛИ: SKIDOO Legend 380F/550F, 2003

Раздел: тормоз и Belt Guard | Brake And Belt Guard


snowmobile BRP - тормоз и Belt Guard

Номер на
рисунке
АртикулНаименованиеКол-во
на складе
Цена
1 417300172

Шкив Guard Кронштейн. MX Z 380 F. Legend 380 F. (Pulley Guard Bracket. MX Z 380 F. Legend 380 F.)

под заказ175 руб.
2 417300173

Belt Guard в сборе. Includes 2 - 4. MX Z 380 F. Legend 380 F. (Belt Guard Assy. Includes 2 - 4. MX Z 380 F. Legend 380 F.)

под заказпо запросу
2 417300178

GARDE-COURR.ASS*GUARD-BELT ASS

под заказпо запросу
3 390402200

Pop Заклёпка 3 / 16". MX Z 380 F. Legend 380 F. (Pop Rivet 3/16". MX Z 380 F. Legend 380 F.)

под заказ138 руб.
4 516001190

Наклейки Security (Belt Guard) MX Z 380 F. Legend 380 F. (Label Security (Belt Guard). MX Z 380 F. Legend 380 F.)

под заказпо запросу
4 516002670

ETIQUETTE SECUR*SECURITY-LABEL

под заказпо запросу
5 516001639

Suspension Adjustment Наклейка. MX Z 380 F. Legend 380 F. (Suspension Adjustment Decal. MX Z 380 F. Legend 380 F.)

под заказ632 руб.
5 516001285

DECAL.AJUST. *DECAL-AJUST.

под заказ580 руб.
6 507032303

Caliper. MX Z 380 F. Legend 380 F. (Caliper. MX Z 380 F. Legend 380 F.)

под заказ4950 руб.
7 414466800

Caliper. MX Z 380 F. Legend 380 F. (Caliper. MX Z 380 F. Legend 380 F.)

под заказ1460 руб.
8 414115200

Tie-Rap. MX Z 380 F. Legend 380 F. (Tie-Rap. MX Z 380 F. Legend 380 F.)

под заказ130 руб.
8 414587300

TIE RAP *TIE-RAP

под заказ110 руб.
9 207103544

Шестигранный винт M10 x 35. MX Z 380 F. Legend 380 F. (Hex. Screw M10 x 35. MX Z 380 F. Legend 380 F.)

под заказ284 руб.
10507032316

Locking Tab. MX Z 380 F. Legend 380 F. (Locking Tab. MX Z 380 F. Legend 380 F.)

под заказ167 руб.
10507029900

FREIN DE VIS *LOCK-TAB

под заказ140 руб.
11507032315

тормоз Кабели. MX Z 380 F. Legend 380 F. (Brake Cable. MX Z 380 F. Legend 380 F.)

под заказ3140 руб.
12414274500

Стопорное кольцо. MX Z 380 F. Legend 380 F. (Circlip. MX Z 380 F. Legend 380 F.)

под заказ138 руб.
13207085544

Шестигранный винт M8 x 55. MX Z 380 F. Legend 380 F. (Hex. Screw M8 x 55. MX Z 380 F. Legend 380 F.)

под заказ284 руб.
13222085565

SCREW-HEX.CAP DIN.931

под заказ230 руб.
14232581414

Эластичная гайка со стопором M8. MX Z 380 F. Legend 380 F. (Elastic Stop Nut M8. MX Z 380 F. Legend 380 F.)

под заказ136 руб.
14420942030

NUT-LOCK M8

под заказ110 руб.
15507020400

Locking Tab. MX Z 380 F. Legend 380 F. (Locking Tab. MX Z 380 F. Legend 380 F.)

под заказ186 руб.
16293800070

Loctite 767, Antiseize Lubricant, 8 oz. MX Z 380 F. Legend 380 F. (Loctite 767, Antiseize Lubricant, 8 oz. MX Z 380 F. Legend 380 F.)

под заказ2440 руб.
16711297430

COPA SLIP *COPA-SLIP

под заказ1910 руб.
17507032310

Wheel Храповик. MX Z 380 F. Legend 380 F. (Wheel Ratchet. MX Z 380 F. Legend 380 F.)

под заказ1300 руб.
17507019600

ROUE A CLIQUET *RATCHET-WHEEL

под заказ1190 руб.
18507032306

Hair Штифт. MX Z 380 F. Legend 380 F. (Hair Pin. MX Z 380 F. Legend 380 F.)

под заказ654 руб.
18507027500

GOUP.SURETE *PIN-HAIR

под заказ520 руб.
19860701700

тормоз Pad Kit. Includes 19 - 20. MX Z 380 F. Legend 380 F. (Brake Pad Kit. Includes 19 - 20. MX Z 380 F. Legend 380 F.)

2 шт3430 руб.
20390409600

Pop Заклёпка 3 / 16". MX Z 380 F. Legend 380 F. (Pop Rivet 3/16". MX Z 380 F. Legend 380 F.)

под заказпо запросу
20390910600

RIVET-POP 3/16 *RIVET-POP

под заказпо запросу
21507020200

Release Пружина. MX Z 380 F. Legend 380 F. (Release Spring. MX Z 380 F. Legend 380 F.)

под заказ766 руб.
21507021800

RESSORT RAPPEL *SPRING-RELEASE

под заказ600 руб.
22507021500

Рычаг. MX Z 380 F. Legend 380 F. (Lever. MX Z 380 F. Legend 380 F.)

под заказ808 руб.
22507012700

LEVIER FREIN *LEVER-BRAKE

под заказ640 руб.
23507009400

Храповик Пружина. MX Z 380 F. Legend 380 F. (Ratchet Spring. MX Z 380 F. Legend 380 F.)

под заказ178 руб.
23507019500

CLIQUET *PAWL

под заказпо запросу
24507029000

тормоз Disk. MX Z 380 F. Legend 380 F. (Brake Disk. MX Z 380 F. Legend 380 F.)

под заказ8020 руб.
25293550004

Dielectric Смазка, 150 g. MX Z 380 F. Legend 380 F. (Dielectric Grease, 150 g. MX Z 380 F. Legend 380 F.)

под заказ4740 руб.
25747018002

GRAISSE *GREASE

под заказ3710 руб.
26414928900

Уплотнительное кольцо. MX Z 380 F. Legend 380 F. (O-Ring. MX Z 380 F. Legend 380 F.)

под заказ994 руб.
27371901300

Стопорное кольцо. MX Z 380 F. Legend 380 F. (Circlip. MX Z 380 F. Legend 380 F.)

под заказ61 руб.
28414460600

Пружина. MX Z 380 F. Legend 380 F. (Spring. MX Z 380 F. Legend 380 F.)

под заказ165 руб.
28414379400

RESSORT *SPRING

под заказ130 руб.
29232561414

Эластичная гайка со стопором M6. MX Z 380 F. Legend 380 F. (Elastic Stop Nut M6. MX Z 380 F. Legend 380 F.)

под заказ130 руб.
29420842040

NUT-STOP ELASTIC DIN.985

под заказ110 руб.
30507021300

Ключ. MX Z 380 F. Legend 380 F. (Key. MX Z 380 F. Legend 380 F.)

под заказ992 руб.
31293800073

Loctite 277, 10 ml. MX Z 380 F. Legend 380 F. (Loctite 277, 10 ml. MX Z 380 F. Legend 380 F.)

под заказ1830 руб.
32507032311

тормоз Крышка. MX Z 380 F. Legend 380 F. (Brake Cover. MX Z 380 F. Legend 380 F.)

под заказ1180 руб.
33572086500

тормоз Корпус. MX Z 380 F. Legend 380 F. (Brake Housing. MX Z 380 F. Legend 380 F.)

под заказ2370 руб.
34414473200

Phillips Винт. MX Z 380 F. Legend 380 F. (Phillips Screw. MX Z 380 F. Legend 380 F.)

под заказ222 руб.
34211000098

SCREW-THREAD CUT.PH.PAN TYPE25

под заказ290 руб.
35507032318

тормоз Переключатель. MX Z 380 F. Legend 380 F. (Brake Switch. MX Z 380 F. Legend 380 F.)

под заказ727 руб.
36507032328

Пластина. MX Z 380 F. Legend 380 F. (Plate. MX Z 380 F. Legend 380 F.)

под заказ764 руб.
36572086600

PLAQUE GAUCHE *PLATE-LH.

под заказ710 руб.
37507032314

Dimmer Переключатель. MX Z 380 F. Legend 380 F. (Dimmer Switch. MX Z 380 F. Legend 380 F.)

под заказ2190 руб.
38414440800

Установочный винт M8. MX Z 380 F. Legend 380 F. (Set Screw M8. MX Z 380 F. Legend 380 F.)

под заказ290 руб.
38114144408

SCREW

под заказ220 руб.
39572025700

тормоз Handle. MX Z 380 F. Legend 380 F. (Brake Handle. MX Z 380 F. Legend 380 F.)

под заказ1320 руб.
39572068900

MANETTE FREIN *HANDLE-BRAKE

под заказ1040 руб.
40517229400

Штифт. MX Z 380 F. Legend 380 F. (Pin. MX Z 380 F. Legend 380 F.)

под заказ872 руб.
41507032317

Пружина. MX Z 380 F. Legend 380 F. (Spring. MX Z 380 F. Legend 380 F.)

под заказ572 руб.
41517229300

RESSORT *SPRING

под заказ450 руб.
42572025200

тормоз Рычаг. MX Z 380 F. Legend 380 F. (Brake Lever. MX Z 380 F. Legend 380 F.)

под заказ326 руб.
43414729400

Пружинная шайба. MX Z 380 F. Legend 380 F. (Spring Washer. MX Z 380 F. Legend 380 F.)

под заказ282 руб.
44389804300

Push Гайка. MX Z 380 F. Legend 380 F. (Push Nut. MX Z 380 F. Legend 380 F.)

под заказ133 руб.
ski-doo

Время выполнения запроса 2.4176030158997 сек.


 
 

данный сайт носит информационный характер и не является публичной офертой

склад запчастей для водомоторной техники