вконтакте

Контактный телефон: +7 (981) 121-46-93, +7 (800) 200-90-76 , Email: parts-katalog@yandex.ru, где купить

 
 

  Логин:

Пароль:

Регистрация

www.partskatalog.ru Все каталоги Запчасти Mercury Запчасти Suzuki Запчасти Tohatsu Запчасти Honda Контакты



УВАЖАЕМЫЕ КЛИЕНТЫ!
C 19 ДЕКАБРЯ 2025 ПО 02 МАРТА 2026 ГОДА ОТДЕЛ ЗАПЧАСТЕЙ И СЕРВИС РАБОТАТЬ НЕ БУДУТ
ПРОДАЖА ЛОДОЧНЫХ МОТОРОВ В ШТАТНОМ РЕЖИМЕ
ОБ ИЗМЕНЕНИЯХ В ГРАФИКЕ РАБОТЫ ЧИТАЙТЕ НА САЙТА




Выбрать другую модель

назад Раздел:   вперёд

вернуться к списку узлов и деталей

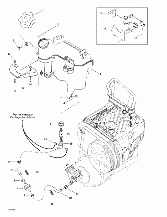
ДЕТАЛИРОВКА ДЛЯ МОДЕЛИ: SKIDOO Legend 380F/550F, 2003

Раздел: Масляный бак и Sвышеport | Oil Tank And Support


снегоход BRP SkiDoo модель Legend 380F/550F, 2003 - Масляный бак и Sвышеport

Номер на
рисунке
АртикулНаименованиеКол-во
на складе
Цена
1 519000041

Масляный бак (Oil Tank)

под заказ7030 руб.
2 413803100

Blizzard Oil (12 x 500 ml) (Blizzard Oil (12 x 500 ml))

под заказпо запросу
2 496014500

HUIL BLI.500X12*OIL-BLIZ.

под заказпо запросу
413802900

Injection Oil (12 x 1 л) (Injection Oil (12 x 1 Liter))

под заказ910 руб.
619590101

XPS 2 stroke Mineral 3*1 gallon (293600118)

под заказ2200 руб.
413803000

Injection Oil (3 x 4 л) (Injection Oil (3 x 4 Liter))

под заказ2020 руб.
619590101

XPS 2 stroke Mineral 3*1 gallon (293600118)

под заказ2200 руб.
413803200

Injection Oil (205 л) (Injection Oil (205 Liter))

под заказ102100 руб.
293600119

HUILE 2T BARIL *OIL 2T DRUM MINERALE

под заказ102100 руб.
413711000

Synthetic Injection Oil (3 x 4 л) (Synthetic Injection Oil (3 x 4 Liter))

под заказ3170 руб.
293600133

XPS 2 stroke Synthetic 3*1 gallon (619590107)

под заказ3460 руб.
3150 руб.
413710700

Synthetic Injection Oil (205 л) (Synthetic Injection Oil (205 Liter))

под заказ161900 руб.
293600134

XPS 2 stroke Synthetic Drum 205 Liters (619590108)

под заказ161900 руб.
413710500

Synthetic Injection Oil (12 x 1 л) Bombardier-Rotax дляmula XP-S (Synthetic Injection Oil (12 x 1 Liter). Bombardier-Rotax Formula XP-S)

под заказ863 руб.
293600132

XPS 2 stroke Synthetic 12*1 quart (619590106)

под заказ1100 руб.
3 519000042

Колпачок (Cap)

под заказ3350 руб.
3 519000017

BOUCHON *CAP

под заказ2080 руб.
3 SM-07091

     (не оригинальная запчасть) Крышка масляного бачка BRP SM-07091

под заказ1 950 руб.
4 233261414

Elastic Фланецd Гайка M6 (Elastic Flanged Nut M6)

под заказ284 руб.
5 210261280

Шестигранный винт M6 x 12 (Hex. Screw M6 x 12)

под заказ242 руб.
6 250200000

Serrated Шайба с блокировкой 6 mm (Serrated Lock Washer 6 mm)

под заказ222 руб.
6 250200041

WASHER-LOCK SERRATED INT.EXT.M6

под заказ290 руб.
7 414536500

Фильтр (Filter)

под заказ308 руб.
7 07-246-05

     (не оригинальная запчасть) Фильтр масляный универсальный 07-246-05

под заказ370 руб.
7 07-246-06

     (не оригинальная запчасть) Фильтр масляный BRP 07-246-06

под заказ470 руб.
7 07-246-08

     (не оригинальная запчасть) Масляный фильтр 07-246-08

под заказ470 руб.
8 414420700

Пружина Струбцина (Spring Clamp)

под заказ138 руб.
8 27414420700

SPRING CLIP 414420700

под заказ110 руб.
9 414415200

Пружина Струбцина (Spring Clamp)

под заказ138 руб.
10415080700

Line (Line)

под заказ1150 руб.
10519000230

BOYAU *HOSE

под заказ900 руб.
11570023000

Пыльник (Grommet)

под заказ572 руб.
112890230

GROMMET (USE 570023000)

под заказ450 руб.
11SM-07403

     (не оригинальная запчасть) Уплотнительная втулка масляного бачка BRP SM-07403

под заказ140 руб.
12519000043

Deflector (Deflector)

под заказ530 руб.
12519000018

DEFLECTEUR *DEFLECTOR

под заказ490 руб.
13208651641

Phillips Винт M5 x 16 (Phillips Screw M5 x 16)

под заказ451 руб.
13222851665

SCREW-PAN HD.PH.DIN.7985A

под заказ420 руб.
14233251414

Elastic Фланецd Гайка M5 (Elastic Flanged Nut M5)

под заказ263 руб.
14233251434

NUT-FLANGE ELASTIC DIN.6926

под заказ290 руб.
15414940300

Пружина (Spring)

под заказ234 руб.
16519000059

Reflective Sheet (Reflective Sheet)

под заказ425 руб.
16519000050

FEUILLE REFLECT*SHEET-REFLECT

под заказ340 руб.
17519000051

Reflective Sheet (Reflective Sheet)

под заказ378 руб.
18414681800

Level Переключатель (Level Switch)

под заказпо запросу
18216818

OIL LEVEL SENSOR 414681800 BBD

под заказпо запросу
19414681900

Поплавок (Float)

под заказпо запросу
192196819

KOHO SENSORILLE(USE 414681900)

под заказпо запросу
20409010300

Femelle Клемма (Femelle Terminal)

под заказ428 руб.
ski-doo

Время выполнения запроса 1.921539068222 сек.


 
 

данный сайт носит информационный характер и не является публичной офертой

склад запчастей для водомоторной техники