вконтакте

Контактный телефон: +7 (981) 121-46-93, +7 (800) 200-90-76 , Email: parts-katalog@yandex.ru, где купить

 
 

  Логин:

Пароль:

Регистрация

www.partskatalog.ru Все каталоги Запчасти Mercury Запчасти Suzuki Запчасти Tohatsu Запчасти Honda Контакты


Выбрать другую модель

назад Раздел:   вперёд

вернуться к списку узлов и деталей

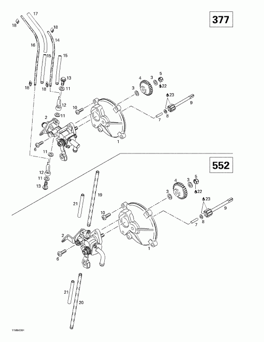
ДЕТАЛИРОВКА ДЛЯ МОДЕЛИ: SKIDOO Legend 380F/550F, 2003

Раздел: Oil Injection System | Oil Injection System


snowmobile BRP SkiDoo модификация Legend 380F/550F, 2003 - Oil Injection System

Номер на
рисунке
АртикулНаименованиеКол-во
на складе
Цена
1 420910160

Помпа Креплениеing Фланец (Pump Mounting Flange)

под заказ5710 руб.
1 910160

MOUNTING PLATE (USE 420910160)

под заказ3400 руб.
2 420887997

Масляный насос в сборе. MX Z 380 F. Legend 380 F. (Oil Pump Assy. MX Z 380 F. Legend 380 F.)

под заказ19120 руб.
2 420887995

POMPE A HUILE *PUMP-OIL ASSY.

под заказ14950 руб.
420889070

Масляный насос в сборе. MX Z 550 F. Legend 550 F. (Oil Pump Assy. MX Z 550 F. Legend 550 F.)

под заказ23900 руб.
3 420927945

плоский Шайба (Flat Washer)

под заказ284 руб.
3 927945

WASHER (USE 420927945)

под заказ230 руб.
4 420935930

Масляный насос Шестерня (27 Teeth) (Oil Pump Gear (27 Teeth))

под заказ1050 руб.
4 935930

GEAR Z-27 (USE 420935930)

под заказ610 руб.
5 232561414

Эластичная гайка со стопором M6 (Elastic Stop Nut M6)

под заказ130 руб.
5 420842040

NUT-STOP ELASTIC DIN.985

под заказ110 руб.
6 420841971

Винт M5.5 x 16 (Plastite) (Screw M5.5 x 16 (Plastite))

под заказ428 руб.
6 420841970

SCREW-PLASTITE

под заказ340 руб.
7 420832260

иголка Штифт (Needle Pin)

под заказ170 руб.
8 420244073

Шайба 4.3 mm (Washer 4.3 mm)

под заказ138 руб.
8 420244072

WASHER-FLAT 4,3

под заказ110 руб.
9 420935970

Шестерня (9 Teeth) (Gear (9 Teeth))

под заказ1120 руб.
9 935970

GEAR Z-9(USE420935970)

под заказ720 руб.
10420841976

Винт M5.5 x 16 (Plastite) (Screw M5.5 x 16 (Plastite))

под заказ375 руб.
10420841975

SCREW-PLASTITE

под заказ300 руб.
11404146600

Сальникing Шайба. MX Z 380 F. Legend 380 F. (Sealing Washer. MX Z 380 F. Legend 380 F.)

под заказ284 руб.
11420227500

RONDELLE ETANCH*WASHER-SEAL

под заказ230 руб.
12420956010

Клапан в сборе. MX Z 380 F. Legend 380 F. (Valve Assy. MX Z 380 F. Legend 380 F.)

под заказ1720 руб.
12956010

MALE TERMINAL ASSY (USE 420956010)

под заказ1350 руб.
13404146800

Banjo Болт M6 x 16. MX Z 380 F. Legend 380 F. (Banjo Bolt M6 x 16. MX Z 380 F. Legend 380 F.)

под заказ978 руб.
13290241830

BOULON BANJO *BOLT-BANJO

под заказ340 руб.
14414413800

Oil Line (210 мм) MX Z 380 F. Legend 380 F. (Oil Line (210 mm). MX Z 380 F. Legend 380 F.)

под заказ284 руб.
14414124500

TUYAU AERATION *TUBE-AIR VENT

под заказ230 руб.
15420960750

Isolation Line (90 мм) MX Z 380 F. Legend 380 F. (Isolation Line (90 mm). MX Z 380 F. Legend 380 F.)

под заказпо запросу
16414413800

Oil Line (310 мм) MX Z 380 F. Legend 380 F. (Oil Line (310 mm). MX Z 380 F. Legend 380 F.)

под заказ284 руб.
16414124500

TUYAU AERATION *TUBE-AIR VENT

под заказ230 руб.
17420960729

Isolation Шланг (150 мм) MX Z 380 F. Legend 380 F. (Isolation Hose (150 mm). MX Z 380 F. Legend 380 F.)

под заказ559 руб.
17276000048

BOYAU 6MM. *HOSE-6MM.

под заказ720 руб.
18420853840

Струбцина. MX Z 380 F. Legend 380 F. (Clamp. MX Z 380 F. Legend 380 F.)

под заказ308 руб.
18853840

CLAMP (USE 420853840)

под заказ140 руб.
19420660491

Oil Line (270 мм) MX Z 550 F. Legend 550 F. (Oil Line (270 mm). MX Z 550 F. Legend 550 F.)

под заказ222 руб.
19414413800

BOYAU D HUILE *HOSE-OIL(1 шт = 1 фут)

под заказ290 руб.
20420660427

Oil Line (420 мм) MX Z 550 F. Legend 550 F. (Oil Line (420 mm). MX Z 550 F. Legend 550 F.)

под заказ222 руб.
20414413800

BOYAU D HUILE *HOSE-OIL(1 шт = 1 фут)

под заказ290 руб.
21420960728

Isolation Line (120 мм) MX Z 550 F. Legend 550 F. (Isolation Line (120 mm). MX Z 550 F. Legend 550 F.)

под заказ308 руб.
22293800060

Loctite 243, 10 ml (Loctite 243, 10 ml)

под заказ2150 руб.
22420897651

LOCTITE-243

под заказпо запросу
23413707000

Molykote 111 (Molykote 111)

под заказ5600 руб.
23420897161

MOLYKOTE 111 *MOLYKOTE-111

под заказпо запросу
ski-doo

Время выполнения запроса 5.2242789268494 сек.


 
 

данный сайт носит информационный характер и не является публичной офертой

склад запчастей для водомоторной техники