вконтакте

Контактный телефон: +7 (981) 121-46-93, +7 (800) 200-90-76 , Email: parts-katalog@yandex.ru, где купить

 
 

  Логин:

Пароль:

Регистрация

www.partskatalog.ru Все каталоги Запчасти Mercury Запчасти Suzuki Запчасти Tohatsu Запчасти Honda Контакты


Выбрать другую модель

Раздел:   вперёд

вернуться к списку узлов и деталей

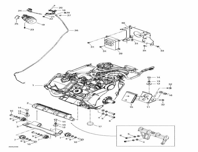
ДЕТАЛИРОВКА ДЛЯ МОДЕЛИ: SKIDOO Grand Touring V-1000, 2003

Раздел: Двигатель и Двигатель Sвышеport | Engine And Engine Support


снегоход  Grand Touring V-1000, 2003 раздел - Двигатель и Двигатель Sвышеport

Номер на
рисунке
АртикулНаименованиеКол-во
на складе
Цена
1 400101106

Двигатель (Engine)

под заказпо запросу
2 512059422

Front Двигатель Крепление (Front engine mount)

под заказ10370 руб.
3 512059425

Front Двигатель sвышеport (Front engine support)

под заказ15070 руб.
4 234001410

плоский Шайба M10 (Flat washer M10)

под заказ284 руб.
4 224001211

WASHER-FLAT DIN.125A

под заказ230 руб.
5 234100602

Lock Пружинная шайба M10 (Lock spring washer M10)

под заказ284 руб.
5 224701188

WASHER-LOCK SPRING DIN.128A-A2

под заказ230 руб.
6 205003544

Socket head Винт M10 x 35 (Socket head screw M10 x 35)

под заказ284 руб.
6 222903565

SCREW-SOCKET HD.DIN.912

под заказ230 руб.
7 512059691

Монтажная резинка (Rubber mount)

под заказ4070 руб.
7 SM-09556

     (не оригинальная запчасть) Опора (подушка) двигателя BRP SM-09556

под заказ2 160 руб.
8 234001410

плоский Шайба M10 (Flat washer M10)

под заказ284 руб.
8 224001211

WASHER-FLAT DIN.125A

под заказ230 руб.
9 234100602

Lock Пружинная шайба M10 (Lock spring washer M10)

под заказ284 руб.
9 224701188

WASHER-LOCK SPRING DIN.128A-A2

под заказ230 руб.
10207103044

Шестигранный винт M10 x 30 (Hex. screw M10 x 30)

под заказ284 руб.
10222003065

SCREW-HEX.CAP ISO.4017

под заказ230 руб.
11512059315

Rear Двигатель sвышеport (Rear engine support)

под заказ2260 руб.
12512056700

Шайба с блокировкой (Lock washer)

под заказ548 руб.
12517168000

RONDELLE-FREIN *WASHER-LOCK

под заказ430 руб.
13234100602

Lock Пружинная шайба M10 (Lock spring washer M10)

под заказ284 руб.
13224701188

WASHER-LOCK SPRING DIN.128A-A2

под заказ230 руб.
14207103044

Шестигранный винт M10 x 30 (Hex. screw M10 x 30)

под заказ284 руб.
14222003065

SCREW-HEX.CAP ISO.4017

под заказ230 руб.
15512059316

Монтажная резинка (Rubber mount)

под заказ1886 руб.
15512059958

TAMPON ANCRAGE *MOUNT-RUBBER

под заказ1890 руб.
16233201414

Elastic Фланецd Гайка M10 (Elastic flanged nut M10)

под заказ276 руб.
16228701045

NUT-FLANGE ELASTIC DIN.6926

под заказ220 руб.
17512059710

Стопор (Stopper)

под заказ1240 руб.
18512059624

Handle в сборе (Handle assy)

под заказ6430 руб.
18572084500

MANETTE ASS. *HANDLE-ASSY

под заказ4330 руб.
19512059489

Дроссель Корпус (Throttle housing)

под заказ2470 руб.
20414438700

Рычаг Штифт (Lever pin)

под заказ803 руб.
21414438900

Шайба (Washer)

под заказ225 руб.
22414439000

Стопорное кольцо (Circlip)

под заказ354 руб.
23414440800

Установочный винт M8 x 10 (Set screw M8 x 10)

под заказ290 руб.
23114144408

SCREW

под заказ220 руб.
24512059751

Kill Переключатель (Kill switch)

под заказпо запросу
24515176708

INTER.URGENCE -KILL SWITCH

под заказпо запросу
24SM-01572

     (не оригинальная запчасть) Кнопка выключения двигателя BRP SM-01572

под заказ3 390 руб.
25572100901

Переключатель Крышка (Switch cover)

под заказ1050 руб.
25572093900

COUV.INTERRUPT.*COVER-SWITCH

под заказ710 руб.
26512059349

Тросик дросселя (Throttle cable)

под заказ5570 руб.
27414274500

Стопорное кольцо (Circlip)

под заказ138 руб.
28293550004

Dielectric Смазка, 150 g (Dielectric Grease, 150 g)

под заказ4740 руб.
28747018002

GRAISSE *GREASE

под заказ3710 руб.
29420664620

Electronic module (Electronic module)

под заказ57900 руб.
29420664626

UNITE CONTR.EL.*UNIT-ELECTR.CONTROL

под заказ73700 руб.
30518323189

Electronic module sвышеport (Electronic module support)

под заказ4370 руб.
31210261280

Hex. дляming Винт M6 x 12 (Hex. forming screw M6 x 12)

под заказ242 руб.
32205002544

Socket head Винт M10 x 25 (Socket head screw M10 x 25)

под заказ284 руб.
32222902565

SCREW-SOCKET HD.DIN 912

под заказ230 руб.
33207661644

Hex. Фланецd Винт M6 x 16 (Hex. flanged screw M6 x 16)

под заказ276 руб.
34233261414

Elastic Фланецd Гайка M6 (Elastic flanged nut M6)

под заказ284 руб.
ski-doo

Время выполнения запроса 1.5480110645294 сек.


 
 

данный сайт носит информационный характер и не является публичной офертой

склад запчастей для водомоторной техники