вконтакте

Контактный телефон: +7 (981) 121-46-93, +7 (800) 200-90-76 , Email: parts-katalog@yandex.ru, где купить

 
 

  Логин:

Пароль:

Регистрация

www.partskatalog.ru Все каталоги Запчасти Mercury Запчасти Suzuki Запчасти Tohatsu Запчасти Honda Контакты


Выбрать другую модель

назад Раздел:   вперёд

вернуться к списку узлов и деталей

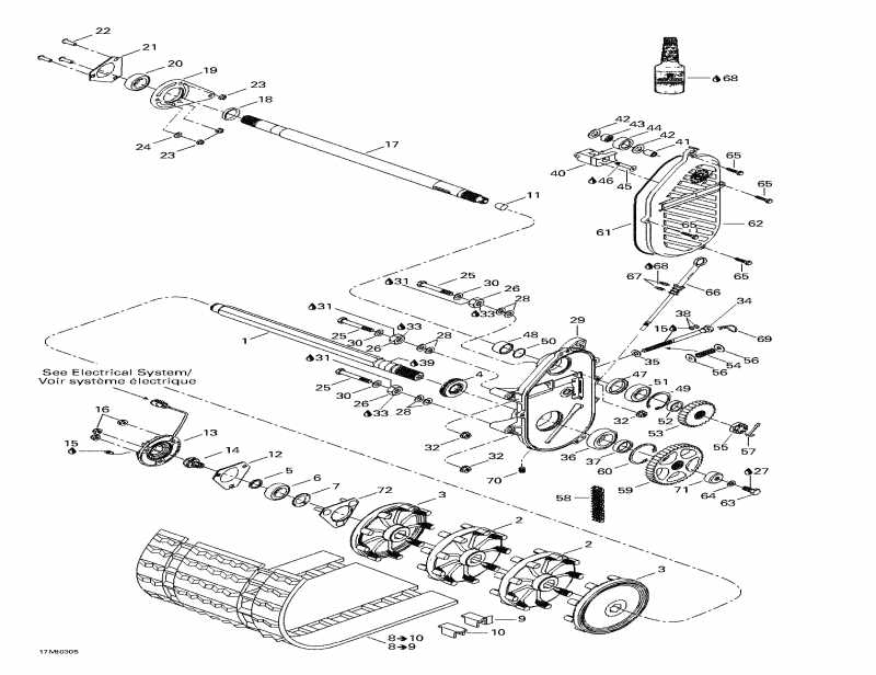
ДЕТАЛИРОВКА ДЛЯ МОДЕЛИ: SKIDOO Grand Touring SE 800 SDI, 2003

Раздел: Цепьcase и CounterВал | Chaincase And Countershaft


Skidoo Grand Touring SE 800 SDI, 2003 - Chaincase And Countershaft

Номер на
рисунке
АртикулНаименованиеКол-во
на складе
Цена
1 501027400

Drive axle (Drive axle)

под заказ23400 руб.
2 504151781

Цепное колесо ЗВЕЗДОЧКА (9 teeth) (Sprocket(9 teeth))

под заказ4000 руб.
3 504151782

Half Цепное колесо ЗВЕЗДОЧКА (9 teeth) (Half sprocket (9 teeth))

под заказ3430 руб.
4 504151918

Сальник в сборе (Oil seal assy)

под заказ2000 руб.
4 581128500

ANNEAU ETAN.ASS*SEAL-OIL ASSY.

под заказ1000 руб.
4 SM-03046

     (не оригинальная запчасть) Сальник КПП BRP SM-03046

под заказ410 руб.
4 SM-03163

     (не оригинальная запчасть) Комплект подшипников КПП BRP SM-03163

под заказ2 330 руб.
5 371910200

Стопорное кольцо (Circlip)

под заказ157 руб.
6 504152009

Шариковый подшипник (Ball bearing)

под заказ2570 руб.
6 293350060

ROULEMENT BILLE*BALL BEARING

под заказ3000 руб.
6 SM-03163

     (не оригинальная запчасть) Комплект подшипников КПП BRP SM-03163

под заказ2 330 руб.
7 501017400

Подшипник Защита (Bearing protector)

под заказ670 руб.
8 504151804

Track в сборе (15"x136"x 0.88") Includes 8 - 10. Grand TouКольцо SE 800 SDI. (Track assy (15"x136"x 0.88"). Includes 8 - 10. Grand Touring SE 800 SDI.)

под заказ64700 руб.
8 504152455

CHENILLE *TRACK-ASSY 15"X136"X0.88"

под заказ62200 руб.
504151802

Track в сборе (15"X121"x 0.88") Legend SE 800 SDI. (Track assy (15"X121"x 0.88"). Legend SE 800 SDI.)

под заказ64700 руб.
504152485

CHENILLE *TRACK-ASSY. 15"X121"X.88"

под заказ53700 руб.
8 504152028

Track в сборе (15"x136"x 1.250") Европа. Includes 8 - 9. Grand TouКольцо SE 800 SDI. (Track assy (15"x136"x 1.250") EUROPE. Includes 8 - 9. Grand Touring SE 800 SDI.)

под заказпо запросу
9 500003400

Направляющая cleat (Guide cleat)

под заказ135 руб.
9 415129528

GUIDE *CLIP

под заказ230 руб.
500003400

Направляющая cleat Европа. Grand TouКольцо SE 800 SDI. (Guide cleat EUROPE. Grand Touring SE 800 SDI.)

под заказ135 руб.
415129528

GUIDE *CLIP

под заказ230 руб.
10504151828

Cleat (Cleat)

под заказ260 руб.
10504152652

AGRAFE *CLEAT-FLAT

под заказ290 руб.
11414784800

Cork (Cork)

под заказ250 руб.
11414529900

BOUCHON LIEGE *CORK

под заказ200 руб.
12501025000

Фланец (Flange)

под заказ383 руб.
13504152173

Speedo Фланец (Speedo flange)

под заказ5350 руб.
14504152040

Magnetic Адаптер (Magnetic adaptor)

под заказ3500 руб.
15219700417

Synthetic Смазка, 400g (Synthetic Grease, 400g)

под заказ7860 руб.
15293550033

SYNTHETIC GREASE 10X14OZ (1шт=1кор=10 туб)

под заказ10050 руб.
16233281414

Hex. Elastic Фланецd Гайка M8 (Hex. Elastic flanged nut M8)

под заказ284 руб.
17501026300

Counter Вал (Counter shaft)

под заказ32600 руб.
18504149100

Проставка (Spacer)

под заказ835 руб.
19080044200

Проставка (Spacer)

под заказ1670 руб.
20504152026

Шариковый подшипник (Ball bearing)

под заказ3410 руб.
20415129555

ENS ROULEMENT BILLE*BALL BEARING KIT

под заказ4000 руб.
20SM-03168

     (не оригинальная запчасть) Комплект подшипников BRP SM-03168

под заказ2 050 руб.
21501025000

Фланец (Flange)

под заказ383 руб.
22205482546

Socket Винт M8 x 25 (Socket Screw M8 x 25)

под заказ572 руб.
22732601156

SCREW-SOCKET BN.HD.ISO.7380

под заказ450 руб.
23232581414

Hex elastic Гайка M8 (Hex elastic nut M8)

под заказ136 руб.
23420942030

NUT-LOCK M8

под заказ110 руб.
24234081410

плоский Шайба M8 (Flat washer M8)

под заказ130 руб.
25207108044

Hex Винт M10 x 80 (Hex screw M10 x 80)

под заказ859 руб.
26504083800

Проставка (Spacer)

под заказ512 руб.
27293800005

Loctite 271, 10 ml (Loctite 271, 10 ml)

под заказ2150 руб.
27747020000

LOCTITE 271 *LOCTITE-271

под заказ1680 руб.
28504073700

Шайба (Washer)

под заказ199 руб.
29504152062

Цепьcase (Chaincase)

под заказ14630 руб.
29504152086

CASE-CHAIN MACH

под заказ19860 руб.
30503183800

Шайба (Washer)

под заказ284 руб.
31293800070

Loctite 767, antiseize lubricant, 8 oz (Loctite 767, antiseize lubricant, 8 oz)

под заказ2440 руб.
31711297430

COPA SLIP *COPA-SLIP

под заказ1910 руб.
32233201414

Hex Фланецd elastic Гайка M10 (Hex flanged elastic nut M10)

под заказ276 руб.
32228701045

NUT-FLANGE ELASTIC DIN.6926

под заказ220 руб.
33293800060

Loctite 243, 10 ml (Loctite 243, 10 ml)

под заказ2150 руб.
33420897651

LOCTITE-243

под заказпо запросу
34504151946

Регулировочный винт (Adjusting screw)

под заказ8090 руб.
35503189148

Шайба (Washer)

под заказ284 руб.
36504152005

Шариковый подшипник (Ball bearing)

под заказ3280 руб.
36405408500

ROULEMENT BILLE*BEARING-BALL

под заказ2230 руб.
37504152058

Регулировочная шайба (Shim)

под заказ1250 руб.
37504152649

CALE EPAISSEUR *SHIM

под заказ1600 руб.
38504151954

Уплотнительное кольцо (O-ring)

под заказ284 руб.
39219700417

Synthetic Смазка, 400g (Synthetic Grease, 400g)

под заказ7860 руб.
39293550033

SYNTHETIC GREASE 10X14OZ (1шт=1кор=10 туб)

под заказ10050 руб.
40504151940

Цепь tensioner (Chain tensioner)

под заказ2450 руб.
41504080200

Проставка (Spacer)

под заказ681 руб.
41SM-03362

     (не оригинальная запчасть) Ролик натяжителя приводной цепи BRP SM-03362

под заказ3 060 руб.
42504080300

Шайба (Washer)

под заказ215 руб.
43405403000

Игольчатый подшипник (Needle bearing)

под заказ2070 руб.
43SM-03362

     (не оригинальная запчасть) Ролик натяжителя приводной цепи BRP SM-03362

под заказ3 060 руб.
44414531300

Ролик (Roller)

под заказ3850 руб.
44SM-03362

     (не оригинальная запчасть) Ролик натяжителя приводной цепи BRP SM-03362

под заказ3 060 руб.
45732601144

Винт (Screw)

под заказ2230 руб.
46293800005

Loctite 271, 10 ml (Loctite 271, 10 ml)

под заказ2150 руб.
46747020000

LOCTITE 271 *LOCTITE-271

под заказ1680 руб.
47415049300

Сальник (Oil seal)

под заказ978 руб.
47SM-03047

     (не оригинальная запчасть) Сальник КПП (верхний) BRP SM-03047

под заказ390 руб.
47SM-03168

     (не оригинальная запчасть) Комплект подшипников BRP SM-03168

под заказ2 050 руб.
48507031500

Проставка (Spacer)

под заказ853 руб.
49371901700

Inner Стопорное кольцо (Inner circlip)

под заказ572 руб.
50414876700

Уплотнительное кольцо (O-ring)

под заказ378 руб.
50SM-03168

     (не оригинальная запчасть) Комплект подшипников BRP SM-03168

под заказ2 050 руб.
51504152006

Шариковый подшипник (Ball bearing)

под заказ1370 руб.
51405404400

ROULEMENT BILLE*BEARING-BALL

под заказ1260 руб.
51SM-03168

     (не оригинальная запчасть) Комплект подшипников BRP SM-03168

под заказ2 050 руб.
51SM-03209

     (не оригинальная запчасть) Ремкомплект трансмиссии снегохода BRP SM-03209

под заказ2 710 руб.
52504147200

Регулировочная шайба (Shim)

под заказ1730 руб.
53504139700

Цепное колесо ЗВЕЗДОЧКА Large (24 teeth) Grand TouКольцо SE 800 SDI. (Sprocket Large (24 teeth). Grand Touring SE 800 SDI.)

под заказ9300 руб.
504085300

Цепное колесо ЗВЕЗДОЧКА Large (26 teeth) Legend SE 800 SDI. (Sprocket Large (26 teeth). Legend SE 800 SDI.)

под заказ4770 руб.
54504151945

Пружина (Spring)

под заказ795 руб.
55250000012

Hex castellated Гайка M20 (Hex castellated nut M20)

под заказ572 руб.
55732610012

NUT-HEX.CASTLE

под заказ450 руб.
56503125900

Hardened Шайба (Hardened washer)

под заказ215 руб.
57371006300

Шплинт (Cotter pin)

под заказ138 руб.
58504151856

Drive Цепь wide (76 Соединительs) (Drive chain wide (76 links))

под заказ9570 руб.
58412107600

CHAINE L 76 MAI*CHAIN-DRIV. 76

под заказ7200 руб.
59504148500

Цепное колесо ЗВЕЗДОЧКА (43 teeth) (Sprocket (43 teeth))

под заказ11030 руб.
60415064300

Inner Стопорное кольцо (Inner Circlip)

под заказ494 руб.
61415046400

Уплотнительное кольцо (O-ring)

под заказ601 руб.
61SM-03111

     (не оригинальная запчасть) Прокладка КПП BRP SM-03111

под заказ690 руб.
62504152027

Крышка (Cover)

под заказ7640 руб.
62504152471

COVER-CASTING

под заказ14220 руб.
63207102544

Hex Винт M10 x 25 (Hex screw M10 x 25)

под заказ284 руб.
63420440241

SCREW-M10 X25

под заказ230 руб.
64234100602

Шайба с блокировкой M10 (Lock washer M10)

под заказ284 руб.
64224701188

WASHER-LOCK SPRING DIN.128A-A2

под заказ230 руб.
65210263080

Hex Фланецd Винт M6 x 30 (Hex flanged screw M6 x 30)

под заказ242 руб.
65732600004

SCREW-FORMING HEX.HD.FL.GM6174

под заказ230 руб.
66504151703

Filler Колпачок в сборе (Filler cap assy)

под заказ1030 руб.
67414969400

Уплотнительное кольцо (O-ring)

под заказ601 руб.
68413803300

Synthetic Цепьcase oil, 12 x 355 ml (Synthetic chaincase oil, 12 x 355 ml)

под заказ1860 руб.
68619590098

XPS synthetic Chaincase Oil 350ml (293600138) x 16

под заказ1040 руб.
69414575600

Hair Штифт (Hair pin)

под заказ191 руб.
69414119600

GOUP.SURETE *PIN-HAIR

под заказ150 руб.
70504151921

Заглушка 1 / 8-27 (Plug 1/8-27)

под заказ250 руб.
70504151701

PLUG 1/8-27 N.P.T.

под заказ200 руб.
71504152104

Колпачок (Cap)

под заказ1030 руб.
72504151860

Подшипник Корпус (Bearing housing)

под заказ901 руб.
72501026800

LOGEMENT ROUL. *HOUSING-BEAR.W

под заказ830 руб.
ski-doo

Время выполнения запроса 1.5072679519653 сек.


 
 

данный сайт носит информационный характер и не является публичной офертой

склад запчастей для водомоторной техники