вконтакте

Контактный телефон: +7 (981) 121-46-93, +7 (800) 200-90-76 , Email: parts-katalog@yandex.ru, где купить

 
 

  Логин:

Пароль:

Регистрация

www.partskatalog.ru Все каталоги Запчасти Mercury Запчасти Suzuki Запчасти Tohatsu Запчасти Honda Контакты



УВАЖАЕМЫЕ КЛИЕНТЫ!
C 19 ДЕКАБРЯ 2025 ПО 02 МАРТА 2026 ГОДА ОТДЕЛ ЗАПЧАСТЕЙ И СЕРВИС РАБОТАТЬ НЕ БУДУТ
ПРОДАЖА ЛОДОЧНЫХ МОТОРОВ В ШТАТНОМ РЕЖИМЕ
ОБ ИЗМЕНЕНИЯХ В ГРАФИКЕ РАБОТЫ ЧИТАЙТЕ НА САЙТА




Выбрать другую модель

Раздел:   вперёд

вернуться к списку узлов и деталей

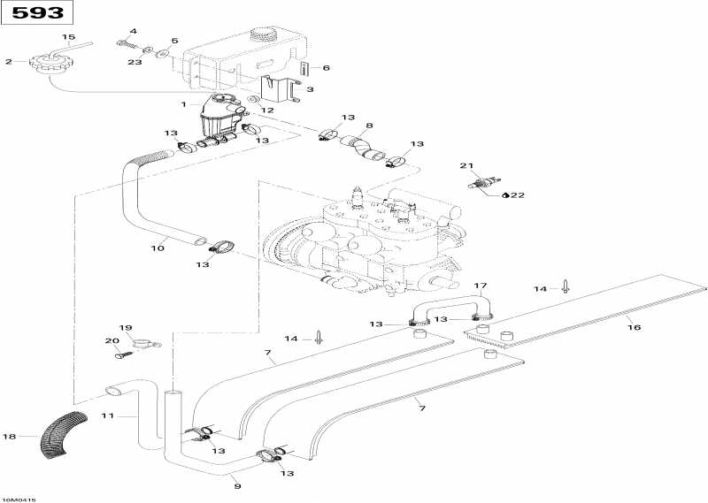
ДЕТАЛИРОВКА ДЛЯ МОДЕЛИ: SKIDOO Skandic SUV 600, 2004

Раздел: Охлаждение System (593) | Cooling System (593)


снегоход BRP SkiDoo - Охлаждение System (593)

Номер на
рисунке
АртикулНаименованиеКол-во
на складе
Цена
1 509000134

Tank Coolant (Tank Coolant)

под заказ6280 руб.
1 509000133

RES.ANTIGEL *TANK-COOLANT

под заказ3950 руб.
2 509000187

Pressure Колпачок (Pressure Cap)

под заказ2150 руб.
2 414684700

BOUCHON RADIAT.*CAP-PRESSURE

под заказ1680 руб.
2 SM-10005

     (не оригинальная запчасть) Крышка расширительного бачка BRP/Polaris SM-10005

под заказ890 руб.
3 M5347031

Tank Sвышеport (Tank Support)

под заказ727 руб.
4 M40322

Винт (Screw)

под заказпо запросу
5 M20009

Шайба 6.4 Din 9021 (Washer 6.4 Din 9021)

под заказпо запросу
6 M5447032

Lock (Lock)

под заказ215 руб.
7 M5146385

LH Radiator (LH Radiator)

под заказпо запросу
7 M5146386

RH Radiator (RH Radiator)

под заказпо запросу
8 M5348268

Шланг (Hose)

под заказпо запросу
9 M5346201

Шланг (Hose)

под заказпо запросу
10M5343357

Шланг (Hose)

под заказпо запросу
11605349198

Шланг (Hose)

под заказ3850 руб.
12M28022

Пыльник (Grommet)

под заказпо запросу
13408800400

Tridon Шестерня Струбцина (Tridon Gear Clamp)

под заказ1150 руб.
13740002006

COLLIER SERRAGE*CLAMP-GEAR

под заказ900 руб.
14M36108

Заклёпка (Rivet)

под заказпо запросу
15415080200

Line (Line)

под заказ1150 руб.
15709000183

BOYAU POLYURE *POLYURETHANE H

под заказпо запросу
16M5345916

Radiator (Radiator)

под заказпо запросу
17M5445970

Трубка (Tube)

под заказпо запросу
18M390003

Трубка (Tube)

под заказ183 руб.
19M27011

Зажим (Clip)

под заказ800 руб.
20M40327

Allen Винт M6 X 12 (Allen Screw M6 X 12)

под заказ53 руб.
21512047000

температура Датчик (Temperature Sensor)

под заказ3640 руб.
22293800018

Loctite 592, Трубка Сальникant, 50 ml (Loctite 592, Pipe Sealant, 50 ml)

под заказ2800 руб.
22413702300

ENDUIT ETANCHE *SEALANT-TEFLON

под заказ2360 руб.
23234161471

Шайба с блокировкой 6 mm (Lock Washer 6 mm)

под заказ130 руб.
23224761110

WASHER-LOCK THIN BLACK DIN.127

под заказ110 руб.
ski-doo

Время выполнения запроса 1.7862029075623 сек.


 
 

данный сайт носит информационный характер и не является публичной офертой

склад запчастей для водомоторной техники