вконтакте

Контактный телефон: +7 (981) 121-46-93, +7 (800) 200-90-76 , Email: parts-katalog@yandex.ru, где купить

 
 

  Логин:

Пароль:

Регистрация

www.partskatalog.ru Все каталоги Запчасти Mercury Запчасти Suzuki Запчасти Tohatsu Запчасти Honda Контакты


Выбрать другую модель

Раздел:   вперёд

вернуться к списку узлов и деталей

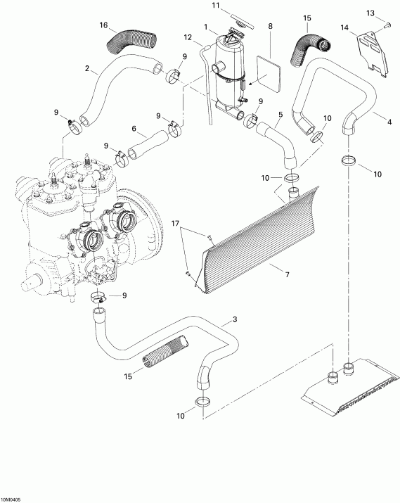
ДЕТАЛИРОВКА ДЛЯ МОДЕЛИ: SKIDOO MX Z 800 HO Adrenaline/X, 2004

Раздел: Охлаждение System | Cooling System


снегоход  MX Z 800 HO Adrenaline/X, 2004 раздел - Охлаждение System

Номер на
рисунке
АртикулНаименованиеКол-во
на складе
Цена
1 509000280

Coolant Tank (Coolant Tank)

под заказ5530 руб.
1 509000408

RES.ANTIGEL *TANK-COOLANT

под заказ6210 руб.
2 509000135

Двигатель вход Шланг (Engine Inlet Hose)

под заказ2430 руб.
2 509000001

BOYAU ENTRE MOT*HOSE-INLET ENG

под заказ1900 руб.
3 509000158

Двигатель выход Шланг (Engine Outlet Hose)

под заказ1210 руб.
3 509000334

BOYAU SORT.MOT.*HOSE-OUT.ENG.

под заказ1550 руб.
4 509000159

Radiator вход Шланг (Radiator Inlet Hose)

под заказ1070 руб.
4 509000335

HOSE-INLET RAD.

под заказ1370 руб.
5 509000266

Radiator выход Шланг (Radiator Outlet Hose)

под заказ1550 руб.
5 509000184

HOSE-OUT.RAD.

под заказ1210 руб.
6 509000161

Шланг (Hose)

под заказ470 руб.
6 509000129

BOYAU *HOSE

под заказ520 руб.
7 518323903

Front Radiator (Front Radiator)

под заказ31100 руб.
7 518323387

RADIATEUR AV.S.*FRONT RAD.-WELD.

под заказ24300 руб.
8 509000190

Refective Sheet (Refective Sheet)

под заказ1270 руб.
9 408800400

Tridon Шестерня Струбцина (Tridon Gear Clamp)

под заказ1150 руб.
9 740002006

COLLIER SERRAGE*CLAMP-GEAR

под заказ900 руб.
10509000181

Oetiker Шестерня Струбцина (Oetiker Gear Clamp)

под заказ213 руб.
11509000187

Pressure Колпачок (Pressure Cap)

под заказ2150 руб.
11414684700

BOUCHON RADIAT.*CAP-PRESSURE

под заказ1680 руб.
11SM-10005

     (не оригинальная запчасть) Крышка расширительного бачка BRP/Polaris SM-10005

под заказ890 руб.
12415110000

Polyurethane Шланг 5.2 mm (Polyurethane Hose 5.2 mm)

под заказ276 руб.
12709000017

BOYAU VENTIL. *HOSE-VENT

под заказ220 руб.
13241151640

Hex Фланецd Винт K50 X 16 (Hex Flanged Screw K50 X 16)

под заказ284 руб.
14509000257

Deflector (Deflector)

под заказ691 руб.
14509000163

DEFLECTOR

под заказ550 руб.
15409902200

Трубопровод (Tubing)

под заказ1150 руб.
15415116600

GAINE *PROTECTOR TUBE

под заказ900 руб.
16415084700

Protective Shield (Protective Shield)

под заказ292 руб.
16414991800

GAINE PROTECTR.*SHIELD-PROTEC.

под заказ230 руб.
17390402200

Заклёпка 3 / 16” (Rivet 3/16”)

под заказ138 руб.
ski-doo

Время выполнения запроса 3.5057179927826 сек.


 
 

данный сайт носит информационный характер и не является публичной офертой

склад запчастей для водомоторной техники