| |
Выбрать другую модель
вернуться к списку узлов и деталей ДЕТАЛИРОВКА ДЛЯ МОДЕЛИ: SKIDOO Skandic WT 600, 2005
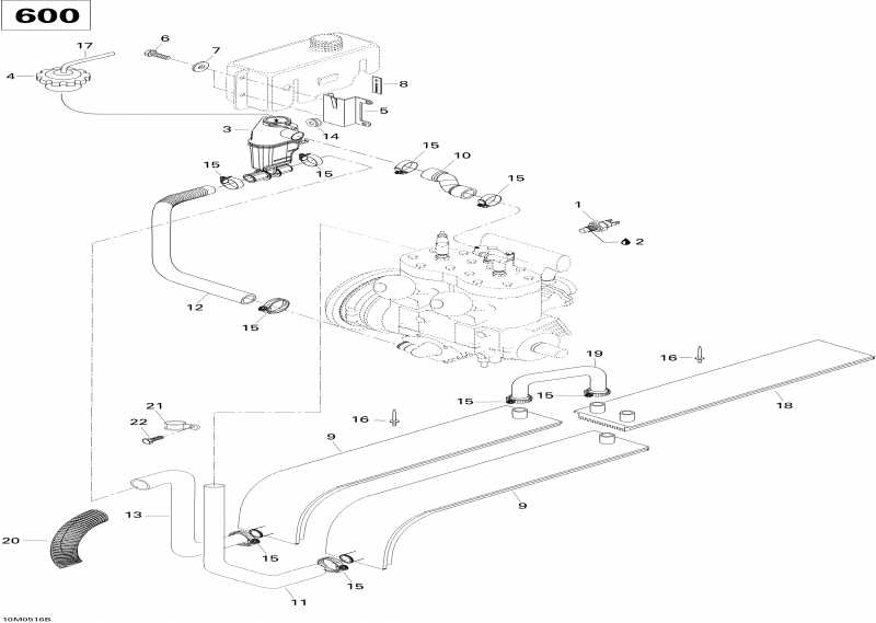
Раздел: Охлаждение System (600) | Cooling System (600)
Номер на рисунке | Артикул | Наименование | Кол-во на складе | Цена |
| 1 | 512047000 | температура Датчик (Temperature Sensor) | под заказ | 3640 руб. |
| 2 | 293800018 | Loctite 592, Трубка Сальникant, 50 ml (Loctite 592, Pipe Sealant, 50 ml) | под заказ | 2800 руб. |
| 2 | 413702300 | ENDUIT ETANCHE *SEALANT-TEFLON | под заказ | 2360 руб. |
| 3 | 509000134 | Tank Coolant (Tank Coolant) | под заказ | 6280 руб. |
| 3 | 509000133 | RES.ANTIGEL *TANK-COOLANT | под заказ | 3950 руб. |
| 4 | 509000187 | Pressure Колпачок (Pressure Cap) | под заказ | 2150 руб. |
| 4 | 414684700 | BOUCHON RADIAT.*CAP-PRESSURE | под заказ | 1680 руб. |
| 4 | SM-10005 | (не оригинальная запчасть) Крышка расширительного бачка BRP/Polaris SM-10005 | под заказ | 890 руб. |
| 5 | M5347031 | Tank Sвышеport (Tank Support) | под заказ | 727 руб. |
| 6 | M40322 | Винт (Screw) | под заказ | по запросу |
| 7 | M20009 | Шайба 6.4 Din 9021 (Washer 6.4 Din 9021) | под заказ | по запросу |
| 8 | M5447032 | Lock (Lock) | под заказ | 215 руб. |
| 9 | M5146385 | LH Radiator (LH Radiator) | под заказ | по запросу |
| 9 | M5146386 | RH Radiator (RH Radiator) | под заказ | по запросу |
| 10 | M5348268 | Шланг (Hose) | под заказ | по запросу |
| 11 | M5346201 | Шланг (Hose) | под заказ | по запросу |
| 12 | M5343357 | Шланг (Hose) | под заказ | по запросу |
| 13 | 605349198 | Шланг (Hose) | под заказ | 3850 руб. |
| 14 | M28022 | Пыльник (Grommet) | под заказ | по запросу |
| 15 | 408800400 | Tridon Шестерня Струбцина (Tridon Gear Clamp) | под заказ | 1150 руб. |
| 15 | 740002006 | COLLIER SERRAGE*CLAMP-GEAR | под заказ | 900 руб. |
| 16 | M36108 | Заклёпка (Rivet) | под заказ | по запросу |
| 17 | 415080200 | Line (Line) | под заказ | 1150 руб. |
| 17 | 709000183 | BOYAU POLYURE *POLYURETHANE H | под заказ | по запросу |
| 18 | M5345916 | Radiator (Radiator) | под заказ | по запросу |
| 19 | M5445970 | Трубка (Tube) | под заказ | по запросу |
| 20 | M28026 | Корпус (Housing) | под заказ | по запросу |
| 21 | M27011 | Зажим (Clip) | под заказ | 800 руб. |
| 22 | M40327 | Allen Винт M6 X 12 (Allen Screw M6 X 12) | под заказ | 53 руб. |

Время выполнения запроса 1.2120549678802 сек.
|
|