вконтакте

Контактный телефон: +7 (981) 121-46-93, +7 (800) 200-90-76 , Email: parts-katalog@yandex.ru, где купить

 
 

  Логин:

Пароль:

Регистрация

www.partskatalog.ru Все каталоги Запчасти Mercury Запчасти Suzuki Запчасти Tohatsu Запчасти Honda Контакты


Выбрать другую модель

назад Раздел:   вперёд

вернуться к списку узлов и деталей

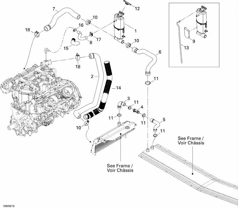
ДЕТАЛИРОВКА ДЛЯ МОДЕЛИ: SKIDOO Mach Z 1000 SDI Adrenaline & X, 2006

Раздел: Охлаждение System | Cooling System


snowmobile Skidoo Mach Z 1000 SDI Adrenaline & X, 2006 - Охлаждение System

Номер на
рисунке
АртикулНаименованиеКол-во
на складе
Цена
1 509000323

Coolant Tank (Coolant Tank)

под заказ6880 руб.
1 509000409

TANK-COOLANT

под заказ6210 руб.
2 509000395

Двигатель выход Шланг (Engine Outlet Hose)

под заказ3610 руб.
2 509000312

BOYAU SORTIE MO*HOSE-OUTLET EN

под заказ2820 руб.
3 509000337

Front Radiator выход Шланг (Front Radiator Outlet Hose)

под заказ853 руб.
4 509000336

T-fitting (T-fitting)

под заказпо запросу
5 509000338

Radiator вход Шланг (Radiator Inlet Hose)

под заказ1200 руб.
6 509000313

Radiator выход Шланг (Radiator Outlet Hose)

под заказ2250 руб.
7 509000351

Двигатель вход Шланг (Engine Inlet Hose)

под заказ1620 руб.
8 509000297

Bleed Шланг (Bleed Hose)

под заказ681 руб.
9 509000353

Foam (Foam)

под заказ157 руб.
10408800400

Tridon Шестерня Струбцина (Tridon Gear Clamp)

под заказ1150 руб.
10740002006

COLLIER SERRAGE*CLAMP-GEAR

под заказ900 руб.
11509000045

Oetiker Шестерня Струбцина (Oetiker Gear Clamp)

под заказ715 руб.
12509000187

Pressure Колпачок (Pressure Cap)

под заказ2150 руб.
12414684700

BOUCHON RADIAT.*CAP-PRESSURE

под заказ1680 руб.
12SM-10005

     (не оригинальная запчасть) Крышка расширительного бачка BRP/Polaris SM-10005

под заказ890 руб.
13415110000

Polyurethane Шланг 5.2 mm (Polyurethane Hose 5.2 mm)

под заказ276 руб.
13709000017

BOYAU VENTIL. *HOSE-VENT

под заказ220 руб.
14515176260

Трубопровод 35 мм (Tubing 35mm)

под заказ859 руб.
15415080000

Трубопровод, 16 mm (Tubing, 16 mm)

под заказ715 руб.
15513033461

PROTECTOR TUBE

под заказ560 руб.
16513033029

Пружина Струбцина (Spring Clamp)

под заказ215 руб.
17293650170

Tridon Шланг Струбцина (Tridon Hose Clamp)

под заказ284 руб.
17293650128

BRIDE SERRAGE *HOSE CLAMP

под заказ230 руб.
18509000352

Aba Шестерня Струбцина (Aba Gear Clamp)

под заказ601 руб.
ski-doo

Время выполнения запроса 1.153135061264 сек.


 
 

данный сайт носит информационный характер и не является публичной офертой

склад запчастей для водомоторной техники