вконтакте

Контактный телефон: +7 (981) 121-46-93, +7 (800) 200-90-76 , Email: parts-katalog@yandex.ru, где купить

 
 

  Логин:

Пароль:

Регистрация

www.partskatalog.ru Все каталоги Запчасти Mercury Запчасти Suzuki Запчасти Tohatsu Запчасти Honda Контакты



УВАЖАЕМЫЕ КЛИЕНТЫ!
C 19 ДЕКАБРЯ 2025 ПО 02 МАРТА 2026 ГОДА ОТДЕЛ ЗАПЧАСТЕЙ И СЕРВИС РАБОТАТЬ НЕ БУДУТ
ПРОДАЖА ЛОДОЧНЫХ МОТОРОВ В ШТАТНОМ РЕЖИМЕ
ОБ ИЗМЕНЕНИЯХ В ГРАФИКЕ РАБОТЫ ЧИТАЙТЕ НА САЙТА




Выбрать другую модель

назад Раздел:   вперёд

вернуться к списку узлов и деталей

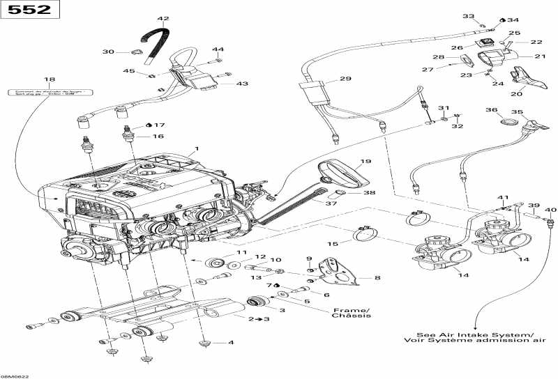
ДЕТАЛИРОВКА ДЛЯ МОДЕЛИ: SKIDOO Expedition 550F, 2006

Раздел: Двигатель и Двигатель Sвышеport | Engine And Engine Support


Expedition 550F, 2006 раздел - Двигатель и Двигатель Sвышеport

Номер на
рисунке
АртикулНаименованиеКол-во
на складе
Цена
1 400509763

Двигатель 552 (Engine 552)

под заказпо запросу
2 512060034

Двигатель Sвышеport (Engine Support)

под заказ13120 руб.
2 512059885

SOCLE *ENGINE SUPPORT

под заказ10260 руб.
3 512059691

Монтажная резинка (Rubber Mount)

под заказ4070 руб.
3 SM-09556

     (не оригинальная запчасть) Опора (подушка) двигателя BRP SM-09556

под заказ2 160 руб.
4 233201414

Elastic Фланецd Гайка M10 (Elastic Flanged Nut M10)

под заказ276 руб.
4 228701045

NUT-FLANGE ELASTIC DIN.6926

под заказ220 руб.
5 506151251

Шайба (Washer)

под заказ335 руб.
6 205002544

Socket Head Винт M10 X 25 (Socket Head Screw M10 X 25)

под заказ284 руб.
6 222902565

SCREW-SOCKET HD.DIN 912

под заказ230 руб.
7 413703400

Loctite 222, 10 Cc (Loctite 222, 10 Cc)

под заказ1580 руб.
8 512059910

Sвышеport Пластина (Support Plate)

под заказ1790 руб.
9 207561244

Hex Фланецd Винт M6 X 12, Scotch Рукоятка (Hex Flanged Screw M6 X 12, Scotch Grip)

под заказ284 руб.
10512058800

Стопор Винт (Stopper Screw)

под заказ973 руб.
11512059610

Стопор (Stopper)

под заказ1300 руб.
12512059057

Шайба (Washer)

под заказ106 руб.
125147306

WASHER (512059057)

под заказ120 руб.
13732610019

RH Hex Jam Гайка M12 (RH Hex Jam Nut M12)

под заказ242 руб.
14403138772

Карбюратор Vm-34-616 (Carburetor Vm-34-616)

под заказ29400 руб.
15512059834

Gemi Струбцина (Gemi Clamp)

под заказ181 руб.
16414961100

Свеча зажигания, NGK Br9es (Spark Plug, NGK Br9es)

под заказ166 руб.
16414567000

BOUGIE BR9ES *PLUG-SPARK

под заказ170 руб.
17293550004

Dielectric Смазка, 150 g (Dielectric Grease, 150 g)

под заказ4740 руб.
17747018002

GRAISSE *GREASE

под заказ3710 руб.
18516000986

Наклейка - свеча зажигания (Spark Plug Decal)

под заказ333 руб.
19572084400

Стартер Рукоятка (Starter Grip)

под заказ1050 руб.
19512059503

POIGNEE DEMAR.R*GRIP-STARTER SCARL

под заказпо запросу
19SM-12167

     (не оригинальная запчасть) Ручка стартера SM-12167

под заказ740 руб.
20512059997

Handle в сборе (Handle Assy)

под заказ2650 руб.
20512060214

MANETTE ASS. *HANDLE-ASSY

под заказ4290 руб.
21512059334

Дроссель Handle Корпус (Throttle Handle Housing)

под заказ5620 руб.
21512060193

LOGEMENT ACC. *HOUSING-THROTTLE

под заказ6120 руб.
22414438700

Рычаг Штифт (Lever Pin)

под заказ803 руб.
23234051600

плоский Шайба M5 (Flat Washer M5)

под заказ130 руб.
23290827803

RONDELLE *WASHER

под заказ110 руб.
24414439000

Стопорное кольцо (Circlip)

под заказ354 руб.
25414440800

Установочный винт M8 X 10 (Set Screw M8 X 10)

под заказ290 руб.
25114144408

SCREW

под заказ220 руб.
26515176091

Kill Переключатель (Kill Switch)

под заказпо запросу
26515177061

Kill Switch

под заказ5510 руб.
26SM-01572

     (не оригинальная запчасть) Кнопка выключения двигателя BRP SM-01572

под заказ3 390 руб.
27250000022

Phillips Винт (Phillips Screw)

под заказ173 руб.
27732601255

SCREW-FORMING PAN HD.TYPE25

под заказ140 руб.
28512059507

Пластина (Plate)

под заказ601 руб.
28572099400

PLAQUE *PLATE

под заказ300 руб.
29512059973

Тросик дросселя (Throttle Cable)

под заказ7360 руб.
30414115200

Tie-Rap 180 mm (Tie-Rap 180 mm)

под заказ130 руб.
30414587300

TIE RAP *TIE-RAP

под заказ110 руб.
31234081100

плоский Шайба 8 mm (Flat Washer 8 mm)

под заказ263 руб.
31211200023

WASHER-FLAT DIN.125A

под заказ210 руб.
32414753500

Стопорное кольцо (Circlip)

под заказ130 руб.
33414274500

Стопорное кольцо (Circlip)

под заказ138 руб.
34293550004

Dielectric Смазка, 150 g (Dielectric Grease, 150 g)

под заказ4740 руб.
34747018002

GRAISSE *GREASE

под заказ3710 руб.
35512059914

Choke Кабели (Choke Cable)

под заказ6210 руб.
36512060016

пластиковый Гайка (Plastic Nut)

под заказ326 руб.
36512060671

NUT-PLASTIC

под заказ80 руб.
37512059535

Направляющая шнура (Rope Guide)

под заказ992 руб.
38512059536

Трубка (Tube)

под заказ691 руб.
39415080200

Line (Line)

под заказ1150 руб.
39709000183

BOYAU POLYURE *POLYURETHANE H

под заказпо запросу
40414580600

Elbow Male Коннектор (Elbow Male Connector)

под заказ428 руб.
40414362500

RACCORD MALE *CONNECTOR-MALE

под заказ340 руб.
41572045500

T-Коннектор (T-Connector)

под заказ529 руб.
42409901700

Трубопровод, 9 mm (Tubing, 9 mm)

под заказ715 руб.
43512060040

Calibrated Module (Calibrated Module)

под заказ40700 руб.
43512059945

MODULE CALIBRE *MODULE-CALIB.

под заказ33600 руб.
43SU-01182

     (не оригинальная запчасть) Катушка зажигания BRP SU-01182

под заказ42 490 руб.
44207662044

Hex. Фланецd Винт M6 X 20 (Hex. Flanged Screw M6 X 20)

под заказ284 руб.
45233261414

Elastic Фланецd Гайка M6 (Elastic Flanged Nut M6)

под заказ284 руб.
ski-doo

Время выполнения запроса 7.0551798343658 сек.


 
 

данный сайт носит информационный характер и не является публичной офертой

склад запчастей для водомоторной техники