| |
Выбрать другую модель
вернуться к списку узлов и деталей ДЕТАЛИРОВКА ДЛЯ МОДЕЛИ: SKIDOO Summit Highmark & Highmark X 1000 SDI, 2007
Раздел: Охлаждение System | Cooling System
Номер на рисунке | Артикул | Наименование | Кол-во на складе | Цена |
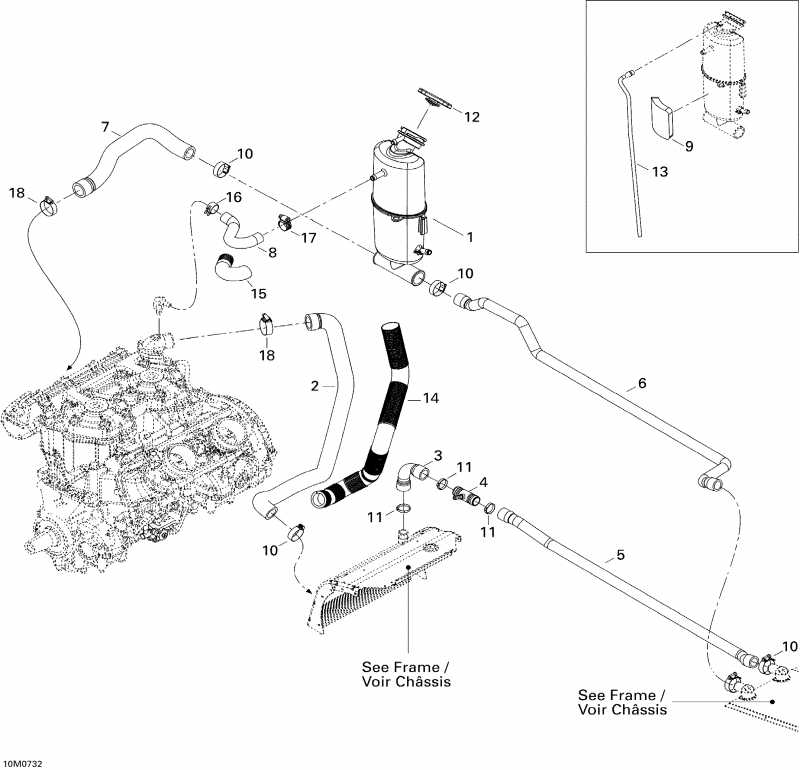
| 1 | 509000409 | Coolant Tank (Coolant Tank) | под заказ | 6210 руб. |
| 1 | 509000323 | RES.ANTIGEL *TANK-COOLANT | под заказ | 6880 руб. |
| 2 | 509000395 | Двигатель выход Шланг (Engine Outlet Hose) | под заказ | 3610 руб. |
| 2 | 509000312 | BOYAU SORTIE MO*HOSE-OUTLET EN | под заказ | 2820 руб. |
| 3 | 509000337 | Front Radiator выход Шланг (Front Radiator Outlet Hose) | под заказ | 853 руб. |
| 4 | 509000336 | T-fitting (T-fitting) | под заказ | по запросу |
| 5 | 509000394 | Radiator выход Jose (Radiator Outlet Jose) | под заказ | 4350 руб. |
| 6 | 509000386 | Radiator выход Jose (Radiator Outlet Jose) | под заказ | 5730 руб. |
| 7 | 509000351 | Двигатель вход Шланг (Engine Inlet Hose) | под заказ | 1620 руб. |
| 8 | 509000297 | Bleed Шланг (Bleed Hose) | под заказ | 681 руб. |
| 9 | 509000353 | Foam (Foam) | под заказ | 157 руб. |
| 10 | 408800400 | Tridon Шестерня Струбцина (Tridon Gear Clamp) | под заказ | 1150 руб. |
| 10 | 740002006 | COLLIER SERRAGE*CLAMP-GEAR | под заказ | 900 руб. |
| 11 | 509000045 | Oetiker Шестерня Струбцина (Oetiker Gear Clamp) | под заказ | 715 руб. |
| 12 | 509000187 | Pressure Колпачок (Pressure Cap) | под заказ | 2150 руб. |
| 12 | 414684700 | BOUCHON RADIAT.*CAP-PRESSURE | под заказ | 1680 руб. |
| 12 | SM-10005 | (не оригинальная запчасть) Крышка расширительного бачка BRP/Polaris SM-10005 | под заказ | 890 руб. |
| 13 | 415110000 | Polyurethane Шланг 5.2 mm (Polyurethane Hose 5.2 mm) | под заказ | 276 руб. |
| 13 | 709000017 | BOYAU VENTIL. *HOSE-VENT | под заказ | 220 руб. |
| 14 | 515176260 | Трубопровод 35 мм (Tubing 35mm) | под заказ | 859 руб. |
| 15 | 415080000 | Трубопровод 16 mm (Tubing 16 mm) | под заказ | 715 руб. |
| 15 | 513033461 | PROTECTOR TUBE | под заказ | 560 руб. |
| 16 | 513033029 | Пружина Струбцина (Spring Clamp) | под заказ | 215 руб. |
| 17 | 293650170 | Шланг Струбцина (Hose Clamp) | под заказ | 284 руб. |
| 17 | 293650128 | BRIDE SERRAGE *HOSE CLAMP | под заказ | 230 руб. |
| 18 | 509000352 | Aba Шестерня Струбцина (Aba Gear Clamp) | под заказ | 601 руб. |

Время выполнения запроса 0.99514603614807 сек.
|
|