вконтакте

Контактный телефон: +7 (981) 121-46-93, +7 (800) 200-90-76 , Email: parts-katalog@yandex.ru, где купить

 
 

  Логин:

Пароль:

Регистрация

www.partskatalog.ru Все каталоги Запчасти Mercury Запчасти Suzuki Запчасти Tohatsu Запчасти Honda Контакты


Выбрать другую модель

назад Раздел:   вперёд

вернуться к списку узлов и деталей

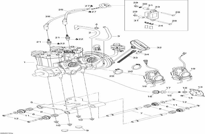
ДЕТАЛИРОВКА ДЛЯ МОДЕЛИ: SKIDOO MX Z 440X Racing, 2007

Раздел: Двигатель 1 | Engine 1


снегоход Ski Doo - Двигатель 1

Номер на
рисунке
АртикулНаименованиеКол-во
на складе
Цена
1 400409438

Двигатель 453 (Engine 453)

под заказ448700 руб.
1 400409439

Двигатель 453. Европа (Engine 453. Europe)

под заказпо запросу
2 409901800

Трубопровод 13 mm (Tubing 13 mm)

под заказ109 руб.
2 414612400

GAINE *HOUSING

под заказпо запросу
3 415079900

Трубопровод 10 mm (Tubing 10 mm)

под заказ284 руб.
3 710001437

GAINE *PROTECTOR TUBE

под заказ230 руб.
4 293740005

Vinyl Tape 3 / 4", чёрный (Vinyl Tape 3/4", Black)

под заказпо запросу
5 512060051

Двигатель Sвышеport (Engine Support)

под заказ10470 руб.
5 512059754

ENGINE SUPPORT

под заказ8190 руб.
6 512059777

Монтажная резинка (Rubber Mount)

под заказ4070 руб.
6 420460155

TAMPON ANCRAGE *RUBBER MOUNT

под заказпо запросу
7 512059776

Threaded Тяга (Threaded Rod)

под заказ1620 руб.
8 512059781

Резиновый демпфер (Rubber Damper)

под заказ365 руб.
9 512059738

Стопор (Stopper)

под заказ1710 руб.
10233201414

Hex Фланецd Elastic Гайка M10 (Hex Flanged Elastic Nut M10)

под заказ276 руб.
10228701045

NUT-FLANGE ELASTIC DIN.6926

под заказ220 руб.
11506151251

Шайба (Washer)

под заказ335 руб.
12250000252

Torx Винт M10 X 50 (Torx Screw M10 X 50)

под заказ226 руб.
12250000131

SCREW-SOCKET DIN.912 NYLON PATCH

под заказпо запросу
13512059840

Пластина (Plate)

под заказ2080 руб.
13512059747

PLAQUE APP.SOUD*PLATE-WELD.

под заказ1630 руб.
14207561244

Hex Фланецd Винт M6 X 12, Scotch Рукоятка (Hex Flanged Screw M6 X 12, Scotch Grip)

под заказ284 руб.
15250500007

Стопор Винт (Stopper Screw)

под заказ2210 руб.
16512059741

Стопор (Stopper)

под заказ1300 руб.
17512059775

Шайба (Washer)

под заказ505 руб.
18232170411

Hex. Jam Гайка M14 (Hex. Jam Nut M14)

под заказ284 руб.
18228371042

NUT-JAM HEXAGONAL DIN.439B

под заказ230 руб.
19403138795

Carburator TMX34-34 (Carburator TMX34-34)

под заказ46400 руб.
19403138799

Carburator TMX34-38. Европа (Carburator TMX34-38. Europe)

под заказ42800 руб.
20512059834

Gemi Струбцина (Gemi Clamp)

под заказ181 руб.
21512059552

Свеча зажигания, NGK Br9ecs, 0.5 mm (Spark Plug, NGK Br9ecs, 0.5 mm)

под заказ720 руб.
22293550004

Dielectric Смазка, 150 g (Dielectric Grease, 150 g)

под заказ4740 руб.
22747018002

GRAISSE *GREASE

под заказ3710 руб.
23512059968

Катушка зажигания (Ignition Coil)

под заказ4710 руб.
23SM-01224

     (не оригинальная запчасть) Катушка зажигания BRP SM-01224

под заказ3 630 руб.
24410914600

пластиковый Зажим, Свеча зажигания Провод (Plastic Clip, Spark Plug Wire)

под заказ572 руб.
25512059695

Кабели Ass’y, 300 mm (Cable Ass’y, 300 mm)

под заказ4210 руб.
26512059696

Кабели Ass’y, 375 mm (Cable Ass’y, 375 mm)

под заказ6140 руб.
26512059485

CABLE ASS.380MM*CABLE-ASSY 380MM

под заказ3140 руб.
27293550004

Dielectric Смазка, 150 g (Dielectric Grease, 150 g)

под заказ4740 руб.
27747018002

GRAISSE *GREASE

под заказ3710 руб.
28207066044

Hex Винт M6 X 60 (Hex Screw M6 X 60)

под заказ284 руб.
28222066065

SCREW-HEX.CAP DIN.931

под заказ230 руб.
29233261414

Hex Фланецd Elastic Гайка M6 (Hex Flanged Elastic Nut M6)

под заказ284 руб.
30394001900

External Tooth Шайба с блокировкой (External Tooth Lock Washer)

под заказ130 руб.
31517203200

Проставка (Spacer)

под заказ1580 руб.
32572084400

Стартер Рукоятка (Starter Grip)

под заказ1050 руб.
32512059503

POIGNEE DEMAR.R*GRIP-STARTER SCARL

под заказпо запросу
32SM-12167

     (не оригинальная запчасть) Ручка стартера SM-12167

под заказ740 руб.
33512059535

Направляющая шнура (Rope Guide)

под заказ992 руб.
34512059536

Трубка (Tube)

под заказ691 руб.
ski-doo

Время выполнения запроса 1.2258379459381 сек.


 
 

данный сайт носит информационный характер и не является публичной офертой

склад запчастей для водомоторной техники