вконтакте

Контактный телефон: +7 (981) 121-46-93, +7 (800) 200-90-76 , Email: parts-katalog@yandex.ru, где купить

 
 

  Логин:

Пароль:

Регистрация

www.partskatalog.ru Все каталоги Запчасти Mercury Запчасти Suzuki Запчасти Tohatsu Запчасти Honda Контакты



УВАЖАЕМЫЕ КЛИЕНТЫ!
C 19 ДЕКАБРЯ 2025 ПО 02 МАРТА 2026 ГОДА ОТДЕЛ ЗАПЧАСТЕЙ И СЕРВИС РАБОТАТЬ НЕ БУДУТ
ПРОДАЖА ЛОДОЧНЫХ МОТОРОВ В ШТАТНОМ РЕЖИМЕ
ОБ ИЗМЕНЕНИЯХ В ГРАФИКЕ РАБОТЫ ЧИТАЙТЕ НА САЙТА




Выбрать другую модель

назад Раздел:   вперёд

вернуться к списку узлов и деталей

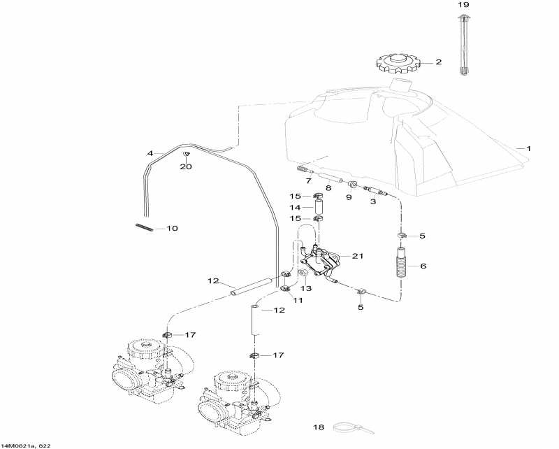
ДЕТАЛИРОВКА ДЛЯ МОДЕЛИ: SKIDOO Skandic WT 550F, 2008

Раздел: Топливная система 550f | Fuel System 550f


snowmobile SKIDOO модификация Skandic WT 550F, 2008 - Fuel System 550f

Номер на
рисунке
АртикулНаименованиеКол-во
на складе
Цена
1 605154804

Топливный бак (Fuel Tank)

под заказ22300 руб.
2 580259400

Колпачок (Cap)

под заказпо запросу
2 580258900

BOUCHON RES.ESS*CAP-FUEL TANK

под заказпо запросу
2 SM-07093

     (не оригинальная запчасть) Крышка топливного бака BRP SM-07093

под заказ1 730 руб.
2 AT-07559

     (не оригинальная запчасть) Крышка топливного бака универсальная AT-07559

под заказ3 830 руб.
3 414872700

Male Коннектор (Male Connector)

под заказ133 руб.
4 M39035

Шланг (Hose)

под заказ505 руб.
5 513032923

Трубка Струбцина (Tube Clamp)

под заказ215 руб.
6 M27127

Трубопровод (Tubing)

под заказпо запросу
7 414872100

Топливный фильтр (Fuel Filter)

под заказ1150 руб.
7 07-241-02

     (не оригинальная запчасть) Фильтр топливный в бак BRP/Polaris 07-241-02

под заказ720 руб.
8 415110000

Polyurethane Шланг 5.2 mm (Polyurethane Hose 5.2 mm)

под заказ276 руб.
8 709000017

BOYAU VENTIL. *HOSE-VENT

под заказ220 руб.
9 570273900

Пыльник (Grommet)

под заказ978 руб.
9 707800347

PASSE-FILS *GROMMET

под заказ1150 руб.
9 SM-07402

     (не оригинальная запчасть) Втулка топливной системы BRP SM-07402

под заказ140 руб.
10M25003

Пружина (Spring)

под заказ1580 руб.
11414420700

Пружина Зажим (Spring Clip)

под заказ138 руб.
1127414420700

SPRING CLIP 414420700

под заказ110 руб.
12415080200

Polyurethane Шланг (Polyurethane Hose)

под заказ1150 руб.
12709000183

BOYAU POLYURE *POLYURETHANE H

под заказпо запросу
13232561414

Эластичная гайка со стопором M6 (Elastic Stop Nut M6)

под заказ130 руб.
13420842040

NUT-STOP ELASTIC DIN.985

под заказ110 руб.
14605355647

Шланг 1 / 4, 350 mm (Hose 1/4, 350 mm)

под заказ1800 руб.
15513032979

Пружина Струбцина (Spring Clamp)

под заказ428 руб.
17414415200

Universal Пружина Струбцина (Universal Spring Clamp)

под заказ138 руб.
18414115200

Tie-Rap 180 mm (Tie-Rap 180 mm)

под заказ130 руб.
18414587300

TIE RAP *TIE-RAP

под заказ110 руб.
19605351982

Fuel Gauge (Fuel Gauge)

под заказ3860 руб.
20570273900

Пыльник (Grommet)

под заказ978 руб.
20707800347

PASSE-FILS *GROMMET

под заказ1150 руб.
20SM-07402

     (не оригинальная запчасть) Втулка топливной системы BRP SM-07402

под заказ140 руб.
21M19113

Топливный насос (Fuel Pump)

под заказпо запросу
ski-doo

Время выполнения запроса 2.0403780937195 сек.


 
 

данный сайт носит информационный характер и не является публичной офертой

склад запчастей для водомоторной техники