вконтакте

Контактный телефон: +7 (981) 121-46-93, +7 (800) 200-90-76 , Email: parts-katalog@yandex.ru, где купить

 
 

  Логин:

Пароль:

Регистрация

www.partskatalog.ru Все каталоги Запчасти Mercury Запчасти Suzuki Запчасти Tohatsu Запчасти Honda Контакты


Выбрать другую модель

назад Раздел:   вперёд

вернуться к списку узлов и деталей

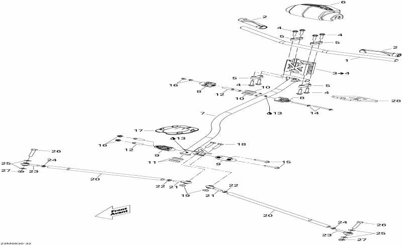
ДЕТАЛИРОВКА ДЛЯ МОДЕЛИ: SKIDOO MX Z ADRENALINE 600 HO SDI, 2008

Раздел: Рулевая система | Steering


snowmobile  MX Z ADRENALINE 600 HO SDI, 2008 раздел - Steering

Номер на
рисунке
АртикулНаименованиеКол-во
на складе
Цена
1 506152203

Handle Bar (Handle Bar)

под заказ6930 руб.
2 506152211

Handle Рукоятка (Handle Grip)

под заказ4710 руб.
2 506152120

GAINE POIGNEE *GRIP-HANDLE

под заказ3200 руб.
3 860200121

Рулевая система Riser Kit. Includes 3 to 4 (Steering Riser Kit. Includes 3 to 4)

под заказпо запросу
3 860200268

GUIDON SURELEVE*RISER KIT

под заказпо запросу
4 250000285

Hex. Фланецd Винт M8 x 40 (Hex. Flanged Screw M8 x 40)

под заказ284 руб.
5 506152175

Рулевая опора (Steering Support)

под заказ480 руб.
5 506152395

SUPPORT GUIDON *STEERING SUPPORT

под заказ530 руб.
5 SM-08751

     (не оригинальная запчасть) Комплект хомутов крепления руля BRP SM-08751

под заказ3 640 руб.
6 506152192

Рулевая колодка (Steering Pad)

под заказ3930 руб.
7 506152294

Main Трубка (Main Tube)

под заказпо запросу
7 506152101

ARBRE DIR.PEINT*TUBE-MAIN PAINT

под заказпо запросу
8 506152219

верхний Half Корпус (Upper Half Housing)

под заказ125 руб.
9 506152217

нижний Half Корпус (Lower Half Housing)

под заказ409 руб.
9 SM-08758

     (не оригинальная запчасть) Вкладыш рулевой колонки (нижний) BRP SM-08758

под заказ3 620 руб.
10506152292

верхний Vibration Кольцо (Upper Vibration Ring)

под заказ53 руб.
10506152509

JOINT VIB. *VIBRAT. GASKET

под заказ330 руб.
11506152218

нижний Vibration Кольцо (Lower Vibration Ring)

под заказ156 руб.
11506152518

JOINT VIB. *VIBRAT. GASKET

под заказ330 руб.
11SM-08758

     (не оригинальная запчасть) Вкладыш рулевой колонки (нижний) BRP SM-08758

под заказ3 620 руб.
12506152297

Корпус Втулка (Housing Bushing)

под заказ734 руб.
13219700417

Synthetic Смазка, 400 g (Synthetic Grease, 400 g)

под заказ7860 руб.
13293550033

SYNTHETIC GREASE 10X14OZ (1шт=1кор=10 туб)

под заказ10050 руб.
14207667086

Hex. Фланецd Винт M6 x 70 (Hex. Flanged Screw M6 x 70)

под заказ284 руб.
15207666534

Hex. Фланецd Винт M6 x 65 (Hex. Flanged Screw M6 x 65)

под заказ284 руб.
16233261416

Elastic Фланецd Гайка M6 (Elastic Flanged Nut M6)

под заказ284 руб.
17506152163

Пластина (Plate)

под заказ734 руб.
18207004034

Шестигранный винт M10 X 40 (Hex. Screw M10 X 40)

под заказ284 руб.
19232500416

Эластичная гайка со стопором M10 (Elastic Stop Nut M10)

под заказ284 руб.
19732610018

NUT-STOP ELASTIC DIN.985

под заказ230 руб.
20506152095

Tie Тяга (Tie Rod)

под заказ2960 руб.
20506152496

ROD-TIE

под заказ4290 руб.
21506152081

LH Шаровое соединение (LH Ball Joint)

под заказ2920 руб.
21506151828

JOINT ROTULE *BALL JOINT

под заказпо запросу
21SM-08401

     (не оригинальная запчасть) Рулевой наконечник BRP (левая резьба) SM-08401

под заказ1 920 руб.
22250100016

LH Hex. Jam Гайка M10 (LH Hex. Jam Nut M10)

под заказ130 руб.
22732610011

NUT-JAM HEXAGONAL LH.

под заказ110 руб.
23506152019

RH Шаровое соединение (RH Ball Joint)

под заказ2920 руб.
23SM-08402

     (не оригинальная запчасть) Рулевой наконечник BRP (правая резьба) SM-08402

под заказ1 870 руб.
24732610010

RH Hex. Jam Гайка M10 (RH Hex. Jam Nut M10)

под заказ284 руб.
25506152194

Шайба (Washer)

под заказ284 руб.
26207005544

Шестигранный винт M10 X 55 (Hex. Screw M10 X 55)

под заказ284 руб.
26222005565

SCREW-HEX.CAP ISO.4014

под заказ230 руб.
27232500416

Эластичная гайка со стопором M10 (Elastic Stop Nut M10)

под заказ284 руб.
27732610018

NUT-STOP ELASTIC DIN.985

под заказ230 руб.
28506152334

Подушка (Cushion)

под заказ702 руб.
28506152302

COUSSINET *CUSHION

под заказ550 руб.
ski-doo

Время выполнения запроса 6.3623650074005 сек.


 
 

данный сайт носит информационный характер и не является публичной офертой

склад запчастей для водомоторной техники