вконтакте

Контактный телефон: +7 (981) 121-46-93, +7 (800) 200-90-76 , Email: parts-katalog@yandex.ru, где купить

 
 

  Логин:

Пароль:

Регистрация

www.partskatalog.ru Все каталоги Запчасти Mercury Запчасти Suzuki Запчасти Tohatsu Запчасти Honda Контакты


Выбрать другую модель

назад Раздел:   вперёд

вернуться к списку узлов и деталей

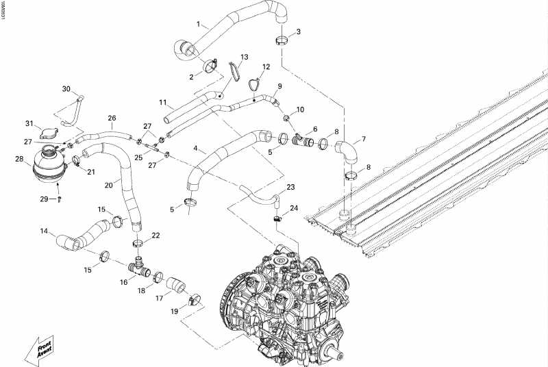
ДЕТАЛИРОВКА ДЛЯ МОДЕЛИ: SKIDOO MX Z X 600RS, 2009

Раздел: Охлаждение System | Cooling System


снегоход BRP SkiDoo модификация MX Z X 600RS, 2009 - Cooling System

Номер на
рисунке
АртикулНаименованиеКол-во
на складе
Цена
1 509000431

Двигатель выход Шланг (Engine Outlet Hose)

под заказ2570 руб.
2 509000443

Aba Шестерня Струбцина (Aba Gear Clamp)

под заказ800 руб.
3 509000529

Oetiker Шестерня Струбцина (Oetiker Gear Clamp)

под заказ715 руб.
4 509000553

Radiator Шланг (Radiator Hose)

под заказ2130 руб.
4 509000670

BOYAU INTER RAD*HOSE-RADIATOR

под заказ2710 руб.
5 509000606

Шестерня Струбцина (Gear Clamp)

под заказ311 руб.
6 509000510

T-Fitting (T-Fitting)

под заказ614 руб.
6 509000336

RACCORD EN T *T-FITTING

под заказпо запросу
7 509000554

Radiator Шланг (Radiator Hose)

под заказ902 руб.
8 509000606

Шестерня Струбцина (Gear Clamp)

под заказ311 руб.
9 509000503

Сапун шланга (Breather Hose)

под заказ2000 руб.
10293650047

Oetiker Струбцина (Oetiker Clamp)

под заказ284 руб.
11415080000

Трубопровод 16 mm (Tubing 16 mm)

под заказ715 руб.
11513033461

PROTECTOR TUBE

под заказ560 руб.
12414115200

Tie-Rap 180 mm (Tie-Rap 180 mm)

под заказ130 руб.
12414587300

TIE RAP *TIE-RAP

под заказ110 руб.
13414115200

Tie-Rap 180 mm (Tie-Rap 180 mm)

под заказ130 руб.
13414587300

TIE RAP *TIE-RAP

под заказ110 руб.
14509000491

Radiator Шланг (Radiator Hose)

под заказ1210 руб.
14509000673

BOYAU RADIATEUR*RADIATOR HOSE

под заказ1710 руб.
15509000606

Шестерня Струбцина (Gear Clamp)

под заказ311 руб.
16509000372

T-Fitting (T-Fitting)

под заказ859 руб.
17509000557

Radiator Шланг (Radiator Hose)

под заказпо запросу
17509000413

BOYAU RADIATEUR*RADIATOR HOSE

под заказпо запросу
18509000181

Oetiker Шестерня Струбцина (Oetiker Gear Clamp)

под заказ213 руб.
19509000443

Aba Шестерня Струбцина (Aba Gear Clamp)

под заказ800 руб.
20509000551

Filling Шланг (Filling Hose)

под заказ2500 руб.
21293650051

Tridon Шестерня Струбцина (Tridon Gear Clamp)

под заказ428 руб.
21711251032

BRIDE *CLAMP

под заказ340 руб.
22293650099

Oetiker Шестерня Струбцина (Oetiker Gear Clamp)

под заказ428 руб.
23509000518

Bleeder Шланг (Bleeder Hose)

под заказ1780 руб.
24293650170

Шланг Струбцина (Hose Clamp)

под заказ284 руб.
24293650128

BRIDE SERRAGE *HOSE CLAMP

под заказ230 руб.
25293710024

T-Fitting (T-Fitting)

под заказ1000 руб.
26509000519

Bleeder Шланг (Bleeder Hose)

под заказ1780 руб.
27293650046

Oetiker Струбцина (Oetiker Clamp)

под заказ284 руб.
28509000421

Coolant Tank (Coolant Tank)

под заказ6360 руб.
29241151640

Hex. Фланецd Винт K50 X 16 (Hex. Flanged Screw K50 X 16)

под заказ284 руб.
30415110000

Polyurethane Шланг 5.2 mm (Polyurethane Hose 5.2 mm)

под заказ276 руб.
30709000017

BOYAU VENTIL. *HOSE-VENT

под заказ220 руб.
31509000187

Pressure Колпачок (Pressure Cap)

под заказ2150 руб.
31414684700

BOUCHON RADIAT.*CAP-PRESSURE

под заказ1680 руб.
31SM-10005

     (не оригинальная запчасть) Крышка расширительного бачка BRP/Polaris SM-10005

под заказ890 руб.
ski-doo

Время выполнения запроса 1.2510390281677 сек.


 
 

данный сайт носит информационный характер и не является публичной офертой

склад запчастей для водомоторной техники