вконтакте

Контактный телефон: +7 (981) 121-46-93, +7 (800) 200-90-76 , Email: parts-katalog@yandex.ru, где купить

 
 

  Логин:

Пароль:

Регистрация

www.partskatalog.ru Все каталоги Запчасти Mercury Запчасти Suzuki Запчасти Tohatsu Запчасти Honda Контакты



УВАЖАЕМЫЕ КЛИЕНТЫ!
C 19 ДЕКАБРЯ 2025 ПО 02 МАРТА 2026 ГОДА ОТДЕЛ ЗАПЧАСТЕЙ И СЕРВИС РАБОТАТЬ НЕ БУДУТ
ПРОДАЖА ЛОДОЧНЫХ МОТОРОВ В ШТАТНОМ РЕЖИМЕ
ОБ ИЗМЕНЕНИЯХ В ГРАФИКЕ РАБОТЫ ЧИТАЙТЕ НА САЙТА




Выбрать другую модель

назад Раздел:   вперёд

вернуться к списку узлов и деталей

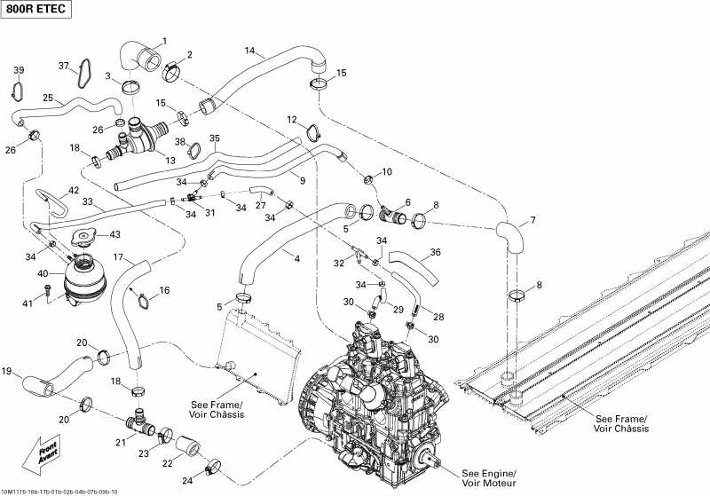
ДЕТАЛИРОВКА ДЛЯ МОДЕЛИ: SKIDOO Summit X 800R E-TEC, 2011

Раздел: Охлаждение System 800r Etec | Cooling System 800r Etec


снегоход SkiDoo Summit X 800R E-TEC, 2011 раздел - Cooling System 800r Etec

Номер на
рисунке
АртикулНаименованиеКол-во
на складе
Цена
1 509000678

Двигатель выход Шланг (Engine Outlet Hose)

под заказ1500 руб.
1 509000417

BOYAU SORTIE MO*HOSE-OUTLET EN

под заказпо запросу
2 509000443

Aba Шестерня Струбцина (Aba Gear Clamp)

под заказ800 руб.
3 509000529

Oetiker Шестерня Струбцина (Oetiker Gear Clamp)

под заказ715 руб.
4 509000670

Radiator Шланг (Radiator Hose)

под заказ2710 руб.
4 509000553

BOYAU INTER RAD*HOSE-RADIATOR

под заказ2130 руб.
5 509000529

Oetiker Шестерня Струбцина (Oetiker Gear Clamp)

под заказ715 руб.
6 509000510

T-Fitting (T-Fitting)

под заказ614 руб.
6 509000336

RACCORD EN T *T-FITTING

под заказпо запросу
7 509000671

Radiator Шланг (Radiator Hose)

под заказ1100 руб.
8 509000529

Oetiker Шестерня Струбцина (Oetiker Gear Clamp)

под заказ715 руб.
9 509000502

Bleeder Шланг (Bleeder Hose)

под заказ1710 руб.
10293650047

Oetiker Струбцина (Oetiker Clamp)

под заказ284 руб.
12414115200

Tie-Rap 180 mm (Tie-Rap 180 mm)

под заказ130 руб.
12414587300

TIE RAP *TIE-RAP

под заказ110 руб.
13509000499

Термостат Корпус (Thermostat Housing)

под заказ2920 руб.
14509000679

Термостат выход Шланг (Thermostat Outlet Hose)

под заказ1850 руб.
15509000529

Oetiker Шестерня Струбцина (Oetiker Gear Clamp)

под заказ715 руб.
16414115200

Tie-Rap 180 mm (Tie-Rap 180 mm)

под заказ130 руб.
16414587300

TIE RAP *TIE-RAP

под заказ110 руб.
17509000672

Bypass Шланг (Bypass Hose)

под заказ1780 руб.
18293650099

Oetiker Шестерня Струбцина (Oetiker Gear Clamp)

под заказ428 руб.
19509000673

Radiator Шланг (Radiator Hose)

под заказ1710 руб.
19509000491

BOYAU RADIATEUR*RADIATOR HOSE

под заказ1210 руб.
20509000529

Oetiker Шестерня Струбцина (Oetiker Gear Clamp)

под заказ715 руб.
21509000372

T-Fitting (T-Fitting)

под заказ859 руб.
22509000674

Двигатель вход Шланг Radiator (Engine Inlet Hose Radiator)

под заказ1200 руб.
23509000443

Aba Шестерня Струбцина (Aba Gear Clamp)

под заказ800 руб.
24509000443

Aba Шестерня Струбцина (Aba Gear Clamp)

под заказ800 руб.
25509000759

Filling Шланг (Filling Hose)

под заказ1780 руб.
26509000442

Шестерня Струбцина (Gear Clamp)

под заказ428 руб.
26420851663

CLAMP

под заказ340 руб.
27509000775

Шланг, 6.4 mm (Hose, 6.4 mm)

под заказ909 руб.
28509000769

Bleeder Шланг (Bleeder Hose)

под заказ832 руб.
29509000768

Bleeder Шланг (Bleeder Hose)

под заказ760 руб.
30293650046

Oetiker Струбцина (Oetiker Clamp)

под заказ284 руб.
31293710140

"Y" Коннектор ("Y" Connector)

под заказ529 руб.
32293710059

Y-Fitting (Y-Fitting)

под заказ715 руб.
32420460635

Y-NIPPLE

под заказ560 руб.
33509000770

Bleeder Шланг (Bleeder Hose)

под заказ1290 руб.
34293650046

Oetiker Струбцина (Oetiker Clamp)

под заказ284 руб.
35415080000

Трубопровод 16 mm (Tubing 16 mm)

под заказ715 руб.
35513033461

PROTECTOR TUBE

под заказ560 руб.
36513033231

Защита Трубка, 16 mm (Protector Tube, 16 mm)

под заказ189 руб.
37293750008

Tie-Rap 350 mm (Tie-Rap 350 mm)

под заказ138 руб.
37748001001

TIE RAP 350MM *TIE RAP 350MM

под заказ110 руб.
38414115200

Tie-Rap 180 mm (Tie-Rap 180 mm)

под заказ130 руб.
38414587300

TIE RAP *TIE-RAP

под заказ110 руб.
39414115200

Tie-Rap 180 mm (Tie-Rap 180 mm)

под заказ130 руб.
39414587300

TIE RAP *TIE-RAP

под заказ110 руб.
40509000368

Coolant Tank (Coolant Tank)

под заказ6360 руб.
41241151640

Hex. Фланецd Винт K50 X 16 (Hex. Flanged Screw K50 X 16)

под заказ284 руб.
42415110000

Polyurethane Шланг 5.2 mm (Polyurethane Hose 5.2 mm)

под заказ276 руб.
42709000017

BOYAU VENTIL. *HOSE-VENT

под заказ220 руб.
43509000187

Pressure Колпачок (Pressure Cap)

под заказ2150 руб.
43414684700

BOUCHON RADIAT.*CAP-PRESSURE

под заказ1680 руб.
43SM-10005

     (не оригинальная запчасть) Крышка расширительного бачка BRP/Polaris SM-10005

под заказ890 руб.
ski-doo

Время выполнения запроса 1.2326800823212 сек.


 
 

данный сайт носит информационный характер и не является публичной офертой

склад запчастей для водомоторной техники