вконтакте

Контактный телефон: +7 (981) 121-46-93, +7 (800) 200-90-76 , Email: parts-katalog@yandex.ru, где купить

 
 

  Логин:

Пароль:

Регистрация

www.partskatalog.ru Все каталоги Запчасти Mercury Запчасти Suzuki Запчасти Tohatsu Запчасти Honda Контакты


Выбрать другую модель

назад Раздел:   вперёд

вернуться к списку узлов и деталей

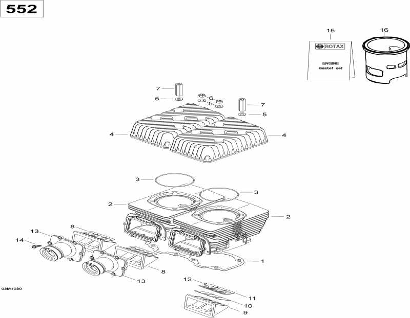
ДЕТАЛИРОВКА ДЛЯ МОДЕЛИ: SKIDOO Skandic WT 550F YetiII, 2011

Раздел: Цилиндр и Головка блока цилиндра | Cylinder And Cylinder Head


снегоход  модель Skandic WT 550F YetiII, 2011 - Cylinder And Cylinder Head

Номер на
рисунке
АртикулНаименованиеКол-во
на складе
Цена
1 420950910

Прокладка 0.3 (Gasket 0.3)

под заказ1120 руб.
1 420950911

Прокладка 0.4 (Gasket 0.4)

под заказ1310 руб.
1 420950912

Прокладка 0.6 (Gasket 0.6)

под заказ1310 руб.
2 420623142

Цилиндр With Гильза (Cylinder With Sleeve)

под заказ36300 руб.
2 420623141

CYLINDER WITH SLEEVE

под заказ58900 руб.
2 FL-1275

     (не оригинальная запчасть) Гильза BRP 552F FL-1275

под заказ16 230 руб.
2 SM-09609

     (не оригинальная запчасть) Цилиндр BRP SM-09609

под заказ34 720 руб.
2 080301Т

     (не оригинальная запчасть) Гильза BRP 552F 080301Т

под заказ10 400 руб.
3 293300026

Уплотнительное кольцо (O-Ring)

3 шт1150 руб.
3 420850540

JOINT TORIQUE *O RING

под заказпо запросу
3 09-710195

     (не оригинальная запчасть) Верхний комплект прокладок BRP 300F 09-710195

под заказ1 080 руб.
4 420923597

Head Цилиндр (Head Cylinder)

под заказ20200 руб.
5 420250311

плоский Шайба 8.4 mm (Flat Washer 8.4 mm)

под заказ138 руб.
5 402003100

RONDELLE *WASHER

под заказ110 руб.
6 232081414

Hex. Гайка M8 (Hex. Nut M8)

под заказ130 руб.
6 702000780

ECROU *NUT

под заказ110 руб.
7 420842203

Distance Гайка M8 X 47 (Distance Nut M8 X 47)

под заказ609 руб.
8 420924519

Язычковый клапан, в сборе. Includes 8 to 12 (Reed Valve Assy. Includes 8 to 12)

2 шт13690 руб.
8 420924514

SOUPAPE CLAPETS*VALVE-REED ASS

под заказпо запросу
9 N/A

Не доступно для this vehicle (Not available for this vehicle)

под заказпо запросу
10420924532

Reed Pedal (Reed Pedal)

под заказ3210 руб.
10SM-07160C

     (не оригинальная запчасть) Ремкомплект лепесткового клапана BRP SM-07160C

под заказ2 060 руб.
11420924539

Reed Pedal Stop (Reed Pedal Stop)

4 шт832 руб.
12420941215

Phillips Винт M3 X 5 (Phillips Screw M3 X 5)

под заказ284 руб.
12290941215

VIS TETE RONDE *SCREW-OVAL HEAD

под заказ230 руб.
13420867105

Карбюратор Socket (Carburetor Socket)

2 шт6360 руб.
1307-102-12

     (не оригинальная запчасть) Впускной патрубок BRP 07-102-12

под заказ3 050 руб.
14420941925

Саморез M5 X 16 (Tapping Screw M5 X 16)

под заказ284 руб.
14941925

SCREW M5 X 16(USE 420941925)

под заказ230 руб.
15420889911

Комплект прокладок, Двигатель (Gasket Set, Engine)

под заказ9300 руб.
15420889910

GASKET SET

под заказ7530 руб.
1509-711277

     (не оригинальная запчасть) Полный комплект прокладок BRP 552F 09-711277

под заказ4 540 руб.
15SM-MZ1113

     (не оригинальная запчасть) Полный комплект прокладок BRP 552F SM-MZ1113

под заказ3 930 руб.
16N/A

Не доступно для this vehicle (Not available for this vehicle)

под заказпо запросу
ski-doo

Время выполнения запроса 1.1626811027527 сек.


 
 

данный сайт носит информационный характер и не является публичной офертой

склад запчастей для водомоторной техники