вконтакте

Контактный телефон: +7 (981) 121-46-93, +7 (800) 200-90-76 , Email: parts-katalog@yandex.ru, где купить

 
 

  Логин:

Пароль:

Регистрация

www.partskatalog.ru Все каталоги Запчасти Mercury Запчасти Suzuki Запчасти Tohatsu Запчасти Honda Контакты



УВАЖАЕМЫЕ КЛИЕНТЫ!
C 19 ДЕКАБРЯ 2025 ПО 02 МАРТА 2026 ГОДА ОТДЕЛ ЗАПЧАСТЕЙ И СЕРВИС РАБОТАТЬ НЕ БУДУТ
ПРОДАЖА ЛОДОЧНЫХ МОТОРОВ В ШТАТНОМ РЕЖИМЕ
ОБ ИЗМЕНЕНИЯХ В ГРАФИКЕ РАБОТЫ ЧИТАЙТЕ НА САЙТА




Выбрать другую модель

назад Раздел:   вперёд

вернуться к списку узлов и деталей

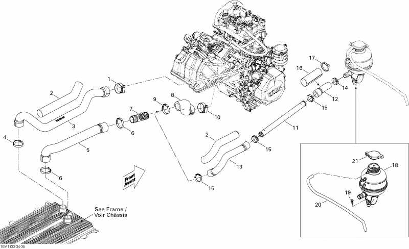
ДЕТАЛИРОВКА ДЛЯ МОДЕЛИ: SKIDOO MXZ Sport 600ACE, 2011

Раздел: Охлаждение System | Cooling System


модификация MXZ Sport 600ACE, 2011 - Охлаждение System

Номер на
рисунке
АртикулНаименованиеКол-во
на складе
Цена
1 509000443

Aba Шестерня Струбцина (Aba Gear Clamp)

под заказ800 руб.
2 509000513

Защита Трубка 32 mm (Protector Tube 32 mm)

под заказ2000 руб.
3 509000561

Двигатель выход Шланг (Engine Outlet Hose)

под заказ1980 руб.
4 509000529

Oetiker Шестерня Струбцина (Oetiker Gear Clamp)

под заказ715 руб.
5 509000697

Radiator Return Шланг (Radiator Return Hose)

под заказ906 руб.
6 509000529

Oetiker Шестерня Струбцина (Oetiker Gear Clamp)

под заказ715 руб.
7 509000372

T-Fitting (T-Fitting)

под заказ859 руб.
8 509000565

Двигатель вход Шланг (Engine Inlet Hose)

под заказ978 руб.
9 509000529

Oetiker Шестерня Струбцина (Oetiker Gear Clamp)

под заказ715 руб.
10509000443

Aba Шестерня Струбцина (Aba Gear Clamp)

под заказ800 руб.
11509000644

Трубка (Pipe)

под заказ1710 руб.
12509000698

Шланг-Radiator (Hose-Radiator)

под заказ901 руб.
13509000563

Шланг (Hose)

под заказ978 руб.
14509000442

Шестерня Струбцина (Gear Clamp)

под заказ428 руб.
14420851663

CLAMP

под заказ340 руб.
15293650099

Oetiker Шестерня Струбцина (Oetiker Gear Clamp)

под заказ428 руб.
16509000730

Защита Трубка 31.75 Mm - 90 мм (Protector Tube 31.75 Mm - 90mm)

под заказ1640 руб.
17414115200

Tie-Rap 180 mm (Tie-Rap 180 mm)

под заказ130 руб.
17414587300

TIE RAP *TIE-RAP

под заказ110 руб.
18509000421

Coolant Tank (Coolant Tank)

под заказ6360 руб.
19241151640

Hex. Фланецd Винт K50 X 16 (Hex. Flanged Screw K50 X 16)

под заказ284 руб.
20276000048

Шланг 6 mm (Hose 6 mm)

под заказ715 руб.
20513033562

BOYAU *HOSE

под заказ560 руб.
21509000180

Pressure Колпачок (Pressure Cap)

под заказ1580 руб.
21SM-10009

     (не оригинальная запчасть) Крышка радиатора Yamaha/Arctic Cat/BRP SM-10009

под заказ1 010 руб.
ski-doo

Время выполнения запроса 1.9582359790802 сек.


 
 

данный сайт носит информационный характер и не является публичной офертой

склад запчастей для водомоторной техники