вконтакте

Контактный телефон: +7 (981) 121-46-93, +7 (800) 200-90-76 , Email: parts-katalog@yandex.ru, где купить

 
 

  Логин:

Пароль:

Регистрация

www.partskatalog.ru Все каталоги Запчасти Mercury Запчасти Suzuki Запчасти Tohatsu Запчасти Honda Контакты



УВАЖАЕМЫЕ КЛИЕНТЫ!
C 19 ДЕКАБРЯ 2025 ПО 02 МАРТА 2026 ГОДА ОТДЕЛ ЗАПЧАСТЕЙ И СЕРВИС РАБОТАТЬ НЕ БУДУТ
ПРОДАЖА ЛОДОЧНЫХ МОТОРОВ В ШТАТНОМ РЕЖИМЕ
ОБ ИЗМЕНЕНИЯХ В ГРАФИКЕ РАБОТЫ ЧИТАЙТЕ НА САЙТА




Выбрать другую модель

назад Раздел:   вперёд

вернуться к списку узлов и деталей

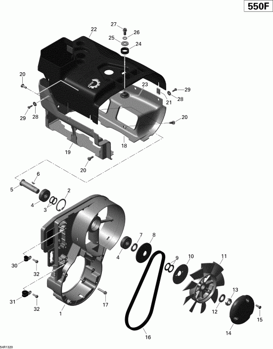
ДЕТАЛИРОВКА ДЛЯ МОДЕЛИ: SKIDOO EXPEDITION SPORT 550F XP, 2013

Раздел: Fan и Цилиндр Cowls | Fan And Cylinder Cowls


snowmobile BRP EXPEDITION SPORT 550F XP, 2013 - Fan And Cylinder Cowls

Номер на
рисунке
АртикулНаименованиеКол-во
на складе
Цена
1 420912203

Fan Корпус (Fan Housing)

под заказ30400 руб.
1 420912230

LOGEMENT VENT. *HOUSING-FAN

под заказ33200 руб.
2 420945880

Lock Кольцо (Lock Ring)

под заказ308 руб.
2 945880

LOCK RING (USE420945880)

под заказ140 руб.
3 420244585

Регулировочная шайба (Shim)

под заказ130 руб.
3 244585

VALILEVY 17.5/24/1.0

под заказ140 руб.
4 420832161

Шариковый подшипник (Ball Bearing)

под заказ1790 руб.
4 420832160

ROULEMENT BILLE*BALL BEARING

под заказпо запросу
4 6203DDUC3E NS7S5

     (не оригинальная запчасть) Подшипник 6203DDUC3E (6203DDUC3E NS7S5)

под заказ300 руб.
4 6203DDUC3E & NS7SX

     (не оригинальная запчасть) Подшипник 6203DDUC3E (6203DDUC3E & NS7SX)

под заказ440 руб.
5 420937941

Fan Axle (Fan Axle)

под заказ978 руб.
5 420937940

AXE VENTILATEUR*AXLE-FAN

под заказпо запросу
6 420246015

Шпонка (Woodruff Key)

под заказ223 руб.
6 420246011

CLAVETTE *KEY-WOODRUFF

под заказ140 руб.
7 420827650

Проставка Втулка (Spacer Bushing)

под заказ832 руб.
7 827650

HYLSY 17,3/28/2,8

под заказ830 руб.
8 420980496

Фланец (Flange)

под заказ978 руб.
8 980495

BELT PLATE (USE 420980495)

под заказ550 руб.
9 420827080

Регулировочная шайба 0.5 mm (Shim 0.5 mm)

под заказ284 руб.
9 827080

TASAUSLEVY 17.5/27/0.5

под заказ230 руб.
9 420827082

Регулировочная шайба 0.2 mm (Shim 0.2 mm)

под заказ223 руб.
9 827082

ADJUSTMENT PLATE 17.7 (K.420827082)

под заказ140 руб.
9 420827080

Регулировочная шайба 0.5 mm. для Belt Tension Adjustment (Shim 0.5 mm. For Belt Tension Adjustment)

под заказ284 руб.
9 827080

TASAUSLEVY 17.5/27/0.5

под заказ230 руб.
9 420827082

Регулировочная шайба 0.2 mm. для Belt Tension Adjustment (Shim 0.2 mm. For Belt Tension Adjustment)

под заказ223 руб.
9 827082

ADJUSTMENT PLATE 17.7 (K.420827082)

под заказ140 руб.
10420980523

Protection Шайба (Protection Washer)

под заказ832 руб.
10420980522

RONDELLE PROT. *WASHER-PROTEC.

под заказ470 руб.
11420866294

Fan (Fan)

под заказ6780 руб.
12420945756

Шайба с блокировкой (Lock Washer)

под заказ223 руб.
12945756

JOUSIRENGAS (USE 420945756)

под заказ140 руб.
13420942285

Hex. Гайка M16 X 1.5 (Hex. Nut M16 X 1.5)

под заказ441 руб.
13942285

NUT (USE 420942285)

под заказ410 руб.
14420975900

Крышка вентилятора (Fan Cover)

под заказ978 руб.
15420841971

Винт (Screw)

под заказ428 руб.
15420841970

SCREW-PLASTITE

под заказ340 руб.
16420980514

Клиновидный ремень (V-Belt)

под заказ2780 руб.
1609-368

     (не оригинальная запчасть) Ремень вентилятора BRP 09-368

под заказ590 руб.
17420440647

Фланецd Torx Винт M6 X 30 (Flanged Torx Screw M6 X 30)

под заказ284 руб.
18420811392

нижний Капот двигателя (Lower Cowling)

под заказ13160 руб.
18420811390

DEFLECTEUR CYL.*COWL-CYL.

под заказпо запросу
19420812605

нижний Капот двигателя (Lower Cowling)

под заказ6070 руб.
20420640324

Torx Винт M6 X 16 (Torx Screw M6 X 16)

под заказ284 руб.
20420640321

SCREW-TAPTITE

под заказпо запросу
21420842390

Пружина Гайка (Spring Nut)

под заказ133 руб.
22420910837

нижний Капот двигателя (Lower Cowling)

под заказ19940 руб.
23420827817

Cвыше Шайба (Cup Washer)

под заказ978 руб.
24420460210

Rubber Втулка (Rubber Bushing)

под заказ146 руб.
25420227935

Шайба (Washer)

под заказ365 руб.
26420945752

Шайба с блокировкой 8 mm (Lock Washer 8 mm)

под заказ118 руб.
26402001600

RONDELLE-FREIN *WASHER-LOCK#8

под заказ110 руб.
27420440852

Фланецd Torx Винт M8 X 16 (Flanged Torx Screw M8 X 16)

под заказ428 руб.
28420926185

Шайба (Washer)

под заказ133 руб.
29417300006

Саморез M4.8 X 16 (Tapping Screw M4.8 X 16)

под заказ53 руб.
29420841495

SCREW-TAPP.PAN HD.SLTD.4,8 X 1

под заказ170 руб.
30420851110

Струбцина (Clamp)

под заказпо запросу
31420851250

Струбцина (Clamp)

под заказ670 руб.
32420941925

Саморез M5 X 16 (Tapping Screw M5 X 16)

под заказ284 руб.
32941925

SCREW M5 X 16(USE 420941925)

под заказ230 руб.
ski-doo

Время выполнения запроса 1.2638669013977 сек.


 
 

данный сайт носит информационный характер и не является публичной офертой

склад запчастей для водомоторной техники