вконтакте

Контактный телефон: +7 (981) 121-46-93, +7 (800) 200-90-76 , Email: parts-katalog@yandex.ru, где купить

 
 

  Логин:

Пароль:

Регистрация

www.partskatalog.ru Все каталоги Запчасти Mercury Запчасти Suzuki Запчасти Tohatsu Запчасти Honda Контакты


Выбрать другую модель

назад Раздел:   вперёд

вернуться к списку узлов и деталей

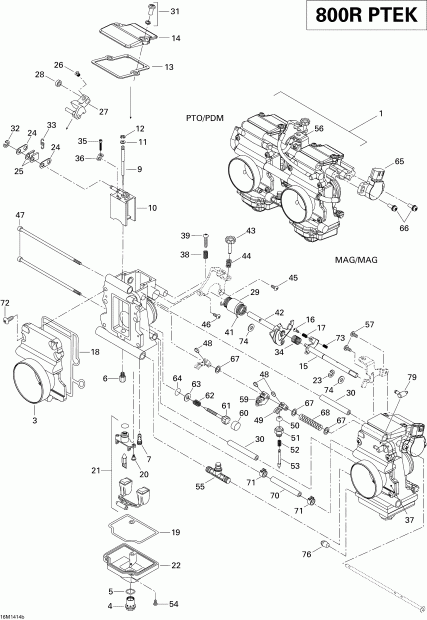
ДЕТАЛИРОВКА ДЛЯ МОДЕЛИ: SKIDOO SUMMIT SPORT 800R POWERTEK XP 154, 2014

Раздел: Карбюратор 800rptek | Carburetor 800rptek


snowmobile Ski-doo SUMMIT SPORT 800R POWERTEK XP 154, 2014 раздел - Carburetor 800rptek

Номер на
рисунке
АртикулНаименованиеКол-во
на складе
Цена
1 403138805

Carburator Kit, TM40-B397. Includes 1 to 79 (Carburator Kit, TM40-B397. Includes 1 to 79)

под заказ104500 руб.
1 403138806

CARBURATEUR *CARBURETTOR

под заказ92900 руб.
1 SM-07601

     (не оригинальная запчасть) Ремкомплект карбюратора BRP SM-07601

под заказ4 560 руб.
3 404162093

Funnel, PTO (Funnel, PTO)

под заказ17940 руб.
4 404162094

Дренажный винт (Drain Screw)

под заказ2280 руб.
5 404161945

Уплотнительное кольцо (O-Ring)

под заказ588 руб.
6 404106800

Главный жиклёр MJ 480 (Main Jet MJ 480)

под заказ396 руб.
7 404161944

Pilot Jet 17.5 (Pilot Jet 17.5)

под заказ396 руб.
9 404162081

иголка J8-9EGI04-58 (Needle J8-9EGI04-58)

под заказ3640 руб.
10404162020

Клапан Поршень 2.0 (Valve Piston 2.0)

под заказ14220 руб.
11404137600

Прокладка (Packing)

под заказ481 руб.
12404152200

Уплотнительное кольцо (E-Ring)

под заказ428 руб.
13404161940

Прокладка (Gasket)

под заказ1930 руб.
14404161939

Крышка (Cover)

под заказ3140 руб.
15404162077

Вал дросселя (Throttle Shaft)

под заказ15680 руб.
16404136700

Винт (Screw)

под заказ904 руб.
17404135300

Adjustment Пружина (Adjustment Spring)

под заказ752 руб.
18404161935

Уплотнительное кольцо (O-Ring)

под заказ1930 руб.
19404161961

Уплотнительное кольцо (O-Ring)

под заказ885 руб.
20404161933

Винт (Screw)

под заказ851 руб.
21404161932

Поплавок (Float)

под заказ12360 руб.
21SM-07164

     (не оригинальная запчасть) Ремкомплект карбюратора BRP/Arctic Cat/Polaris SM-07164

под заказ3 990 руб.
22404162095

Корпус Поплавок в сборе (Body Float Assy)

под заказ5500 руб.
23707200027

Уплотнительное кольцо (E-Ring)

под заказ356 руб.
24404162007

Пластина (Plate)

под заказ1170 руб.
25404162008

Держатель (Holder)

под заказ1170 руб.
26404161928

Винт (Screw)

под заказ880 руб.
27404162009

Рычаг (Lever)

под заказ7430 руб.
28404161926

Кольцо (Ring)

под заказ880 руб.
29404161925

Кольцо (Ring)

под заказ880 руб.
30404161924

Кольцо (Ring)

под заказ2640 руб.
31404161923

Винт (Screw)

под заказ545 руб.
32404138300

Уплотнительное кольцо (E-Ring)

под заказ851 руб.
33404162010

Пружина (Spring)

под заказ1170 руб.
34404162011

Пружина (Spring)

под заказ880 руб.
35404161920

Винт (Screw)

под заказ880 руб.
36404161919

Пластина (Plate)

под заказ880 руб.
37404162096

Funnel, MAG (Funnel, MAG)

под заказ17810 руб.
38404161918

Пружина (Spring)

под заказ452 руб.
39404161917

Винт (Screw)

под заказ880 руб.
41404162014

Пружина (Spring)

под заказ2360 руб.
42404162015

Вал дросселя (Throttle Shaft)

под заказ15680 руб.
43404137500

Adjustment Винт (Adjustment Screw)

под заказ1400 руб.
44404161913

Пружина (Spring)

под заказ880 руб.
45404161912

Винт (Screw)

под заказ481 руб.
46404136100

Винт (Screw)

под заказ481 руб.
47404161911

Винт (Screw)

под заказ2640 руб.
48404161910

Винт (Screw)

под заказ880 руб.
49404161909

Рычаг (Lever)

под заказ1400 руб.
50404140000

Колпачок (Cap)

под заказ851 руб.
51404136900

Направляющая Держатель (Guide Holder)

под заказ1250 руб.
52404161908

Пружина (Spring)

под заказ970 руб.
53404161907

Плунжер в сборе (Plunger Assy)

под заказ2430 руб.
54404161906

Винт (Screw)

под заказ481 руб.
55404161905

Ниппель (Nipple)

под заказ3640 руб.
56404161821

Шланг (Hose)

под заказ880 руб.
57404161903

Винт (Screw)

под заказ284 руб.
59404161901

Стартер Рычаг (Starter Lever)

под заказ2710 руб.
60404161899

Колпачок (Cap)

под заказ851 руб.
61404161898

Регулятор (Adjuster)

под заказ1850 руб.
62404161897

Пружина (Spring)

под заказ452 руб.
63404161896

Шайба (Washer)

под заказ463 руб.
64404161895

Прокладка (Packing)

под заказ588 руб.
65404162079

Датчик в сборе (Sensor Assy)

под заказ25800 руб.
66404162080

Винт (Screw)

под заказ880 руб.
67404161894

Прокладка (Packing)

под заказ880 руб.
68404103500

Пружина (Spring)

под заказ662 руб.
70404161956

Шланг (Hose)

под заказ1400 руб.
71404161957

Зажим (Clip)

под заказ1170 руб.
72404138800

Винт (Screw)

под заказ463 руб.
73404135400

Пружина (Spring)

под заказ627 руб.
74270500118

Прокладка (Packing)

под заказ715 руб.
76270500095

Колпачок (Cap)

под заказ715 руб.
76404140700

BOUCHON *CAP

под заказ560 руб.
79404128800

Elbow 90° (Elbow 90°)

под заказ2430 руб.
ski-doo

Время выполнения запроса 1.2726628780365 сек.


 
 

данный сайт носит информационный характер и не является публичной офертой

склад запчастей для водомоторной техники