вконтакте

Контактный телефон: +7 (981) 121-46-93, +7 (800) 200-90-76 , Email: parts-katalog@yandex.ru, где купить

 
 

  Логин:

Пароль:

Регистрация

www.partskatalog.ru Все каталоги Запчасти Mercury Запчасти Suzuki Запчасти Tohatsu Запчасти Honda Контакты



УВАЖАЕМЫЕ КЛИЕНТЫ!
C 19 ДЕКАБРЯ 2025 ПО 02 МАРТА 2026 ГОДА ОТДЕЛ ЗАПЧАСТЕЙ И СЕРВИС РАБОТАТЬ НЕ БУДУТ
ПРОДАЖА ЛОДОЧНЫХ МОТОРОВ В ШТАТНОМ РЕЖИМЕ
ОБ ИЗМЕНЕНИЯХ В ГРАФИКЕ РАБОТЫ ЧИТАЙТЕ НА САЙТА




Выбрать другую модель

назад Раздел:   вперёд

вернуться к списку узлов и деталей

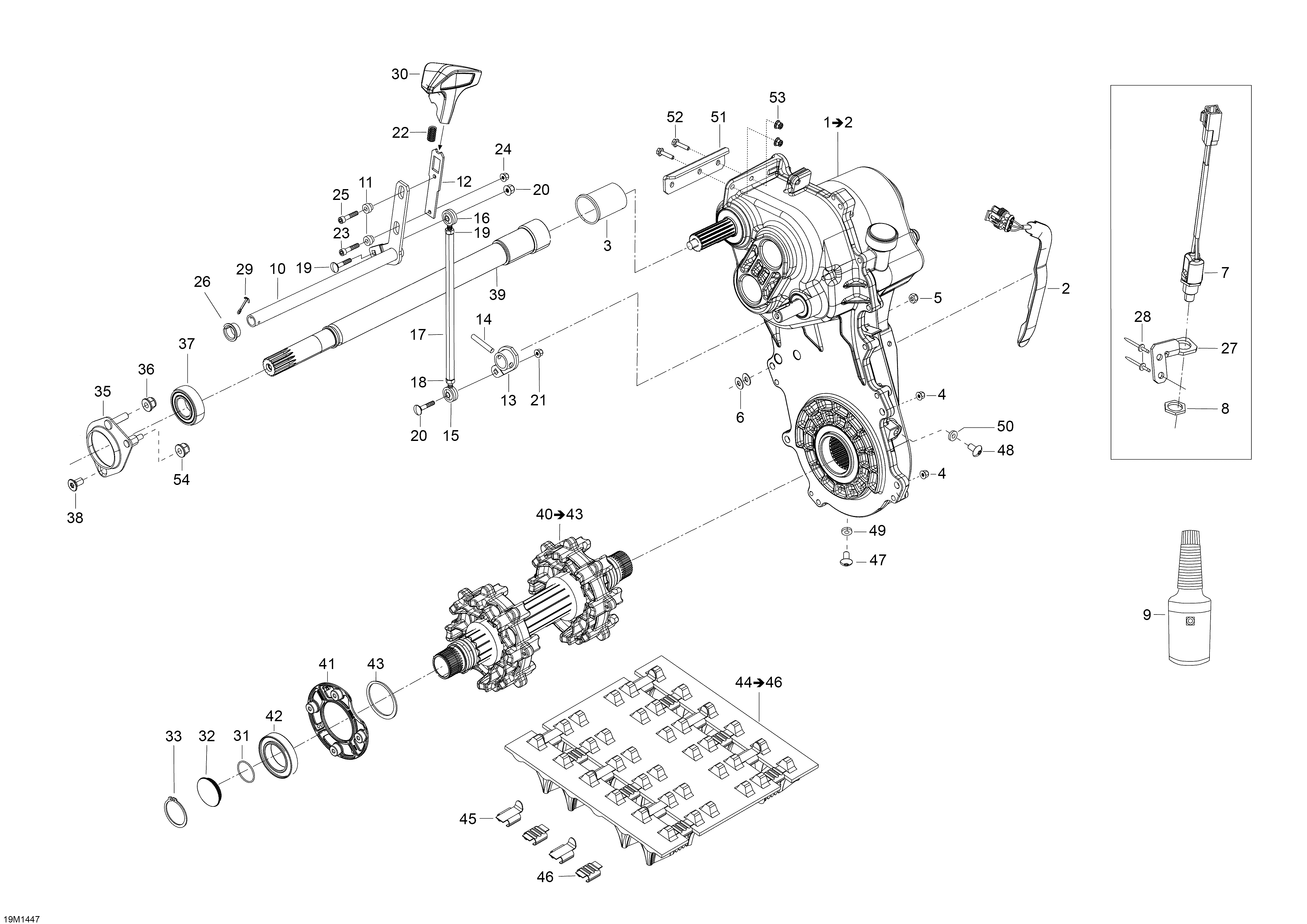
ДЕТАЛИРОВКА ДЛЯ МОДЕЛИ: SKIDOO Skandic SWT 600HOETEC XU, 2014

Раздел: Drive System | Drive System


snowmobile SkiDoo Skandic SWT 600HOETEC XU, 2014 - Drive System

Номер на
рисунке
АртикулНаименованиеКол-во
на складе
Цена
1 504153220

Трансмиссия в сборе (High Ratio) Includes 1 To 2 (Transmission Assy (High Ratio). Includes 1 To 2)

под заказпо запросу
1 619230059

TRANSMISSION FAST 2F+N+R

под заказпо запросу
2 504152896

Датчик (Sensor)

под заказ2570 руб.
2 504152732

SENSOR ASS

под заказ1650 руб.
2 SM-01253

     (не оригинальная запчасть) Датчик скорости BRP SM-01253

под заказ3 120 руб.
3 504153054

Protective Rubber (Protective Rubber)

под заказ1240 руб.
3 504152989

PROTECTIVE RUBBER

под заказпо запросу
4 233281414

Hex. Фланецd Elastic Гайка M8 (Hex. Flanged Elastic Nut M8)

под заказ284 руб.
5 232581414

Hex. Эластичная гайка со стопором M8 (Hex. Elastic Stop Nut M8)

под заказ136 руб.
5 420942030

NUT-LOCK M8

под заказ110 руб.
6 503193095

Шайба (Washer)

под заказ93 руб.
7 515176472

Переключатель в сборе (Switch Assy)

под заказ5140 руб.
7 515175967

SWITCH-ASSY

под заказ5590 руб.
8 250000373

Brass Гайка (Brass Nut)

под заказ529 руб.
9 293600140

Шестерняbox oil 12 x 355ml (Gearbox oil 12 x 355ml)

под заказ2380 руб.
9 619590182

XPS synthetic Gearbox Oil 1L 75W-140 (293600140) x12

под заказ2030 руб.
10504152887

Рычаг Переключательer (Lever Shifter)

под заказпо запросу
11504152787

Гильза (Sleeve)

под заказ2070 руб.
12504152831

Переключательer Рычаг (Shifter Arm)

под заказ1360 руб.
13504153131

Рычаг Welded (Lever Welded)

под заказ3180 руб.
13504153278

LEVER WELD

под заказ5640 руб.
1441012

Штифт (Pin)

под заказ375 руб.
14063030

GOUP.RETENUE *PIN-RETAINER

под заказ20 руб.
15707000689

RH Шаровое соединение (RH Ball Joint)

под заказ3720 руб.
16707000690

LH Шаровое соединение (LH Ball Joint)

под заказ3720 руб.
17504152836

Тяга (Rod)

под заказ4430 руб.
18232061414

Hex. Гайка M6 (Hex. Nut M6)

под заказ284 руб.
18540802021

NUT-HEX.M6

под заказ230 руб.
19232066414

LH Hex. Гайка M6 (LH Hex. Nut M6)

под заказ572 руб.
19732610046

NUT-HEX.LH.THREAD DIN.934 L

под заказ450 руб.
20207762044

Carriage Болт M6 X 20 (Carriage Bolt M6 X 20)

под заказ284 руб.
2040866

SCREW

под заказ230 руб.
21232561434

Эластичная гайка со стопором M6 (Elastic Stop Nut M6)

под заказ263 руб.
22504152882

Пружина (Spring)

под заказ2500 руб.
23205052544

Socket Винт M5 X 25 (Socket Screw M5 X 25)

под заказ284 руб.
24233251434

Фланецd Elastic Гайка M5 (Flanged Elastic Nut M5)

под заказ284 руб.
2433062

NUT M5

под заказ230 руб.
25250000676

дляming Винт M5 x 16 (Forming Screw M5 x 16)

под заказ98 руб.
25732600030

SCREW-FORMING

под заказпо запросу
26504152890

Подшипник (Bearing)

под заказ3280 руб.
27504152902

Датчик Кронштейн (Sensor Bracket)

под заказ1060 руб.
28293150163

Заклёпка Hucklok 4, 8 mm HKLP-R6-5GAT (Rivet Hucklok 4,8 mm HKLP-R6-5GAT)

под заказ223 руб.
29250400035

Шплинт (Cotter Pin)

под заказ263 руб.
30504152837

Handle (Handle)

под заказ5210 руб.
31293300122

Уплотнительное кольцо (O-Ring)

под заказ146 руб.
31SM-03178

     (не оригинальная запчасть) Комплект подшипников BRP SM-03178

под заказ2 620 руб.
32504152619

Magnetic Колпачок (Magnetic Cap)

под заказ1930 руб.
32504152620

CAPUCHON *CAP

под заказ1260 руб.
33504152572

Стопорное кольцо (Circlip)

под заказ452 руб.
35504153187

Подшипник Корпус (Bearing Housing)

под заказ1640 руб.
36233281414

Hex. Фланецd Elastic Гайка M8 (Hex. Flanged Elastic Nut M8)

под заказ284 руб.
37293350074

Шариковый подшипник (Ball Bearing)

под заказ3000 руб.
37CS205LLU X AS3S5

     (не оригинальная запчасть) Подшипник CS205LLU (CS205LLU X AS3S5)

под заказ1 150 руб.
38235381646

Torx Винт M8 X 16, Scotch Рукоятка (Torx Screw M8 X 16, Scotch Grip)

под заказ284 руб.
38250000025

SCREW-TORX CTSK.FL.HD.S.GRIP M8 X 16

под заказ230 руб.
39504153070

Counter Вал (Counter Shaft)

под заказ17550 руб.
40504153203

Drive Axle в сборе. Includes 40 To 43 (Drive Axle Assy. Includes 40 To 43)

под заказ50100 руб.
40504153585

DRIVE AXLE ASS Y

под заказ41600 руб.
41504152949

Корпус Подшипник (Housing Bearing)

под заказ1150 руб.
42293350059

Шариковый подшипник (Ball Bearing)

под заказ3950 руб.
42504152573

ROULEMENT BILLE*BALL BEARING

под заказпо запросу
426010DUCM D 5

     (не оригинальная запчасть) Подшипник 6010DUCM (6010DUCM D 5)

под заказ1 270 руб.
42SM-03178

     (не оригинальная запчасть) Комплект подшипников BRP SM-03178

под заказ2 620 руб.
43504153207

Регулировочная шайба (Shim)

под заказ689 руб.
4413081

Track в сборе. Includes 44 To 46 (Track Assy. Includes 44 To 46)

под заказ150400 руб.
45XXX

Направляющая (Guide)

46XXX

Cleat (Cleat)

47619230037

Allen Винт M8 x 10 (Allen Screw M8 x 10)

под заказ149 руб.
48619230038

Allen Винт M10 x 16 (Allen Screw M10 x 16)

под заказ149 руб.
49615580812

Прокладка Кольцо (Gasket Ring)

под заказ183 руб.
50619230047

Кольцевой сальник (Seal Ring)

под заказ75 руб.
51518327029

Extention Пластина (Extention Plate)

под заказ542 руб.
52207662044

Hex. Фланецd Винт M6 X 20 (Hex. Flanged Screw M6 X 20)

под заказ284 руб.
53233261414

Hex. Фланецd Elastic Гайка M6 (Hex. Flanged Elastic Nut M6)

под заказ284 руб.
ski-doo

Время выполнения запроса 4.127434015274 сек.


 
 

данный сайт носит информационный характер и не является публичной офертой

склад запчастей для водомоторной техники