вконтакте

Контактный телефон: +7 (981) 121-46-93, +7 (800) 200-90-76 , Email: parts-katalog@yandex.ru, где купить

 
 

  Логин:

Пароль:

Регистрация

www.partskatalog.ru Все каталоги Запчасти Mercury Запчасти Suzuki Запчасти Tohatsu Запчасти Honda Контакты


Выбрать другую модель

назад Раздел:   вперёд

вернуться к списку узлов и деталей

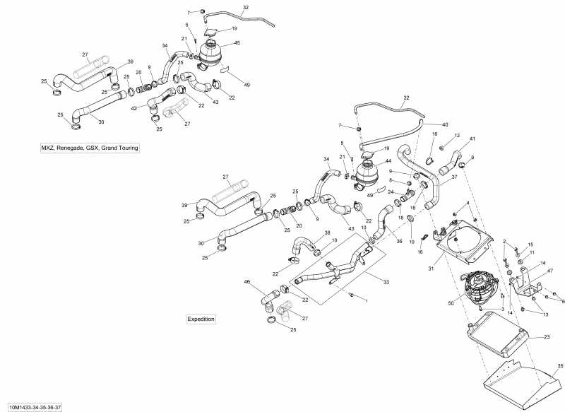
ДЕТАЛИРОВКА ДЛЯ МОДЕЛИ: SKIDOO EXPEDITION SPORT 900ACE XS, 2014

Раздел: Охлаждение System | Cooling System


снегоход Skidoo EXPEDITION SPORT 900ACE XS, 2014 раздел - Охлаждение System

Номер на
рисунке
АртикулНаименованиеКол-во
на складе
Цена
1 207561634

Hex. Фланецd Винт M6 X 16, Scotch Рукоятка (Hex. Flanged Screw M6 X 16, Scotch Grip)

под заказ284 руб.
2 207562044

Фланецd Винт M6 X 20, Scotch Рукоятка (Flanged Screw M6 X 20, Scotch Grip)

под заказпо запросу
3 207662044

Hex. Фланецd Винт M6 X 20 (Hex. Flanged Screw M6 X 20)

под заказ284 руб.
4 233261414

Hex. Фланецd Elastic Гайка M6 (Hex. Flanged Elastic Nut M6)

под заказ284 руб.
5 241151640

Hex. Фланецd Винт K50 X 16 (Hex. Flanged Screw K50 X 16)

под заказ284 руб.
6 250000574

Hex. Фланецd Винт M6 X 12 (Hex. Flanged Screw M6 X 12)

под заказ284 руб.
7 293650025

Oetiker Шестерня Струбцина (Oetiker Gear Clamp)

под заказ284 руб.
8 293650047

Crimp Струбцина (Crimp Clamp)

под заказ284 руб.
9 293650099

Crimp Струбцина (Crimp Clamp)

под заказ428 руб.
10293650141

Oetiker Шестерня Струбцина (Oetiker Gear Clamp)

под заказ428 руб.
11293720053

Пыльник (Grommet)

под заказ253 руб.
11709000582

PASSE-FILS *GROMMET

под заказ310 руб.
11SM-12511

     (не оригинальная запчасть) Втулка резиновая BRP SM-12511

под заказ160 руб.
12293730040

Крепление Dart (Mount Dart)

под заказ284 руб.
13293900100

Втулка (Bushing)

под заказ481 руб.
14390402200

Pop Заклёпка 3 / 16" (Pop Rivet 3/16")

под заказ138 руб.
15250200082

плоский Шайба (Flat Washer)

под заказ263 руб.
15399900800

WASHER-FLAT

под заказ210 руб.
16414115200

Tie-Rap 180 mm (Tie-Rap 180 mm)

под заказ130 руб.
16414587300

TIE RAP *TIE-RAP

под заказ110 руб.
18509000162

Шестерня Струбцина (Gear Clamp)

под заказ715 руб.
19509000180

Pressure Колпачок (Pressure Cap)

под заказ1580 руб.
19SM-10009

     (не оригинальная запчасть) Крышка радиатора Yamaha/Arctic Cat/BRP SM-10009

под заказ1 010 руб.
20509000372

T-Fitting (T-Fitting)

под заказ859 руб.
21509000442

Шестерня Струбцина (Gear Clamp)

под заказ428 руб.
21420851663

CLAMP

под заказ340 руб.
22509000443

Aba Шестерня Струбцина (Aba Gear Clamp)

под заказ800 руб.
23509000488

Radiator (Radiator)

под заказ32700 руб.
24509000510

T-Fitting (T-Fitting)

под заказ614 руб.
24509000336

RACCORD EN T *T-FITTING

под заказпо запросу
25509000529

Oetiker Шестерня Струбцина (Oetiker Gear Clamp)

под заказ715 руб.
27509000513

Защита Трубка 32 mm (Protector Tube 32 mm)

под заказ2000 руб.
30509000697

Radiator Return Шланг (Radiator Return Hose)

под заказ906 руб.
31509000714

Fan Sвышеport (Fan Support)

под заказ3570 руб.
32509000775

Шланг (Hose)

под заказ909 руб.
33509000800

Водяная трубка (Water Pipe)

под заказ7570 руб.
34509000811

Filling Шланг (Filling Hose)

под заказ978 руб.
35509000835

Air вход Deflector (Air Inlet Deflector)

под заказ6780 руб.
36509000854

Radiator Шланг (Radiator Hose)

под заказ1120 руб.
37509000855

Radiator Шланг (Radiator Hose)

под заказ1710 руб.
38509000858

Двигатель выход Шланг (Engine Outlet Hose)

под заказ1310 руб.
39509000859

Radiator Шланг (Radiator Hose)

под заказ2780 руб.
40509000860

Сапун шланга (Breather Hose)

под заказ1780 руб.
41509000862

Radiator Шланг (Radiator Hose)

под заказ1500 руб.
42N/A

Не доступно для this vehicle (Not available for this vehicle)

под заказпо запросу
43509000864

Двигатель вход Шланг (Engine Inlet Hose)

под заказ978 руб.
44509000875

Охлаждение Tank (Cooling Tank)

под заказ6360 руб.
45N/A

Не доступно для this vehicle (Not available for this vehicle)

под заказпо запросу
46509000888

Двигатель выход Шланг (Engine Outlet Hose)

под заказ1500 руб.
47509000889

Правая верхняя опора (RH Support)

под заказ2780 руб.
47509000890

Левая верхняя опора (LH Support)

под заказ2780 руб.
49516005904

Наклейка - предупреждение (Warning Decal)

под заказ697 руб.
50709200230

Fan (Fan)

под заказпо запросу
ski-doo

Время выполнения запроса 2.0193030834198 сек.


 
 

данный сайт носит информационный характер и не является публичной офертой

склад запчастей для водомоторной техники