вконтакте

Контактный телефон: +7 (981) 121-46-93, +7 (800) 200-90-76 , Email: parts-katalog@yandex.ru, где купить

 
 

  Логин:

Пароль:

Регистрация

www.partskatalog.ru Все каталоги Запчасти Mercury Запчасти Suzuki Запчасти Tohatsu Запчасти Honda Контакты


Выбрать другую модель

назад Раздел:   вперёд

вернуться к списку узлов и деталей

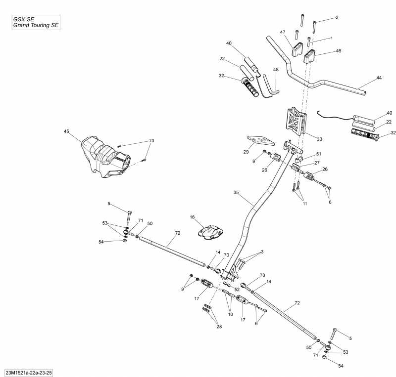
ДЕТАЛИРОВКА ДЛЯ МОДЕЛИ: SKIDOO Grand Touring SE 1200 XR137, 2015

Раздел: Рулевая система Se 23m1522a | Steering Se 23m1522a


Grand Touring SE 1200 XR137, 2015 - 23m1522a

Номер на
рисунке
АртикулНаименованиеКол-во
на складе
Цена
1 205084560

Socket Head Винт M8 X 45 (Socket Head Screw M8 X 45)

под заказ572 руб.
1 290841563

VIS ALLEN *SCREW-SOCKET

под заказ450 руб.
2 205086060

Socket Head Винт M8 X 60 (Socket Head Screw M8 X 60)

под заказ1150 руб.
3 207004034

Шестигранный винт M10 X 40 (Hex. Screw M10 X 40)

под заказ284 руб.
5 207005554

Hex Винт M10 X 55 (Hex Screw M10 X 55)

под заказ715 руб.
6 207667086

Hex. Фланецd Винт M6 x 70 (Hex. Flanged Screw M6 x 70)

под заказ284 руб.
9 233261416

Elastic Фланецd Гайка M6 (Elastic Flanged Nut M6)

под заказ284 руб.
11250000352

Шестигранный флавцевый винт M8 X 40 (Hex. Flange Screw M8 X 40)

под заказ284 руб.
14250100016

LH Hex. Jam Гайка M10 (LH Hex. Jam Nut M10)

под заказ130 руб.
14732610011

NUT-JAM HEXAGONAL LH.

под заказ110 руб.
16506152163

Пластина (Plate)

под заказ734 руб.
17506152217

нижний Half-Корпус (Lower Half-Housing)

под заказ409 руб.
17SM-08758

     (не оригинальная запчасть) Вкладыш рулевой колонки (нижний) BRP SM-08758

под заказ3 620 руб.
18506152297

Корпус Втулка (Housing Bushing)

под заказ734 руб.
22506152423

Insulant (Insulant)

под заказ734 руб.
26506152508

верхний Half-Корпус (Upper Half-Housing)

под заказ545 руб.
26SM-08757

     (не оригинальная запчасть) Вкладыш рулевой колонки (верхний) BRP SM-08757

под заказ5 410 руб.
26SM-08760

     (не оригинальная запчасть) Вкладыш рулевой колонки (верхний) SM-08760

под заказ6 260 руб.
27506152509

верхний Anti-Vibration Прокладка (Upper Anti-Vibration Gasket)

под заказ324 руб.
27506152292

JOINT VIB. *VIBRAT. GASKET

под заказ60 руб.
27SM-08757

     (не оригинальная запчасть) Вкладыш рулевой колонки (верхний) BRP SM-08757

под заказ5 410 руб.
27SM-08760

     (не оригинальная запчасть) Вкладыш рулевой колонки (верхний) SM-08760

под заказ6 260 руб.
28506152518

нижний Vibration Кольцо (Lower Vibration Ring)

под заказ324 руб.
28506152218

JOINT VIB. *VIBRAT. GASKET

под заказ160 руб.
28SM-08758

     (не оригинальная запчасть) Вкладыш рулевой колонки (нижний) BRP SM-08758

под заказ3 620 руб.
29506152521

Подушка (Cushion)

под заказ1000 руб.
32506152501

Рукоятка (Grip)

под заказ734 руб.
33506152759

Handlebar Удлинитель 115 (Handlebar Extension 115)

под заказ6000 руб.
35506152585

чёрный Main Трубка (Black Main Tube)

под заказ15340 руб.
35506152846

ARBRE DIRECTION*MAIN TUBE

под заказ16870 руб.
40506152681

Heated Film (Heated Film)

под заказ2500 руб.
44506152861

чёрный Handle Bar (Black Handle Bar)

под заказ7360 руб.
45506152721

Рулевая колодка (Steering Pad)

под заказ6930 руб.
46506152729

LH Handlebar Sвышеport (LH Handlebar Support)

под заказ2570 руб.
47506152730

RH Handlebar Sвышеport (RH Handlebar Support)

под заказ2570 руб.
48515175830

Low температура Трубопровод 1 / 2” (Low Temperature Tubing 1/2”)

под заказ1150 руб.
50732610010

RH Hex. Jam Гайка M10 (RH Hex. Jam Nut M10)

под заказ284 руб.
51506152751

Рулевая опора (Steering Support)

под заказ984 руб.
51SM-08753

     (не оригинальная запчасть) Крепление руля BRP SM-08753

под заказ4 530 руб.
52233601466

Elastic Locking Гайка M10 (Elastic Locking Nut M10)

под заказ284 руб.
53506152582

Шайба (Washer)

под заказ1580 руб.
54233201464

Hex. Elast. Фланецd Гайка M10 (Hex. Elast. Flanged Nut M10)

под заказ715 руб.
54SM-08351

     (не оригинальная запчасть) Комплект крепежа лыжи BRP SM-08351

под заказ4 140 руб.
70506152081

LH Шаровое соединение (LH Ball Joint)

под заказ2920 руб.
70506151828

JOINT ROTULE *BALL JOINT

под заказпо запросу
70SM-08401

     (не оригинальная запчасть) Рулевой наконечник BRP (левая резьба) SM-08401

под заказ1 920 руб.
71506152019

RH Шаровое соединение (RH Ball Joint)

под заказ2920 руб.
71SM-08402

     (не оригинальная запчасть) Рулевой наконечник BRP (правая резьба) SM-08402

под заказ1 870 руб.
72506152496

Tie-Тяга (Tie-Rod)

под заказ4290 руб.
72506152095

Tie Rod

под заказ2960 руб.
73250000400

Torx Винт K50 X 20 (Torx Screw K50 X 20)

под заказ284 руб.
ski-doo

Время выполнения запроса 0.69183993339539 сек.


 
 

данный сайт носит информационный характер и не является публичной офертой

склад запчастей для водомоторной техники