вконтакте

Контактный телефон: +7 (981) 121-46-93, +7 (800) 200-90-76 , Email: parts-katalog@yandex.ru, где купить

 
 

  Логин:

Пароль:

Регистрация

www.partskatalog.ru Все каталоги Запчасти Mercury Запчасти Suzuki Запчасти Tohatsu Запчасти Honda Контакты



УВАЖАЕМЫЕ КЛИЕНТЫ!
C 19 ДЕКАБРЯ 2025 ПО 02 МАРТА 2026 ГОДА ОТДЕЛ ЗАПЧАСТЕЙ И СЕРВИС РАБОТАТЬ НЕ БУДУТ
ПРОДАЖА ЛОДОЧНЫХ МОТОРОВ В ШТАТНОМ РЕЖИМЕ
ОБ ИЗМЕНЕНИЯХ В ГРАФИКЕ РАБОТЫ ЧИТАЙТЕ НА САЙТА




Выбрать другую модель

назад Раздел:   вперёд

вернуться к списку узлов и деталей

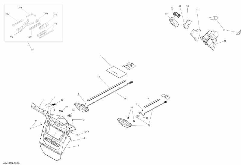
ДЕТАЛИРОВКА ДЛЯ МОДЕЛИ: SKIDOO SUMMIT, 2016

Раздел: Utilities - Package Sport | Utilities - Package Sport


snowmobile SkiDoo - Utilities Package Sport

Номер на
рисунке
АртикулНаименованиеКол-во
на складе
Цена
1 219400038

дляm Waranty (Form Waranty)

под заказпо запросу
1 219400011

WARRANTY FORM

под заказпо запросу
2 293150108

Pop Заклёпка 3 / 16” (Pop Rivet 3/16”)

под заказ138 руб.
3 293750002

Tie-Rap 142 mm (Tie-Rap 142 mm)

под заказ130 руб.
4 517124300

Шайба (Washer)

под заказ130 руб.
5 520000528

Latch (Latch)

под заказ715 руб.
6 520000784

Snow Guard (Snow Guard)

под заказ6640 руб.
7 520001161

красный LH Rear Reflector (Red LH Rear Reflector)

под заказ909 руб.
7 520001162

красный RH Rear Reflector (Red RH Rear Reflector)

под заказ1120 руб.
8 520000718

жёлтый RH Front Reflector (Yellow RH Front Reflector)

под заказ861 руб.
8 520000648

REFLECTEUR AV. *REFLECTOR-FRON

под заказ550 руб.
8 520000719

жёлтый LH Front Reflector (Yellow LH Front Reflector)

под заказ861 руб.
8 520000649

REFLECTEUR AV. *REFLECTOR-FRONT

под заказ550 руб.
10520001059

Foam (Foam)

под заказ861 руб.
10520000743

MOUSSE *FOAM

под заказпо запросу
11520000751

Reinдляcement (Reinforcement)

под заказ1280 руб.
12520001061

Foam (Foam)

под заказ734 руб.
13520001062

Foam (Foam)

под заказ393 руб.
14520000829

Radiator Trim. V-146 Model (Radiator Trim. V-146 Model)

под заказ1430 руб.
14520000658

MOULURE RAD *TRIM

под заказпо запросу
14520000829

Radiator Trim. V-146 Model (Radiator Trim. V-146 Model)

под заказ1430 руб.
14520000658

MOULURE RAD *TRIM

под заказпо запросу
18520000842

Набор инструмента Rack (Tool Kit Rack)

под заказ1350 руб.
18520000741

TOOL-KIT RACK

под заказ950 руб.
19520001559

Rear Light (Rear Light)

под заказ6930 руб.
23529000077

Набор инструмента (Tool Kit)

под заказ2500 руб.
23520001670

TOOL KIT

под заказ4210 руб.
24516006887

BRP Logo, 48 mm (BRP Logo, 48 mm)

под заказ1230 руб.
24219902468

BRP LOGO 48 MM

под заказ2150 руб.
25520000758

Лампочка (Bulb)

под заказ253 руб.
25738052000

AMPOULE FEU ARR*BULB-TAIL LAMP

под заказ1010 руб.
26705003666

Rubber Пыльник (Rubber Grommet)

под заказ572 руб.
27516006910

SAFETY Наклейки (SAFETY LABEL)

под заказпо запросу
28516005591

Наклейка - предупреждение, Cargo (Warning Decal, Cargo)

под заказпо запросу
30520001556

OPER Направляющая 16. REMOVE? (OPER GUIDE 16. REMOVE?)

под заказ2160 руб.
37529000004

Винт Отвёртка (Screw Driver)

под заказ1080 руб.
37529019200

TOURNEVIS *SCREW-DRIVER

под заказ410 руб.
37520001142

Spacing Инструмент (Spacing Tool)

под заказ909 руб.
37529000002

дляk Гаечный ключ, 10 / 13 mm (Fork Wrench, 10/13 mm)

под заказ1440 руб.
37529017300

CLE OUVERTE 10 *WRENCH-FORK 10

под заказ630 руб.
37529000046

Set Ключ, 16 / 21 mm (Set Key, 16/21 mm)

под заказ1250 руб.
37529000060

Стартер Рукоятка (Starter Grip)

под заказ821 руб.
37529019400

PINCE DEMARRAGE*STARTER-GRIP

под заказ1120 руб.
37SM-12576

     (не оригинальная запчасть) Трос ручного стартера BRP SM-12576

под заказ760 руб.
37412500200

Шнур стартера, Прибор (Starter Rope, Meter)

под заказ558 руб.
37SM-12576

     (не оригинальная запчасть) Трос ручного стартера BRP SM-12576

под заказ760 руб.
37520001499

Гаечный ключ (Wrench)

под заказ1210 руб.
37SM-12575

     (не оригинальная запчасть) Ключ универсальный BRP SM-12575

под заказ1 260 руб.
#N520000991

DVD Owner. NOT IM COMPOSER. REMOVE? (DVD Owner. NOT IM COMPOSER. REMOVE?)

под заказпо запросу
ski-doo

Время выполнения запроса 1.2887859344482 сек.


 
 

данный сайт носит информационный характер и не является публичной офертой

склад запчастей для водомоторной техники