| |
Выбрать другую модель
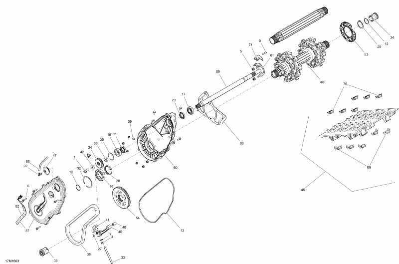
вернуться к списку узлов и деталей ДЕТАЛИРОВКА ДЛЯ МОДЕЛИ: SKIDOO RENEGADE - 2-STROKE, 2016
Раздел: Drive System - All Models | Drive System - All Models
Номер на рисунке | Артикул | Наименование | Кол-во на складе | Цена |
| 1 | 207503046 | Hex. Фланецd Винт M10 X 30, Scotch Рукоятка (Hex. Flanged Screw M10 X 30, Scotch Grip) | под заказ | 284 руб. |
| 3 | 232006414 | Hex. Гайка M10 (Hex. Nut M10) | под заказ | 284 руб. |
| 3 | 420242091 | NUT-HEX.M10 | под заказ | 230 руб. |
| 5 | 233281414 | Hex. Фланецd Elastic Гайка M8. Двигатель 600 (Hex. Flanged Elastic Nut M8. Engine 600) | под заказ | 284 руб. |
| 5 | 233281414 | Hex. Фланецd Elastic Гайка M8. Eingine 600 H.O. E-TEC (2-Strokes) (Hex. Flanged Elastic Nut M8. Eingine 600 H.O. E-TEC (2-Strokes)) | под заказ | 284 руб. |
| 5 | 233281414 | Hex. Фланецd Elastic Гайка M8. Двигатель 800 (Hex. Flanged Elastic Nut M8. Engine 800) | под заказ | 284 руб. |
| 6 | 210263050 | Винт-дляming HEX.HD.FL.BZN. Except Package Sport (Screw-Forming HEX.HD.FL.BZN. Except Package Sport) | под заказ | 189 руб. |
| 6 | 250000360 | Фланецd Шестигранный винт M6 X 30. Package Sport (Flanged Hex. Screw M6 X 30. Package Sport) | под заказ | 284 руб. |
| 7 | 250200100 | Bonded Шайба (Bonded Washer) | под заказ | 284 руб. |
| 9 | 250300031 | Clinch Шпилька M6 X 30. Eingine 600 H.O. E-TEC (2-Strokes) (Clinch Stud M6 X 30. Eingine 600 H.O. E-TEC (2-Strokes)) | под заказ | 146 руб. |
| 9 | 250300031 | Clinch Шпилька M6 X 30. Двигатель 800 (Clinch Stud M6 X 30. Engine 800) | под заказ | 146 руб. |
| 11 | 293250175 | Сальник (Oil Seal) | под заказ | 978 руб. |
| 11 | SM-03351 | (не оригинальная запчасть) Сальник КПП (верхний) BRP SM-03351 | под заказ | 380 руб. |
| 12 | 293300122 | Уплотнительное кольцо (O-Ring) | под заказ | 146 руб. |
| 12 | SM-03178 | (не оригинальная запчасть) Комплект подшипников BRP SM-03178 | под заказ | 2 620 руб. |
| 13 | 293300130 | Уплотнительное кольцо (O-Ring) | под заказ | 529 руб. |
| 13 | 504152583 | JOINT ETANCHE *GASKET | под заказ | 550 руб. |
| 13 | SM-03347 | (не оригинальная запчасть) Прокладка КПП BRP SM-03347 | под заказ | 710 руб. |
| 15 | 293350055 | Шариковый подшипник (Ball Bearing) | под заказ | 731 руб. |
| 15 | R0139A-2.401A | (не оригинальная запчасть) Ролик (каток) BRP R0139A-2.401A | под заказ | 4 000 руб. |
| 15 | R0135F-2.401A | (не оригинальная запчасть) Ролик (каток) BRP R0135F-2.401A | под заказ | 5 420 руб. |
| 15 | R0165G-2.401A | (не оригинальная запчасть) Ролик (каток) BRP R0165G-2.401A | под заказ | 5 740 руб. |
| 15 | 6205DDUCM NS7SX | (не оригинальная запчасть) Подшипник 6205DDUCM (6205DDUCM NS7SX) | под заказ | 420 руб. |
| 15 | SM-03168 | (не оригинальная запчасть) Комплект подшипников BRP SM-03168 | под заказ | 2 050 руб. |
| 15 | 6205DDUCM & **NS7SX | (не оригинальная запчасть) Подшипник 6205DDUCM (6205DDUCM & **NS7SX) | под заказ | 590 руб. |
| 15 | SM-03209 | (не оригинальная запчасть) Ремкомплект трансмиссии снегохода BRP SM-03209 | под заказ | 2 710 руб. |
| 15 | UP-04041 | (не оригинальная запчасть) Подшипник 6205-2RS UP-04041 | под заказ | 330 руб. |
| 16 | 293350059 | Шариковый подшипник (Ball Bearing) | под заказ | 3950 руб. |
| 16 | 504152573 | ROULEMENT BILLE*BALL BEARING | под заказ | по запросу |
| 16 | 6010DUCM D 5 | (не оригинальная запчасть) Подшипник 6010DUCM (6010DUCM D 5) | под заказ | 1 270 руб. |
| 16 | SM-03178 | (не оригинальная запчасть) Комплект подшипников BRP SM-03178 | под заказ | 2 620 руб. |
| 17 | 293350074 | Шариковый подшипник (Ball Bearing) | под заказ | 3000 руб. |
| 17 | CS205LLU X AS3S5 | (не оригинальная запчасть) Подшипник CS205LLU (CS205LLU X AS3S5) | под заказ | 1 150 руб. |
| 22 | 414580700 | Male Коннектор (Male Connector) | под заказ | 428 руб. |
| 22 | 414388900 | RACCORD MALE *CONNECTOR-MALE | под заказ | 340 руб. |
| 23 | 415049300 | Сальник (Oil Seal) | под заказ | 978 руб. |
| 23 | SM-03047 | (не оригинальная запчасть) Сальник КПП (верхний) BRP SM-03047 | под заказ | 390 руб. |
| 23 | SM-03168 | (не оригинальная запчасть) Комплект подшипников BRP SM-03168 | под заказ | 2 050 руб. |
| 24 | 504091000 | Цепное колесо ЗВЕЗДОЧКА, 23 Teeth. Package Sport (Sprocket, 23 Teeth. Package Sport) | под заказ | 3850 руб. |
| 24 | 504085400 | PIGNON 23D L. *SPROCK.-23TH.L | под заказ | 13960 руб. |
| 24 | 504096200 | Цепное колесо ЗВЕЗДОЧКА, 21 Teeth. Двигатель 600 ETEC, Package XRS (Sprocket, 21 Teeth. Engine 600 ETEC, Package XRS) | под заказ | 6860 руб. |
| 24 | 504096200 | Цепное колесо ЗВЕЗДОЧКА, 21 Teeth. Двигатель 800 ETEC, Package BackCountry (Sprocket, 21 Teeth. Engine 800 ETEC, Package BackCountry) | под заказ | 6860 руб. |
| 24 | 504096200 | Цепное колесо ЗВЕЗДОЧКА, 21 Teeth. Двигатель 800 ETEC, Package BackCountry X: UXGA, UXGB, UXGE, UXGF (Sprocket, 21 Teeth. Engine 800 ETEC, Package BackCountry X: UXGA, UXGB, UXGE, UXGF) | под заказ | 6860 руб. |
| 24 | 504091000 | Цепное колесо ЗВЕЗДОЧКА, 23 Teeth. Двигатель 800 ETEC, Package BackCountry X: UXGC, UXGD, UXGG, UXGH, UXGJ (Sprocket, 23 Teeth. Engine 800 ETEC, Package BackCountry X: UXGC, UXGD, UXGG, UXGH, UXGJ) | под заказ | 3850 руб. |
| 24 | 504085400 | PIGNON 23D L. *SPROCK.-23TH.L | под заказ | 13960 руб. |
| 24 | 504091000 | Цепное колесо ЗВЕЗДОЧКА, 23 Teeth. Двигатель 600 ETEC, Package Adrenaline, X, Enduro (Sprocket, 23 Teeth. Engine 600 ETEC, Package Adrenaline, X, Enduro) | под заказ | 3850 руб. |
| 24 | 504085400 | PIGNON 23D L. *SPROCK.-23TH.L | под заказ | 13960 руб. |
| 24 | 504091000 | Цепное колесо ЗВЕЗДОЧКА, 23 Teeth. Двигатель 600 ETEC Package Backcountry, Backcountry X (Sprocket, 23 Teeth. Engine 600 ETEC Package Backcountry, Backcountry X) | под заказ | 3850 руб. |
| 24 | 504085400 | PIGNON 23D L. *SPROCK.-23TH.L | под заказ | 13960 руб. |
| 24 | 504091000 | Цепное колесо ЗВЕЗДОЧКА, 23 Teeth. Двигатель 800 ETEC Package XRS (Sprocket, 23 Teeth. Engine 800 ETEC Package XRS) | под заказ | 3850 руб. |
| 24 | 504085400 | PIGNON 23D L. *SPROCK.-23TH.L | под заказ | 13960 руб. |
| 24 | 504084300 | Цепное колесо ЗВЕЗДОЧКА, 25 Teeth. Двигатель 800 ETEC Package Adrenaline, X, Enduro (Sprocket, 25 Teeth. Engine 800 ETEC Package Adrenaline, X, Enduro) | под заказ | 6860 руб. |
| 27 | 504152282 | Стопорное кольцо (Circlip) | под заказ | 284 руб. |
| 27 | 420245330 | CIRCLIP *RING-SNAP | под заказ | 230 руб. |
| 28 | 504152571 | Сальник (Seal) | под заказ | 970 руб. |
| 28 | SM-03350 | (не оригинальная запчасть) Сальник КПП (нижний) BRP SM-03350 | под заказ | 420 руб. |
| 28 | SM-03178 | (не оригинальная запчасть) Комплект подшипников BRP SM-03178 | под заказ | 2 620 руб. |
| 28 | SM-03229 | (не оригинальная запчасть) Сальник КПП (нижний) BRP SM-03229 | под заказ | 660 руб. |
| 29 | 504152572 | Стопорное кольцо (Circlip) | под заказ | 452 руб. |
| 30 | 504152576 | Стопорное кольцо (Circlip) | под заказ | 670 руб. |
| 30 | SM-03209 | (не оригинальная запчасть) Ремкомплект трансмиссии снегохода BRP SM-03209 | под заказ | 2 710 руб. |
| 32 | 504152582 | Стопорное кольцо (Circlip) | под заказ | 670 руб. |
| 33 | 504152602 | Adjustment Винт (Adjustment Screw) | под заказ | 689 руб. |
| 34 | 504152619 | Magnetic Колпачок (Magnetic Cap) | под заказ | 1930 руб. |
| 34 | 504152620 | CAPUCHON *CAP | под заказ | 1260 руб. |
| 36 | 504152628 | Регулировочная шайба (Shim) | под заказ | 601 руб. |
| 38 | 504152629 | Drive Цепь, 104 Соединительs. Package Sport (Drive Chain, 104 Links. Package Sport) | под заказ | 10500 руб. |
| 38 | 504152629 | Drive Цепь, 104 Соединительs. Package Enduro, Adrenaline, X (Drive Chain, 104 Links. Package Enduro, Adrenaline, X) | под заказ | 10500 руб. |
| 38 | 504152629 | Drive Цепь, 104 Соединительs. Двигатель 800 ETEC, Package XRS (Drive Chain, 104 Links. Engine 800 ETEC, Package XRS) | под заказ | 10500 руб. |
| 38 | 504152579 | Drive Цепь, 102 Соединительs. Двигатель 600 ETEC, Package XRS (Drive Chain, 102 Links. Engine 600 ETEC, Package XRS) | под заказ | 10500 руб. |
| 38 | 504152579 | Drive Цепь, 102 Соединительs. Двигатель 800 ETEC, Package Backcountry (Drive Chain, 102 Links. Engine 800 ETEC, Package Backcountry) | под заказ | 10500 руб. |
| 38 | 504152579 | Drive Цепь, 102 Соединительs. Двигатель 800 ETEC, Package BackCountry X: UXGA, UXGB, UXGE, UXGF (Drive Chain, 102 Links. Engine 800 ETEC, Package BackCountry X: UXGA, UXGB, UXGE, UXGF) | под заказ | 10500 руб. |
| 38 | 504152631 | Drive Цепь, 108 Соединительs. Двигатель 600 ETEC, Package Backcountry (Drive Chain, 108 Links. Engine 600 ETEC, Package Backcountry) | под заказ | 10500 руб. |
| 38 | 504152631 | Drive Цепь, 108 Соединительs. Двигатель 800 ETEC, Package BackCountry X: UXGC, UXGD, UXGG, UXGH, UXGJ (Drive Chain, 108 Links. Engine 800 ETEC, Package BackCountry X: UXGC, UXGD, UXGG, UXGH, UXGJ) | под заказ | 10500 руб. |
| 39 | 504152636 | Magnetic Заглушка. Package Sport (Magnetic Plug. Package Sport) | под заказ | 689 руб. |
| 39 | 504152854 | Magnetic Заглушка. Except Package Sport (Magnetic Plug. Except Package Sport) | под заказ | 689 руб. |
| 40 | 504152685 | Цепь Tensioner (Chain Tensioner) | под заказ | 1030 руб. |
| 41 | 504152739 | Slider Цепь (Slider Chain) | под заказ | 5000 руб. |
| 41 | 504153031 | GLISSIERE CHAIN*CHAIN-SLIDER | под заказ | 4270 руб. |
| 41 | SM-03361 | (не оригинальная запчасть) Башмак натяжителя приводной цепи BRP SM-03361 | под заказ | 4 220 руб. |
| 42 | 504152784 | Пружинная шайба M10 (Spring Washer M10) | под заказ | 351 руб. |
| 45 | 504152803 | Track в сборе 16X137X1.7. Model N° MDGA, MDGB, UMGE, UMGK, (Track Assy 16X137X1.7. Model N° MDGA, MDGB, UMGE, UMGK,) | под заказ | 80000 руб. |
| 45 | 504152838 | Track в сборе, 15X137X1.2C. Model N° UHGA (Track Assy, 15X137X1.2C. Model N° UHGA) | под заказ | 74800 руб. |
| 45 | 504152905 | Track в сборе 15X137X1.2. Model N° BXGA, BXGB, UAGA, UAGB, UAGE, UAGF, UFGA, UFGB, UWGA (Track Assy 15X137X1.2. Model N° BXGA, BXGB, UAGA, UAGB, UAGE, UAGF, UFGA, UFGB, UWGA) | под заказ | 71600 руб. |
| 45 | 504153101 | Track в сборе 15" X 137" X 1.25". Model N° USGA, UAGC, UAGD, UAGG, UAGH, USGB, URGA, UWGC, UWGD, UWGG, UWGH, URGB , (Track Assy 15" X 137" X 1.25". Model N° USGA, UAGC, UAGD, UAGG, UAGH, USGB, URGA, UWGC, UWGD, UWGG, UWGH, URGB ,) | под заказ | 88500 руб. |
| 45 | 504153237 | Track в сборе 15" X 137" X 1.5RS". Model N° UMGA, UMGB, UMGF, UMGG, (Track Assy 15" X 137" X 1.5RS". Model N° UMGA, UMGB, UMGF, UMGG,) | под заказ | 84300 руб. |
| 45 | 504153399 | Track в сборе 15"X137"X1.60". Model N° UMGC, UMGD, UMGH, UMGJ, (Track Assy 15"X137"X1.60". Model N° UMGC, UMGD, UMGH, UMGJ,) | под заказ | 88500 руб. |
| 45 | 504153400 | Track в сборе 16"X146"X1.60". Model N° UJGB, UJGD, UGGB, UGGD, UJGA, UJGC, UXGB, UXGF, UGGA, UGGC, UGGC, UXGA, UXGE (Track Assy 16"X146"X1.60". Model N° UJGB, UJGD, UGGB, UGGD, UJGA, UJGC, UXGB, UXGF, UGGA, UGGC, UGGC, UXGA,UXGE) | под заказ | 87500 руб. |
| 45 | 504153348 | Track в сборе 16" X 146" X 2.00" (Track Assy 16" X 146" X 2.00") | под заказ | 90700 руб. |
| 46 | 504152841 | Tensionner Axle (Tensionner Axle) | под заказ | 1060 руб. |
| 47 | 504152860 | Колпачок (Cap) | под заказ | 1580 руб. |
| 47 | 504152796 | BOUCHON REMPL. *CAP-FILLER | под заказ | 900 руб. |
| 48 | XXX | Drive Axle (Drive Axle) |
| 48 | 504153083 | Drive Axle в сборе (Drive Axle Assy) | под заказ | 30700 руб. |
| 48 | 504152894 | ARBRE ENTR.ASS.*AXLE-DRIVE ASSY | под заказ | 28200 руб. |
| 52 | 504152896 | Датчик (Sensor) | под заказ | 2570 руб. |
| 52 | 504152732 | SENSOR ASS | под заказ | 1650 руб. |
| 52 | SM-01253 | (не оригинальная запчасть) Датчик скорости BRP SM-01253 | под заказ | 3 120 руб. |
| 53 | 504152949 | Корпус Подшипник (Housing Bearing) | под заказ | 1150 руб. |
| 54 | 504152593 | Цепное колесо ЗВЕЗДОЧКА, 45 Teeth. Package Sport (Sprocket, 45 Teeth. Package Sport) | под заказ | 11030 руб. |
| 54 | 504152593 | Цепное колесо ЗВЕЗДОЧКА, 45 Teeth. Except UJGA, UJGB, UJGC, UJGD, UXGC, UXGD, UXGG, UXGH, UXGJ (Sprocket, 45 Teeth. Except UJGA, UJGB, UJGC, UJGD, UXGC, UXGD, UXGG, UXGH, UXGJ) | под заказ | 11030 руб. |
| 54 | 504152971 | Цепное колесо ЗВЕЗДОЧКА, 51 Teeth. UJGA, UJGB, UJGC, UJGD, UXGC, UXGD, UXGG, UXGH, UXGJ (Sprocket, 51 Teeth. UJGA, UJGB, UJGC, UJGD, UXGC, UXGD, UXGG, UXGH, UXGJ) | под заказ | 11030 руб. |
| 57 | 504153147 | Цепьcase Крышка в сборе Package Sport (Chaincase Cover Assy. Package Sport) | под заказ | 23400 руб. |
| 57 | 504153151 | Casting Крышка (Casting Cover) | под заказ | 13030 руб. |
| 57 | 504153410 | Крышка в сборе Except Package Sport (COVER ASSY. Except Package Sport) | под заказ | 23300 руб. |
| 59 | 504153000 | CounterВал (Countershaft) | под заказ | 41900 руб. |
| 60 | 504153181 | Цепьcase. Package Sport (Chaincase. Package Sport) | под заказ | 23400 руб. |
| 60 | 504152914 | CARTER CHAINE *CHAIN CASE | под заказ | 20500 руб. |
| 61 | 504153185 | Подшипник Корпус (Bearing Housing) | под заказ | 1640 руб. |
| 66 | 415080200 | Шланг, Polyurethane (Hose, Polyurethane) | под заказ | 1150 руб. |
| 66 | 709000183 | BOYAU POLYURE *POLYURETHANE H | под заказ | по запросу |
| 68 | 518325816 | Пластина (Plate) | под заказ | 5430 руб. |
| 69 | 415129528 | Track Направляющая. Model N° UHGA (Track Guide. Model N° UHGA) | под заказ | 223 руб. |
| 69 | 504152410 | GUIDE *CLIP | под заказ | 140 руб. |
| 69 | 415129528 | Track Направляющая. Model N° USGA, UAGC, UAGD, UAGG, UAGH, USGB, URGA, UWGC, UWGD, UWGG, UWGH, URGB , (Track Guide. Model N° USGA, UAGC, UAGD, UAGG, UAGH, USGB, URGA, UWGC, UWGD, UWGG, UWGH, URGB ,) | под заказ | 223 руб. |
| 69 | 504152410 | GUIDE *CLIP | под заказ | 140 руб. |
| 69 | 415129528 | Track Направляющая. Model N° BXGA, BXGB, UAGA, UAGB, UAGE, UAGF, UFGA, UFGB, UWGA (Track Guide. Model N° BXGA, BXGB, UAGA, UAGB, UAGE, UAGF, UFGA, UFGB, UWGA) | под заказ | 223 руб. |
| 69 | 504152410 | GUIDE *CLIP | под заказ | 140 руб. |
| 69 | 415129528 | Track Направляющая. Model N° UMGA, UMGB, UMGF, UMGG, (Track Guide. Model N° UMGA, UMGB, UMGF, UMGG,) | под заказ | 223 руб. |
| 69 | 504152410 | GUIDE *CLIP | под заказ | 140 руб. |
| 69 | 415129528 | Track Направляющая. Model N° MDGA, MDGB, UMGE, UMGK, (Track Guide. Model N° MDGA, MDGB, UMGE, UMGK,) | под заказ | 223 руб. |
| 69 | 504152410 | GUIDE *CLIP | под заказ | 140 руб. |
| 69 | 415129528 | Track Направляющая. Model N° UJGB, UJGD, UGGB, UGGD, UJGA, UJGC, UXGB, UXGF, UGGA, UGGC, UGGC, UXGA, UXGE (Track Guide. Model N° UJGB, UJGD, UGGB, UGGD, UJGA, UJGC, UXGB, UXGF, UGGA, UGGC, UGGC, UXGA,UXGE) | под заказ | 223 руб. |
| 69 | 504152410 | GUIDE *CLIP | под заказ | 140 руб. |
| 70 | 415129529 | Cleat. Model N° UHGA (Cleat. Model N° UHGA) | под заказ | 328 руб. |
| 70 | 504152651 | AGRAFE *CLEAT | под заказ | 610 руб. |
| 70 | 415129529 | Cleat. Model N° USGA, UAGC, UAGD, UAGG, UAGH, USGB, URGA, UWGC, UWGD, UWGG, UWGH, URGB , (Cleat. Model N° USGA, UAGC, UAGD, UAGG, UAGH, USGB, URGA, UWGC, UWGD, UWGG, UWGH, URGB ,) | под заказ | 328 руб. |
| 70 | 504152651 | AGRAFE *CLEAT | под заказ | 610 руб. |
| 70 | 415129529 | Cleat. Model N° BXGA, BXGB, UAGA, UAGB, UAGE, UAGF, UFGA, UFGB, UWGA (Cleat. Model N° BXGA, BXGB, UAGA, UAGB, UAGE, UAGF, UFGA, UFGB, UWGA) | под заказ | 328 руб. |
| 70 | 504152651 | AGRAFE *CLEAT | под заказ | 610 руб. |
| 70 | 415129529 | Cleat. Model N° UMGA, UMGB, UMGF, UMGG, (Cleat. Model N° UMGA, UMGB, UMGF, UMGG,) | под заказ | 328 руб. |
| 70 | 504152651 | AGRAFE *CLEAT | под заказ | 610 руб. |
| 70 | 415129529 | Cleat. Model N° MDGA, MDGB, UMGE, UMGK, (Cleat. Model N° MDGA, MDGB, UMGE, UMGK,) | под заказ | 328 руб. |
| 70 | 504152651 | AGRAFE *CLEAT | под заказ | 610 руб. |
| 70 | 415129529 | Cleat. Model N° UJGB, UJGD, UGGB, UGGD, UJGA, UJGC, UXGB, UXGF, UGGA, UGGC, UGGC, UXGA, UXGE (Cleat. Model N° UJGB, UJGD, UGGB, UGGD, UJGA, UJGC, UXGB, UXGF, UGGA, UGGC, UGGC, UXGA,UXGE) | под заказ | 328 руб. |
| 70 | 504152651 | AGRAFE *CLEAT | под заказ | 610 руб. |
| 71 | 504153418 | Подшипник Корпус (BEARING HOUSING) | под заказ | 1230 руб. |

Время выполнения запроса 6.5584888458252 сек.
|
|