вконтакте

Контактный телефон: +7 (981) 121-46-93, +7 (800) 200-90-76 , Email: parts-katalog@yandex.ru, где купить

 
 

  Логин:

Пароль:

Регистрация

www.partskatalog.ru Все каталоги Запчасти Mercury Запчасти Suzuki Запчасти Tohatsu Запчасти Honda Контакты



УВАЖАЕМЫЕ КЛИЕНТЫ!
C 19 ДЕКАБРЯ 2025 ПО 02 МАРТА 2026 ГОДА ОТДЕЛ ЗАПЧАСТЕЙ И СЕРВИС РАБОТАТЬ НЕ БУДУТ
ПРОДАЖА ЛОДОЧНЫХ МОТОРОВ В ШТАТНОМ РЕЖИМЕ
ОБ ИЗМЕНЕНИЯХ В ГРАФИКЕ РАБОТЫ ЧИТАЙТЕ НА САЙТА




Вернуться к началу выбора


Год выпуска: 2000 год

Семейство снегохода: Touring

Модификация снегохода: Ski-Doo Touring 500 LC, 2000

   Выберите раздел

найти расходники на снегоходы ski-doo


01- Двигатель Sвышеport и Muffler (01- Engine Support And Muffler)

01- Двигатель Sвышеport и Muffler (01- Engine Support And Muffler)

01- Охлаждение System (01- Cooling System)

01- Охлаждение System (01- Cooling System)

01- Картер двигателя, Rotary Клапан, Водяной насос (01- Crankcase, Rotary Valve, Water Pump)

01- Картер двигателя, Rotary Клапан, Водяной насос (01- Crankcase, Rotary Valve, Water Pump)

01- Коленвал и Поршни (01- Crankshaft And Pistons)

01- Коленвал и Поршни (01- Crankshaft And Pistons)

01- Цилиндр, Выхлопной патрубок (01- Cylinder, Exhaust Manifold)

01- Цилиндр, Выхлопной патрубок (01- Cylinder, Exhaust Manifold)

02- Oil Injection System (02- Oil Injection System)

02- Oil Injection System (02- Oil Injection System)

02- Масляный бак и Sвышеport (02- Oil Tank And Support)

02- Масляный бак и Sвышеport (02- Oil Tank And Support)

02- Топливная система (02- Fuel System)

02- Топливная система (02- Fuel System)

02- Air Система впуска System (02- Air Intake System)

02- Air Система впуска System (02- Air Intake System)

02- Карбюраторs (02- Carburetors)

02- Карбюраторs (02- Carburetors)

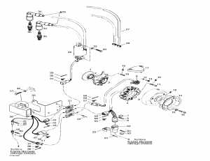
03- Магнето (12v, 220w) (03- Magneto (12v, 220w))

03- Магнето (12v, 220w) (03- Magneto (12v, 220w))

04- Rewind Стартер (04- Rewind Starter)

04- Rewind Стартер (04- Rewind Starter)

04- Электростартер (04- Electric Starter)

04- Электростартер (04- Electric Starter)

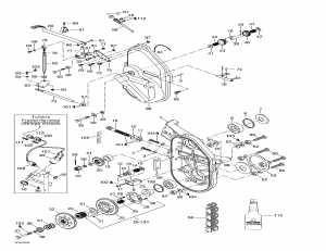
05- Трансмиссия (05- Transmission)

05- Трансмиссия (05- Transmission)

05- Шкив привода (05- Drive Pulley)

05- Шкив привода (05- Drive Pulley)

05- Ведомый шкив (05- Driven Pulley)

05- Ведомый шкив (05- Driven Pulley)

05- Drive Axle и Track (05- Drive Axle And Track)

05- Drive Axle и Track (05- Drive Axle And Track)

06- Hydraulic тормоз и Belt Guard (06- Hydraulic Brake And Belt Guard)

06- Hydraulic тормоз и Belt Guard (06- Hydraulic Brake And Belt Guard)

07- Рулевая система System (07- Steering System)

07- Рулевая система System (07- Steering System)

07- Передняя подвеска и лыжи (07- Front Suspension And Ski)

07- Передняя подвеска и лыжи (07- Front Suspension And Ski)

08- Задняя подвеска (08- Rear Suspension)

08- Задняя подвеска (08- Rear Suspension)

08- Front Рычаг (08- Front Arm)

08- Front Рычаг (08- Front Arm)

08- Rear Рычаг (08- Rear Arm)

08- Rear Рычаг (08- Rear Arm)

09- Седло и Аксессуары (09- Seat And Accessories)

09- Седло и Аксессуары (09- Seat And Accessories)

09- Рама и Аксессуары (09- Frame And Accessories)

09- Рама и Аксессуары (09- Frame And Accessories)

09- Cab, Console (09- Cab, Console)

09- Cab, Console (09- Cab, Console)

09- Наклейки (09- Decals)

09- Наклейки (09- Decals)

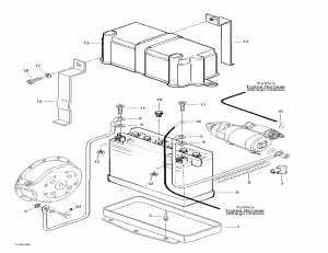
10- Электрика System (10- Electrical System)

10- Электрика System (10- Electrical System)

10- Электрика System (10- Electrical System)

10- Электрика System (10- Electrical System)

 
ski-doo

Время выполнения запроса 0.23236107826233 сек.


 
 

данный сайт носит информационный характер и не является публичной офертой

склад запчастей для водомоторной техники