вконтакте

Контактный телефон: +7 (981) 121-46-93, +7 (800) 200-90-76 , Email: parts-katalog@yandex.ru, где купить

 
 

  Логин:

Пароль:

Регистрация

www.partskatalog.ru Все каталоги Запчасти Mercury Запчасти Suzuki Запчасти Tohatsu Запчасти Honda Контакты



УВАЖАЕМЫЕ КЛИЕНТЫ!
C 19 ДЕКАБРЯ 2025 ПО 02 МАРТА 2026 ГОДА ОТДЕЛ ЗАПЧАСТЕЙ И СЕРВИС РАБОТАТЬ НЕ БУДУТ
ПРОДАЖА ЛОДОЧНЫХ МОТОРОВ В ШТАТНОМ РЕЖИМЕ
ОБ ИЗМЕНЕНИЯХ В ГРАФИКЕ РАБОТЫ ЧИТАЙТЕ НА САЙТА




Вернуться к началу выбора


Год выпуска: 2001 год

Семейство снегохода: Mach Z

Модификация снегохода: Ski-Doo Mach Z, 2001

   Выберите раздел

найти расходники на снегоходы ski-doo


01- Картер двигателя, Язычковый клапан, Водяной насос (01- Crankcase, Reed Valve, Water Pump)

01- Картер двигателя, Язычковый клапан, Водяной насос (01- Crankcase, Reed Valve, Water Pump)

01- Коленвал и Поршни (01- Crankshaft And Pistons)

01- Коленвал и Поршни (01- Crankshaft And Pistons)

01- Цилиндр, Выхлопной патрубок (01- Cylinder, Exhaust Manifold)

01- Цилиндр, Выхлопной патрубок (01- Cylinder, Exhaust Manifold)

01- Двигатель Sвышеport и Muffler (01- Engine Support And Muffler)

01- Двигатель Sвышеport и Muffler (01- Engine Support And Muffler)

01- Охлаждение System (01- Cooling System)

01- Охлаждение System (01- Cooling System)

02- Масляный бак (02- Oil Tank)

02- Масляный бак (02- Oil Tank)

02- Топливная система (02- Fuel System)

02- Топливная система (02- Fuel System)

02- Топливная система 2 (02- Fuel System 2)

02- Топливная система 2 (02- Fuel System 2)

02- Топливная система 3 (02- Fuel System 3)

02- Топливная система 3 (02- Fuel System 3)

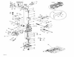
03- Ignition Корпус Масляный насос (03- Ignition Housing Oil Pump)

03- Ignition Корпус Масляный насос (03- Ignition Housing Oil Pump)

03- Магнето (12v, 290w) (03- Magneto (12v, 290w))

03- Магнето (12v, 290w) (03- Magneto (12v, 290w))

03- Магнето (12v, 290w) 2 (03- Magneto (12v, 290w) 2)

03- Магнето (12v, 290w) 2 (03- Magneto (12v, 290w) 2)

04- Rewind Стартер (04- Rewind Starter)

04- Rewind Стартер (04- Rewind Starter)

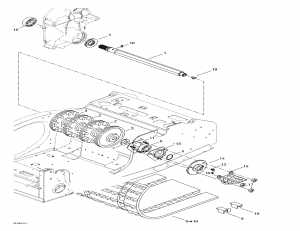
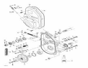
05- Цепьcase (05- Chaincase)

05- Цепьcase (05- Chaincase)

05- Шкив привода (05- Drive Pulley)

05- Шкив привода (05- Drive Pulley)

05- Трансмиссия (05- Transmission)

05- Трансмиссия (05- Transmission)

05- Drive Axle и Track (05- Drive Axle And Track)

05- Drive Axle и Track (05- Drive Axle And Track)

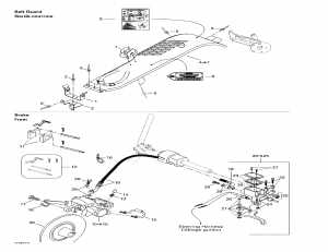
06- Hydraulic тормоз и Belt Guard (06- Hydraulic Brake And Belt Guard)

06- Hydraulic тормоз и Belt Guard (06- Hydraulic Brake And Belt Guard)

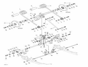
07- Рулевая система System (07- Steering System)

07- Рулевая система System (07- Steering System)

07- Передняя подвеска и лыжи (07- Front Suspension And Ski)

07- Передняя подвеска и лыжи (07- Front Suspension And Ski)

07- Рулевая система System (07- Steering System)

07- Рулевая система System (07- Steering System)

08- Задняя подвеска (08- Rear Suspension)

08- Задняя подвеска (08- Rear Suspension)

08- Front Рычаг (08- Front Arm)

08- Front Рычаг (08- Front Arm)

08- Rear Рычаг (08- Rear Arm)

08- Rear Рычаг (08- Rear Arm)

09- Седло и Аксессуары (09- Seat And Accessories)

09- Седло и Аксессуары (09- Seat And Accessories)

09- Рама и Аксессуары (09- Frame And Accessories)

09- Рама и Аксессуары (09- Frame And Accessories)

09- Нижний поддон (09- Bottom Pan)

09- Нижний поддон (09- Bottom Pan)

09- Cab, Console (09- Cab, Console)

09- Cab, Console (09- Cab, Console)

09- Наклейки (09- Decals)

09- Наклейки (09- Decals)

10- Электрика System (10- Electrical System)

10- Электрика System (10- Electrical System)

ski-doo

Время выполнения запроса 0.33772706985474 сек.


 
 

данный сайт носит информационный характер и не является публичной офертой

склад запчастей для водомоторной техники