вконтакте

Контактный телефон: +7 (981) 121-46-93, +7 (800) 200-90-76 , Email: parts-katalog@yandex.ru, где купить

 
 

  Логин:

Пароль:

Регистрация

www.partskatalog.ru Все каталоги Запчасти Mercury Запчасти Suzuki Запчасти Tohatsu Запчасти Honda Контакты



УВАЖАЕМЫЕ КЛИЕНТЫ!
C 19 ДЕКАБРЯ 2025 ПО 02 МАРТА 2026 ГОДА ОТДЕЛ ЗАПЧАСТЕЙ И СЕРВИС РАБОТАТЬ НЕ БУДУТ
ПРОДАЖА ЛОДОЧНЫХ МОТОРОВ В ШТАТНОМ РЕЖИМЕ
ОБ ИЗМЕНЕНИЯХ В ГРАФИКЕ РАБОТЫ ЧИТАЙТЕ НА САЙТА




Вернуться к началу выбора


Год выпуска: 2003 год

Семейство снегохода: Legend

Модификация снегохода: Ski-Doo Legend SE 800 SDI, 2003

   Выберите раздел

найти расходники на снегоходы ski-doo


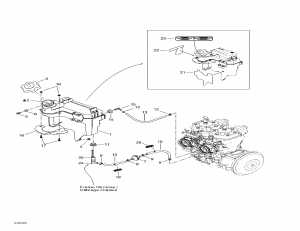
01- Двигатель Sвышеport, Dpm, Дроссель Handle (01- Engine Support, Dpm, Throttle Handle)

01- Двигатель Sвышеport, Dpm, Дроссель Handle (01- Engine Support, Dpm, Throttle Handle)

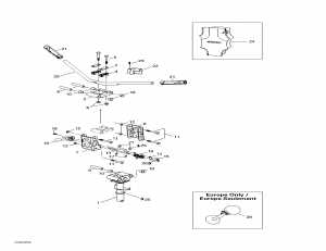
01- Muffler (01- Muffler)

01- Muffler (01- Muffler)

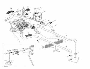
01- Охлаждение System (01- Cooling System)

01- Охлаждение System (01- Cooling System)

01- КривошипКорпус водяного насоса и Масляный насос (01- Crankcase, Water Pump And Oil Pump)

01- КривошипКорпус водяного насоса и Масляный насос (01- Crankcase, Water Pump And Oil Pump)

01- Коленвал и Поршни (01- Crankshaft And Pistons)

01- Коленвал и Поршни (01- Crankshaft And Pistons)

01- Цилиндр, Выхлопной патрубок, Язычковый клапан (01- Cylinder, Exhaust Manifold, Reed Valve)

01- Цилиндр, Выхлопной патрубок, Язычковый клапан (01- Cylinder, Exhaust Manifold, Reed Valve)

02- Дроссель газа (02- Throttle Body)

02- Дроссель газа (02- Throttle Body)

02- Масляный бак (02- Oil Tank)

02- Масляный бак (02- Oil Tank)

02- Топливная система (02- Fuel System)

02- Топливная система (02- Fuel System)

02- Air Система впуска System (02- Air Intake System)

02- Air Система впуска System (02- Air Intake System)

03- Магнето (12v, 480w) (03- Magneto (12v, 480w))

03- Магнето (12v, 480w) (03- Magneto (12v, 480w))

04- Rewind Стартер (04- Rewind Starter)

04- Rewind Стартер (04- Rewind Starter)

04- Электростартер (04- Electric Starter)

04- Электростартер (04- Electric Starter)

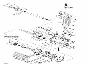
05- Цепьcase и CounterВал (05- Chaincase And Countershaft)

05- Цепьcase и CounterВал (05- Chaincase And Countershaft)

05- Шкив привода (05- Drive Pulley)

05- Шкив привода (05- Drive Pulley)

05- Ведомый шкив (05- Driven Pulley)

05- Ведомый шкив (05- Driven Pulley)

06- Hydraulic тормоз (06- Hydraulic Brake)

06- Hydraulic тормоз (06- Hydraulic Brake)

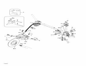
07- Рулевая система System (07- Steering System)

07- Рулевая система System (07- Steering System)

07- Handlebar - Adjustable (07- Handlebar - Adjustable)

07- Handlebar - Adjustable (07- Handlebar - Adjustable)

07- Передняя подвеска и лыжи (07- Front Suspension And Ski)

07- Передняя подвеска и лыжи (07- Front Suspension And Ski)

08- Задняя подвеска (grand TouКольцо) (08- Rear Suspension (grand Touring))

08- Задняя подвеска (grand TouКольцо) (08- Rear Suspension (grand Touring))

08- Задняя подвеска (legend) (08- Rear Suspension (legend))

08- Задняя подвеска (legend) (08- Rear Suspension (legend))

08- Front Рычаг (08- Front Arm)

08- Front Рычаг (08- Front Arm)

08- Rear Рычаг (08- Rear Arm)

08- Rear Рычаг (08- Rear Arm)

08- Rear Shocks (08- Rear Shocks)

08- Rear Shocks (08- Rear Shocks)

08- Air Shock и Compressor, Grand TouКольцо (se-air) (08- Air Shock And Compressor, Grand Touring (se-air))

08- Air Shock и Compressor, Grand TouКольцо (se-air) (08- Air Shock And Compressor, Grand Touring (se-air))

08- Air Shock и Compressor, Legend (se-air) (08- Air Shock And Compressor, Legend (se-air))

08- Air Shock и Compressor, Legend (se-air) (08- Air Shock And Compressor, Legend (se-air))

09- Luggage Rack (09- Luggage Rack)

09- Luggage Rack (09- Luggage Rack)

09- Седло (grand TouКольцо) (09- Seat (grand Touring))

09- Седло (grand TouКольцо) (09- Seat (grand Touring))

09- Седло (legend) (09- Seat (legend))

09- Седло (legend) (09- Seat (legend))

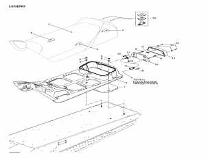
09- Рама и Аксессуары (09- Frame And Accessories)

09- Рама и Аксессуары (09- Frame And Accessories)

09- Hitch (Европа) (09- Hitch (europe))

09- Hitch (Европа) (09- Hitch (europe))

09- Рама (09- Frame)

09- Рама (09- Frame)

09- Нижний поддон (09- Bottom Pan)

09- Нижний поддон (09- Bottom Pan)

09- Cab, Console (09- Cab, Console)

09- Cab, Console (09- Cab, Console)

09- Наклейки (grand TouКольцо) (09- Decals (grand Touring))

09- Наклейки (grand TouКольцо) (09- Decals (grand Touring))

09- Наклейки (legend) (09- Decals (legend))

09- Наклейки (legend) (09- Decals (legend))

10- Электрика System - Hood (10- Electrical System - Hood)

10- Электрика System - Hood (10- Electrical System - Hood)

10- Электрика System - Console (10- Electrical System - Console)

10- Электрика System - Console (10- Electrical System - Console)

10- Battery, Стартер и Аксессуары (10- Battery, Starter And Accessories)

10- Battery, Стартер и Аксессуары (10- Battery, Starter And Accessories)

10- Рулевая система Жгут проводов (10- Steering Harness)

10- Рулевая система Жгут проводов (10- Steering Harness)

10- Рама Жгут проводов, Блок предохранителей (10- Frame Harness, Fuse Box)

10- Рама Жгут проводов, Блок предохранителей (10- Frame Harness, Fuse Box)

10- Двигатель Жгут проводов, Electronic Box, Катушка зажигания (10- Engine Harness, Electronic Box, Ignition Coil)

10- Двигатель Жгут проводов, Electronic Box, Катушка зажигания (10- Engine Harness, Electronic Box, Ignition Coil)

 
ski-doo

Время выполнения запроса 0.33109593391418 сек.


 
 

данный сайт носит информационный характер и не является публичной офертой

склад запчастей для водомоторной техники