вконтакте

Контактный телефон: +7 (981) 121-46-93, +7 (800) 200-90-76 , Email: parts-katalog@yandex.ru, где купить

 
 

  Логин:

Пароль:

Регистрация

www.partskatalog.ru Все каталоги Запчасти Mercury Запчасти Suzuki Запчасти Tohatsu Запчасти Honda Контакты



УВАЖАЕМЫЕ КЛИЕНТЫ!
C 19 ДЕКАБРЯ 2025 ПО 02 МАРТА 2026 ГОДА ОТДЕЛ ЗАПЧАСТЕЙ И СЕРВИС РАБОТАТЬ НЕ БУДУТ
ПРОДАЖА ЛОДОЧНЫХ МОТОРОВ В ШТАТНОМ РЕЖИМЕ
ОБ ИЗМЕНЕНИЯХ В ГРАФИКЕ РАБОТЫ ЧИТАЙТЕ НА САЙТА




Вернуться к началу выбора


Год выпуска: 2003 год

Семейство снегохода: Legend

Модификация снегохода: Ski-Doo Legend 500/600/700, 2003

   Выберите раздел

найти расходники на снегоходы ski-doo


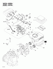
01- КривошипКорпус водяного насоса и Масляный насос (01- Crankcase, Water Pump And Oil Pump)

01- КривошипКорпус водяного насоса и Масляный насос (01- Crankcase, Water Pump And Oil Pump)

01- Коленвал и Поршни (493) (01- Crankshaft And Pistons (493))

01- Коленвал и Поршни (493) (01- Crankshaft And Pistons (493))

01- Коленвал и Поршни (693) (01- Crankshaft And Pistons (693))

01- Коленвал и Поршни (693) (01- Crankshaft And Pistons (693))

01- Цилиндр, Выхлопной патрубок, Язычковый клапан (493 (01- Cylinder, Exhaust Manifold, Reed Valve (493)

01- Цилиндр, Выхлопной патрубок, Язычковый клапан (493 (01- Cylinder, Exhaust Manifold, Reed Valve (493)

01- Цилиндр, Выхлопной патрубок, Язычковый клапан (693) (01- Cylinder, Exhaust Manifold, Reed Valve (693))

01- Цилиндр, Выхлопной патрубок, Язычковый клапан (693) (01- Cylinder, Exhaust Manifold, Reed Valve (693))

01- Двигатель Sвышеport и Muffler (01- Engine Support And Muffler)

01- Двигатель Sвышеport и Muffler (01- Engine Support And Muffler)

01- Охлаждение System (493) (01- Cooling System (493))

01- Охлаждение System (493) (01- Cooling System (493))

01- Охлаждение System (593) (01- Cooling System (593))

01- Охлаждение System (593) (01- Cooling System (593))

02- Масляный бак (02- Oil Tank)

02- Масляный бак (02- Oil Tank)

02- Топливная система (02- Fuel System)

02- Топливная система (02- Fuel System)

02- Air Система впуска System (02- Air Intake System)

02- Air Система впуска System (02- Air Intake System)

02- Air Система впуска System 2 (02- Air Intake System 2)

02- Air Система впуска System 2 (02- Air Intake System 2)

02- Карбюраторs (02- Carburetors)

02- Карбюраторs (02- Carburetors)

03- Магнето (12v, 360w) (03- Magneto (12v, 360w))

03- Магнето (12v, 360w) (03- Magneto (12v, 360w))

03- Ignition (03- Ignition)

03- Ignition (03- Ignition)

04- Электростартер (04- Electric Starter)

04- Электростартер (04- Electric Starter)

04- Rewind Стартер (04- Rewind Starter)

04- Rewind Стартер (04- Rewind Starter)

05- Трансмиссия (05- Transmission)

05- Трансмиссия (05- Transmission)

05- Шкив привода (05- Drive Pulley)

05- Шкив привода (05- Drive Pulley)

05- Ведомый шкив (05- Driven Pulley)

05- Ведомый шкив (05- Driven Pulley)

05- Drive Axle и Track (05- Drive Axle And Track)

05- Drive Axle и Track (05- Drive Axle And Track)

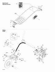
06- Hydraulic тормоз и Belt Guard (06- Hydraulic Brake And Belt Guard)

06- Hydraulic тормоз и Belt Guard (06- Hydraulic Brake And Belt Guard)

07- Рулевая система System (07- Steering System)

07- Рулевая система System (07- Steering System)

07- Handlebar - Adjustable (se) (07- Handlebar - Adjustable (se))

07- Handlebar - Adjustable (se) (07- Handlebar - Adjustable (se))

07- Передняя подвеска и лыжи (07- Front Suspension And Ski)

07- Передняя подвеска и лыжи (07- Front Suspension And Ski)

08- Задняя подвеска (08- Rear Suspension)

08- Задняя подвеска (08- Rear Suspension)

08- Front Рычаг (08- Front Arm)

08- Front Рычаг (08- Front Arm)

08- Rear Shocks (08- Rear Shocks)

08- Rear Shocks (08- Rear Shocks)

08- Air Shock и Compressor (se) (08- Air Shock And Compressor (se))

08- Air Shock и Compressor (se) (08- Air Shock And Compressor (se))

08- Rear Рычаг (08- Rear Arm)

08- Rear Рычаг (08- Rear Arm)

09- Седло и Аксессуары (09- Seat And Accessories)

09- Седло и Аксессуары (09- Seat And Accessories)

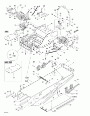
09- Рама и Аксессуары (09- Frame And Accessories)

09- Рама и Аксессуары (09- Frame And Accessories)

09- Нижний поддон (09- Bottom Pan)

09- Нижний поддон (09- Bottom Pan)

09- Cab, Console (09- Cab, Console)

09- Cab, Console (09- Cab, Console)

09- Наклейки (09- Decals)

09- Наклейки (09- Decals)

10- Battery и Стартер (10- Battery And Starter)

10- Battery и Стартер (10- Battery And Starter)

10- Рулевая система Жгут проводов (10- Steering Harness)

10- Рулевая система Жгут проводов (10- Steering Harness)

10- Cab Жгут проводов (10- Cab Harness)

10- Cab Жгут проводов (10- Cab Harness)

10- Console Жгут проводов (10- Console Harness)

10- Console Жгут проводов (10- Console Harness)

10- Рама Жгут проводов (10- Frame Harness)

10- Рама Жгут проводов (10- Frame Harness)

 
ski-doo

Время выполнения запроса 0.35190105438232 сек.


 
 

данный сайт носит информационный характер и не является публичной офертой

склад запчастей для водомоторной техники