вконтакте

Контактный телефон: +7 (981) 121-46-93, +7 (800) 200-90-76 , Email: parts-katalog@yandex.ru, где купить

 
 

  Логин:

Пароль:

Регистрация

www.partskatalog.ru Все каталоги Запчасти Mercury Запчасти Suzuki Запчасти Tohatsu Запчасти Honda Контакты



УВАЖАЕМЫЕ КЛИЕНТЫ!
C 19 ДЕКАБРЯ 2025 ПО 02 МАРТА 2026 ГОДА ОТДЕЛ ЗАПЧАСТЕЙ И СЕРВИС РАБОТАТЬ НЕ БУДУТ
ПРОДАЖА ЛОДОЧНЫХ МОТОРОВ В ШТАТНОМ РЕЖИМЕ
ОБ ИЗМЕНЕНИЯХ В ГРАФИКЕ РАБОТЫ ЧИТАЙТЕ НА САЙТА




Вернуться к началу выбора


Год выпуска: 2006 год

Семейство снегохода: GSX

Модификация снегохода: Ski-Doo GSX 600 HO SDI, 2006

   Выберите раздел

найти расходники на снегоходы ski-doo


00- Model Numbers (00- Model Numbers)

00- Model Numbers (00- Model Numbers)

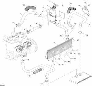
01- Охлаждение System (01- Cooling System)

01- Охлаждение System (01- Cooling System)

01- КривошипКорпус водяного насоса и Масляный насос (01- Crankcase, Water Pump And Oil Pump)

01- КривошипКорпус водяного насоса и Масляный насос (01- Crankcase, Water Pump And Oil Pump)

01- Коленвал и Поршни (01- Crankshaft And Pistons)

01- Коленвал и Поршни (01- Crankshaft And Pistons)

01- Цилиндр и Головка блока цилиндра (01- Cylinder And Cylinder Head)

01- Цилиндр и Головка блока цилиндра (01- Cylinder And Cylinder Head)

01- Двигатель и Двигатель Sвышеport (01- Engine And Engine Support)

01- Двигатель и Двигатель Sвышеport (01- Engine And Engine Support)

01- Выхлопная система (01- Exhaust System)

01- Выхлопная система (01- Exhaust System)

02- Air Глушитель (02- Air Silencer)

02- Air Глушитель (02- Air Silencer)

02- Топливная система (02- Fuel System)

02- Топливная система (02- Fuel System)

02- Oil System (02- Oil System)

02- Oil System (02- Oil System)

02- Дроссель газа (02- Throttle Body)

02- Дроссель газа (02- Throttle Body)

03- Магнето (03- Magneto)

03- Магнето (03- Magneto)

04- Rewind Стартер (04- Rewind Starter)

04- Rewind Стартер (04- Rewind Starter)

05- Drive System (05- Drive System)

05- Drive System (05- Drive System)

05- Шкив System (05- Pulley System)

05- Шкив System (05- Pulley System)

06- Гидравлический тормоз (06- Hydraulic Brakes)

06- Гидравлический тормоз (06- Hydraulic Brakes)

07- Передняя подвеска и лыжи (07- Front Suspension And Ski)

07- Передняя подвеска и лыжи (07- Front Suspension And Ski)

07- Рулевая система System (07- Steering System)

07- Рулевая система System (07- Steering System)

08- Front Рычаг (08- Front Arm)

08- Front Рычаг (08- Front Arm)

08- Rear Рычаг (08- Rear Arm)

08- Rear Рычаг (08- Rear Arm)

08- Задняя подвеска Shocks (08- Rear Suspension Shocks)

08- Задняя подвеска Shocks (08- Rear Suspension Shocks)

08- Задняя подвеска (08- Rear Suspension)

08- Задняя подвеска (08- Rear Suspension)

09- Нижний поддон (09- Bottom Pan)

09- Нижний поддон (09- Bottom Pan)

09- Наклейки Ltd (09- Decals Ltd)

09- Наклейки Ltd (09- Decals Ltd)

09- Наклейки Sport (09- Decals Sport)

09- Наклейки Sport (09- Decals Sport)

09- Рама и Components (09- Frame And Components)

09- Рама и Components (09- Frame And Components)

09- Рама (09- Frame)

09- Рама (09- Frame)

09- Hood (09- Hood)

09- Hood (09- Hood)

09- Luggage Rack (09- Luggage Rack)

09- Luggage Rack (09- Luggage Rack)

09- Седло (09- Seat)

09- Седло (09- Seat)

09- Utilities (09- Utilities)

09- Utilities (09- Utilities)

09- Ветровое стекло и Console (09- Windshield And Console)

09- Ветровое стекло и Console (09- Windshield And Console)

10- Battery и Стартер (10- Battery And Starter)

10- Battery и Стартер (10- Battery And Starter)

10- Электрика Аксессуары 1 (10- Electrical Accessories 1)

10- Электрика Аксессуары 1 (10- Electrical Accessories 1)

10- Электрика Аксессуары 2 (10- Electrical Accessories 2)

10- Электрика Аксессуары 2 (10- Electrical Accessories 2)

10- Двигатель Жгут проводов и Electronic Module (10- Engine Harness And Electronic Module)

10- Двигатель Жгут проводов и Electronic Module (10- Engine Harness And Electronic Module)

10- Рулевая система WiКольцо Жгут проводов (10- Steering Wiring Harness)

10- Рулевая система WiКольцо Жгут проводов (10- Steering Wiring Harness)

10- Электрика - жгут проводов (10- Electrical Harness)

10- Электрика - жгут проводов (10- Electrical Harness)

 
ski-doo

Время выполнения запроса 0.31183409690857 сек.


 
 

данный сайт носит информационный характер и не является публичной офертой

склад запчастей для водомоторной техники