вконтакте

Контактный телефон: +7 (981) 121-46-93, +7 (800) 200-90-76 , Email: parts-katalog@yandex.ru, где купить

 
 

  Логин:

Пароль:

Регистрация

www.partskatalog.ru Все каталоги Запчасти Mercury Запчасти Suzuki Запчасти Tohatsu Запчасти Honda Контакты



УВАЖАЕМЫЕ КЛИЕНТЫ!
C 19 ДЕКАБРЯ 2025 ПО 02 МАРТА 2026 ГОДА ОТДЕЛ ЗАПЧАСТЕЙ И СЕРВИС РАБОТАТЬ НЕ БУДУТ
ПРОДАЖА ЛОДОЧНЫХ МОТОРОВ В ШТАТНОМ РЕЖИМЕ
ОБ ИЗМЕНЕНИЯХ В ГРАФИКЕ РАБОТЫ ЧИТАЙТЕ НА САЙТА




Вернуться к началу выбора


Год выпуска: 2012 год

Семейство снегохода: Freeride

Модификация снегохода: Ski-Doo Freeride 137 & 146 & 154 800RETEC XP, 2012

   Выберите раздел

найти расходники на снегоходы ski-doo


00- Model Numbers (00- Model Numbers)

00- Model Numbers (00- Model Numbers)

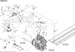
01- Двигатель (01- Engine)

01- Двигатель (01- Engine)

01- Охлаждение System (01- Cooling System)

01- Охлаждение System (01- Cooling System)

01- Выхлопная система (01- Exhaust System)

01- Выхлопная система (01- Exhaust System)

01- Картер двигателя и Водяной насос _freeride (01- Crankcase And Water Pump _freeride)

01- Картер двигателя и Водяной насос _freeride (01- Crankcase And Water Pump _freeride)

01- Коленвал и Поршни (01- Crankshaft And Pistons)

01- Коленвал и Поршни (01- Crankshaft And Pistons)

01- Цилиндр и Injection System _freeride (01- Cylinder And Injection System _freeride)

01- Цилиндр и Injection System _freeride (01- Cylinder And Injection System _freeride)

01- 3d Rave (01- 3d Rave)

01- 3d Rave (01- 3d Rave)

02- Oil System (02- Oil System)

02- Oil System (02- Oil System)

02- Топливная система (02- Fuel System)

02- Топливная система (02- Fuel System)

02- Air Система впуска System (02- Air Intake System)

02- Air Система впуска System (02- Air Intake System)

03- Магнето (03- Magneto)

03- Магнето (03- Magneto)

04- Rewind Стартер (04- Rewind Starter)

04- Rewind Стартер (04- Rewind Starter)

04- Электростартер (04- Electric Starter)

04- Электростартер (04- Electric Starter)

05- Drive System (05- Drive System)

05- Drive System (05- Drive System)

05- Шкив System (05- Pulley System)

05- Шкив System (05- Pulley System)

06- Гидравлический тормоз (06- Hydraulic Brakes)

06- Гидравлический тормоз (06- Hydraulic Brakes)

07- Передняя подвеска и лыжи (07- Front Suspension And Ski)

07- Передняя подвеска и лыжи (07- Front Suspension And Ski)

07- Рулевая система (07- Steering)

07- Рулевая система (07- Steering)

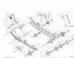
08- Задняя подвеска Front Рычаг и Основание 137' (08- Rear Suspension Front Arm And Base 137')

08- Задняя подвеска Front Рычаг и Основание 137' (08- Rear Suspension Front Arm And Base 137')

08- Задняя подвеска Rear Рычаг, 137 (08- Rear Suspension Rear Arm,137)

08- Задняя подвеска Rear Рычаг, 137 (08- Rear Suspension Rear Arm,137)

08- Задняя подвеска Основание 146, 154, shock (08- Rear Suspension Base 146,154,shock)

08- Задняя подвеска Основание 146, 154, shock (08- Rear Suspension Base 146,154,shock)

08- Задняя подвеска Common Parts 146, 154 (08- Rear Suspension Common Parts 146,154)

08- Задняя подвеска Common Parts 146, 154 (08- Rear Suspension Common Parts 146,154)

09- Седло (09- Seat)

09- Седло (09- Seat)

09- Рама Common Parts (09- Frame Common Parts)

09- Рама Common Parts (09- Frame Common Parts)

09- Рама 137' (09- Frame 137')

09- Рама 137' (09- Frame 137')

09- Рама 146' (09- Frame 146')

09- Рама 146' (09- Frame 146')

09- Рама 154' (09- Frame 154')

09- Рама 154' (09- Frame 154')

09- Hood (09- Hood)

09- Hood (09- Hood)

09- Нижний поддон (09- Bottom Pan)

09- Нижний поддон (09- Bottom Pan)

09- Наклейки (09- Decals)

09- Наклейки (09- Decals)

09- Utilities (09- Utilities)

09- Utilities (09- Utilities)

10- Электрика - жгут проводов (10- Electrical Harness)

10- Электрика - жгут проводов (10- Electrical Harness)

10- Рулевая система WiКольцо Жгут проводов (10- Steering Wiring Harness)

10- Рулевая система WiКольцо Жгут проводов (10- Steering Wiring Harness)

10- Электрика System (10- Electrical System)

10- Электрика System (10- Electrical System)

10- Battery и Стартер (10- Battery And Starter)

10- Battery и Стартер (10- Battery And Starter)

10- Электрика Аксессуары, Рулевая система (10- Electrical Accessories, Steering)

10- Электрика Аксессуары, Рулевая система (10- Electrical Accessories, Steering)

 
ski-doo

Время выполнения запроса 0.62837290763855 сек.


 
 

данный сайт носит информационный характер и не является публичной офертой

склад запчастей для водомоторной техники