вконтакте

Контактный телефон: +7 (981) 121-46-93, +7 (800) 200-90-76 , Email: parts-katalog@yandex.ru, где купить

 
 

  Логин:

Пароль:

Регистрация

www.partskatalog.ru Все каталоги Запчасти Mercury Запчасти Suzuki Запчасти Tohatsu Запчасти Honda Контакты



УВАЖАЕМЫЕ КЛИЕНТЫ!
C 19 ДЕКАБРЯ 2025 ПО 02 МАРТА 2026 ГОДА ОТДЕЛ ЗАПЧАСТЕЙ И СЕРВИС РАБОТАТЬ НЕ БУДУТ
ПРОДАЖА ЛОДОЧНЫХ МОТОРОВ В ШТАТНОМ РЕЖИМЕ
ОБ ИЗМЕНЕНИЯХ В ГРАФИКЕ РАБОТЫ ЧИТАЙТЕ НА САЙТА




Вернуться к началу выбора


Год выпуска: 2014 год

Семейство снегохода: GSX

Модификация снегохода: Ski-Doo GSX SE 12004TEC XR, 2014

   Выберите раздел

найти расходники на снегоходы ski-doo


00- Model Numbers Se (00- Model Numbers Se)

00- Model Numbers Se (00- Model Numbers Se)

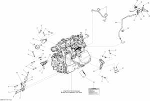
01- Двигатель и Двигатель Sвышеport (01- Engine And Engine Support)

01- Двигатель и Двигатель Sвышеport (01- Engine And Engine Support)

01- Распределительный вал и цепь распредвала (01- Camshafts And Timing Chain)

01- Распределительный вал и цепь распредвала (01- Camshafts And Timing Chain)

01- Коленвал, Поршни и Balance Вал (01- Crankshaft, Pistons And Balance Shaft)

01- Коленвал, Поршни и Balance Вал (01- Crankshaft, Pistons And Balance Shaft)

01- Головка цилиндра и выхлопной патрубок (01- Cylinder Head And Exhaust Manifold)

01- Головка цилиндра и выхлопной патрубок (01- Cylinder Head And Exhaust Manifold)

01- Двигатель Block (01- Engine Block)

01- Двигатель Block (01- Engine Block)

01- Охлаждение двигателя Gsx Se (01- Engine Cooling Gsx Se)

01- Охлаждение двигателя Gsx Se (01- Engine Cooling Gsx Se)

01- Смазка двигателя (01- Engine Lubrication)

01- Смазка двигателя (01- Engine Lubrication)

01- Клапан Крышка (01- Valve Cover)

01- Клапан Крышка (01- Valve Cover)

01- Охлаждение System Se (01- Cooling System Se)

01- Охлаждение System Se (01- Cooling System Se)

01- Выхлопная система (01- Exhaust System)

01- Выхлопная система (01- Exhaust System)

02- Топливная система (02- Fuel System)

02- Топливная система (02- Fuel System)

02- Впускная система и дроссель газа Gsx Se (02- Air Intake Manifold And Throttle Body Gsx Se)

02- Впускная система и дроссель газа Gsx Se (02- Air Intake Manifold And Throttle Body Gsx Se)

02- Air Система впуска System (02- Air Intake System)

02- Air Система впуска System (02- Air Intake System)

03- Магнето и Электростартер (03- Magneto And Electric Starter)

03- Магнето и Электростартер (03- Magneto And Electric Starter)

05- Шкив System (05- Pulley System)

05- Шкив System (05- Pulley System)

05- Drive System (05- Drive System)

05- Drive System (05- Drive System)

06- Гидравлический тормоз (06- Hydraulic Brakes)

06- Гидравлический тормоз (06- Hydraulic Brakes)

07- Передняя подвеска и лыжи (07- Front Suspension And Ski)

07- Передняя подвеска и лыжи (07- Front Suspension And Ski)

07- Рулевая система Se (07- Steering Se)

07- Рулевая система Se (07- Steering Se)

08- Задняя подвеска Se (08- Rear Suspension Se)

08- Задняя подвеска Se (08- Rear Suspension Se)

09- Luggage Rack (09- Luggage Rack)

09- Luggage Rack (09- Luggage Rack)

09- Седло (09- Seat)

09- Седло (09- Seat)

09- Utilities Se (09- Utilities Se)

09- Utilities Se (09- Utilities Se)

09- Нижний поддон (09- Bottom Pan)

09- Нижний поддон (09- Bottom Pan)

09- Рама и Components (09- Frame And Components)

09- Рама и Components (09- Frame And Components)

09- Капот, лобовое стекло и консоль (09- Hood, Windshield And Console)

09- Капот, лобовое стекло и консоль (09- Hood, Windshield And Console)

09- Наклейки Se (09- Decals Se)

09- Наклейки Se (09- Decals Se)

10- Двигатель Жгут проводов и Electronic Module (10- Engine Harness And Electronic Module)

10- Двигатель Жгут проводов и Electronic Module (10- Engine Harness And Electronic Module)

10- Электрика - жгут проводов Main Жгут проводов (10- Electrical Harness Main Harness)

10- Электрика - жгут проводов Main Жгут проводов (10- Electrical Harness Main Harness)

10- Электрика - жгут проводов Reverse (10- Electrical Harness Reverse)

10- Электрика - жгут проводов Reverse (10- Electrical Harness Reverse)

10- Электрика System (10- Electrical System)

10- Электрика System (10- Electrical System)

 
ski-doo

Время выполнения запроса 0.27994799613953 сек.


 
 

данный сайт носит информационный характер и не является публичной офертой

склад запчастей для водомоторной техники