вконтакте

Контактный телефон: +7 (981) 121-46-93, +7 (800) 200-90-76 , Email: parts-katalog@yandex.ru, где купить

 
 

  Логин:

Пароль:

Регистрация

www.partskatalog.ru Все каталоги Запчасти Mercury Запчасти Suzuki Запчасти Tohatsu Запчасти Honda Контакты



УВАЖАЕМЫЕ КЛИЕНТЫ!
C 19 ДЕКАБРЯ 2025 ПО 02 МАРТА 2026 ГОДА ОТДЕЛ ЗАПЧАСТЕЙ И СЕРВИС РАБОТАТЬ НЕ БУДУТ
ПРОДАЖА ЛОДОЧНЫХ МОТОРОВ В ШТАТНОМ РЕЖИМЕ
ОБ ИЗМЕНЕНИЯХ В ГРАФИКЕ РАБОТЫ ЧИТАЙТЕ НА САЙТА




Выбрать другую модель

назад Раздел:   вперёд

вернуться к списку узлов и деталей

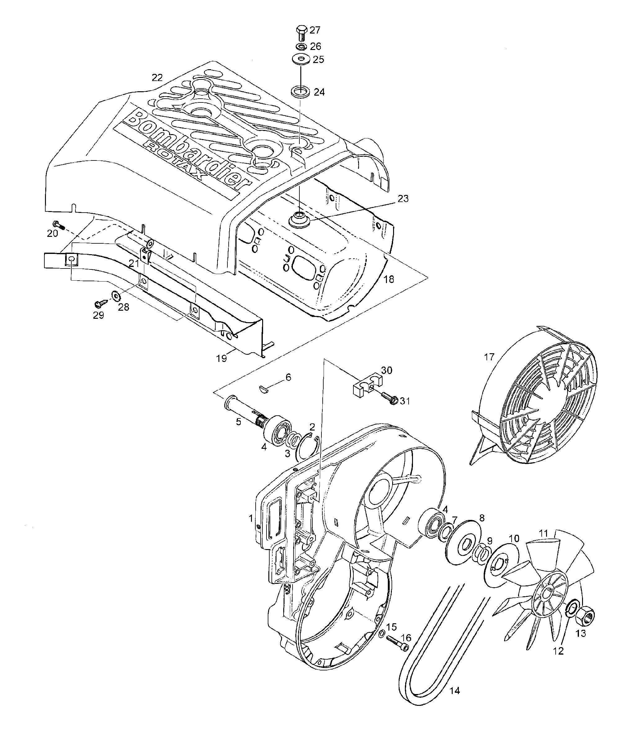
ДЕТАЛИРОВКА ДЛЯ МОДЕЛИ: LYNX Enduro 400 F, 2001


Снегоход lynx  - Топливный бак

Номер на
рисунке
АртикулНаименованиеКол-во
на складе
Цена
15346937

Кронштейн (Bracket)

под заказ780 руб.
25146941

Топливный бак (Fuel tank)

под заказ16650 руб.
340002

Винт M6x40 (Screw M6x40)

под заказ60 руб.
433200

Elastic Фланецd Гайка M6 (Elastic flanged nut M6)

под заказпо запросу
433072

(последний код) NUT-FLANGE HEX. M6 DIN 6927 8.8 YIC

под заказпо запросу
5414872100

Топливный фильтр (Fuel filter)

под заказ1150 руб.
507-241-02

     (не оригинальная запчасть) Фильтр топливный в бак BRP/Polaris 07-241-02

под заказ720 руб.
639048

Fuel line 12.5 / 7.5 (Fuel line 12.5/7.5)

под заказ950 руб.
6513033332

(последний код) BOYAU *HOSE

под заказ1380 руб.
728037

Пыльник (Grommet)

под заказ340 руб.
7

(последний код)

под заказпо запросу
85341709

Angle adapter (Angle adapter)

под заказ980 руб.
8

(последний код)

под заказпо запросу
9414554800

Струбцина (Clamp)

под заказ140 руб.
9414278600

(последний код) BRIDE A RESSORT*CLAMP-SPRING

под заказ110 руб.
1039004

Fuel line 8 / 5 (Fuel line 8/5)

под заказ1500 руб.
10

(последний код)

под заказпо запросу
1128012

Трубопровод (Tubing)

под заказ440 руб.
11605356081

(последний код) Cover Tube (1pac=1M)

под заказ340 руб.
12415018200

Зажим (Clip)

под заказ140 руб.
13403801000

Топливный насос (Fuel pump)

под заказ5230 руб.
1440322

Винт M6x16 (Screw M6x16)

под заказ60 руб.
14

(последний код)

под заказпо запросу
1539001

Fuel line 11 / 6 (Fuel line 11/6)

под заказ900 руб.
15415080200

(последний код) BOYAU POLYURE *POLYURETHANE HOSE

под заказ1150 руб.
1639060

Fuel line 8 / 5, 5 (Fuel line 8/5,5)

под заказ320 руб.
1639039

(последний код) TUBE *TUBE

под заказ340 руб.
17414420700

Струбцина (Clamp)

под заказ140 руб.
1727414420700

(последний код) SPRING CLIP 414420700

под заказ110 руб.
18404153400

Ниппель (Nipple)

под заказ860 руб.
18404159100

(последний код) RACCORD *NIPPLE

под заказ680 руб.
1939035

Шланг 5 / 3 (Hose 5/3)

под заказ190 руб.
20580259400

Топливный бак Колпачок (Fuel tank cap)

под заказпо запросу
20580258900

(последний код) BOUCHON RES.ESS*CAP-FUEL TANK

под заказпо запросу
20SM-07093

     (не оригинальная запчасть) Крышка топливного бака BRP SM-07093

под заказ1 730 руб.
20AT-07559

     (не оригинальная запчасть) Крышка топливного бака универсальная AT-07559

под заказ3 830 руб.
21572015900

Fuel gauge (Fuel gauge)

под заказ1130 руб.
2128572015900

(последний код) FUEL GAUGE

под заказ1040 руб.
22549200

Fuel Наклейки (Fuel label)

под заказпо запросу
23570018000

Корпус gauge (Housing gauge)

под заказ730 руб.
24414379300

Кабели Зажим (Cable clip)

под заказ260 руб.
24414220300

(последний код) PINCE CABLE *CLIP-CABLE

под заказ210 руб.
25415060500

Primer (Primer)

под заказ3850 руб.
25414479200

(последний код) AMORCEUR *VALVE-PRIMER

под заказ2550 руб.
2621062

T-fitting (T-fitting)

под заказпо запросу
265493416

(последний код) T-FITTING, PRIMER

под заказпо запросу
27543230

Струбцина (Clamp)

под заказ500 руб.
2821067

T-fitting (T-fitting)

под заказ260 руб.
281411002

(последний код) RACCORD EN T *FITTING-T

под заказ640 руб.
lynx

 
 

данный сайт носит информационный характер и не является публичной офертой

склад запчастей для водомоторной техники