вконтакте

Контактный телефон: +7 (981) 121-46-93, +7 (800) 200-90-76 , Email: parts-katalog@yandex.ru, где купить

 
 

  Логин:

Пароль:

Регистрация

www.partskatalog.ru Все каталоги Запчасти Mercury Запчасти Suzuki Запчасти Tohatsu Запчасти Honda Контакты



УВАЖАЕМЫЕ КЛИЕНТЫ!
C 19 ДЕКАБРЯ 2025 ПО 02 МАРТА 2026 ГОДА ОТДЕЛ ЗАПЧАСТЕЙ И СЕРВИС РАБОТАТЬ НЕ БУДУТ
ПРОДАЖА ЛОДОЧНЫХ МОТОРОВ В ШТАТНОМ РЕЖИМЕ
ОБ ИЗМЕНЕНИЯХ В ГРАФИКЕ РАБОТЫ ЧИТАЙТЕ НА САЙТА




Выбрать другую модель

назад Раздел:   вперёд

вернуться к списку узлов и деталей

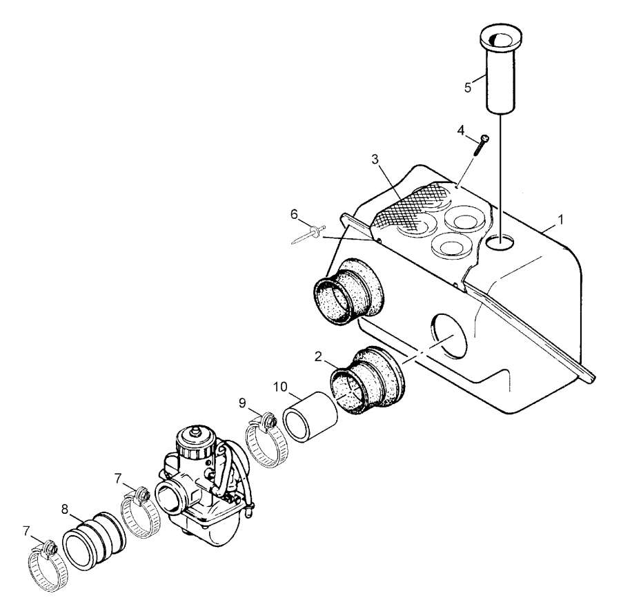
ДЕТАЛИРОВКА ДЛЯ МОДЕЛИ: LYNX Ranger 550, 2004


Снегоход Lynx  - Fan Корпус / Fan Housing

Номер на
рисунке
АртикулНаименованиеКол-во
на складе
Цена
1420912203

Fan Корпус (Fan housing)

под заказ30400 руб.
1420912230

(последний код) LOGEMENT VENT. *HOUSING-FAN

под заказ33200 руб.
2420945880

Стопорное кольцо (Retaining ring)

под заказ310 руб.
2945880

(последний код) LOCK RING (USE420945880)

под заказ140 руб.
3420244585

Регулировочная шайба (Shim)

под заказ130 руб.
3244585

(последний код) VALILEVY 17.5/24/1.0

под заказ140 руб.
4420832161

Подшипник (Bearing)

под заказ1790 руб.
4420832160

(последний код) ROULEMENT BILLE*BALL BEARING

под заказпо запросу
46203DDUC3E NS7S5

     (не оригинальная запчасть) Подшипник 6203DDUC3E (6203DDUC3E NS7S5)

под заказ300 руб.
46203DDUC3E & NS7SX

     (не оригинальная запчасть) Подшипник 6203DDUC3E (6203DDUC3E & NS7SX)

под заказ440 руб.
5420937940

Вал (Shaft)

под заказпо запросу
5937940

(последний код) TUULETTIMEN AKSELI

под заказпо запросу
6420246015

Ключ (Key)

под заказ230 руб.
6420246011

(последний код) CLAVETTE *KEY-WOODRUFF

под заказ140 руб.
7420827650

Distance Гильза (Distance sleeve)

под заказ840 руб.
7827650

(последний код) HYLSY 17,3/28/2,8

под заказ830 руб.
8420980496

Belt disk (Belt disk)

под заказ980 руб.
8980495

(последний код) BELT PLATE (USE 420980495)

под заказ550 руб.
9420827080

Adj.Шайба 0.5 (Adj.washer 0.5)

под заказ290 руб.
9827080

(последний код) TASAUSLEVY 17.5/27/0.5

под заказ230 руб.
9420827082

Adj.Шайба 0.2 (Adj.washer 0.2)

под заказ230 руб.
9827082

(последний код) ADJUSTMENT PLATE 17.7 (K.420827082)

под заказ140 руб.
10420980523

Protection Шайба (Protection washer)

под заказ840 руб.
10420980522

(последний код) RONDELLE PROT. *WASHER-PROTEC.

под заказ470 руб.
11420866294

Fan (Fan)

под заказ6780 руб.
12420945756

Пружинная шайба (Spring washer)

под заказ230 руб.
12945756

(последний код) JOUSIRENGAS (USE 420945756)

под заказ140 руб.
13420942285

Гайка (Nut)

под заказ450 руб.
13942285

(последний код) NUT (USE 420942285)

под заказ410 руб.
14420980550

Клиновидный ремень (V-belt)

под заказ1270 руб.
14420980551

(последний код) COURROIE VENT. *BELT-V

под заказ1980 руб.
15420945751

Пружинная шайба (Spring washer)

под заказ140 руб.
15540802026

(последний код) RONDELLE-FREIN *WASHER-LOCK

под заказ110 руб.
16420440642

Torx-Винт M6 x 30 (Torx-screw M6 x 30)

под заказ40 руб.
17420975900

Крышка вентилятора (Fan cover)

под заказ980 руб.
18420811392

нижний cowl (Выхлоп) (Lower cowl (exhaust))

под заказ13160 руб.
18420811390

(последний код) DEFLECTEUR CYL.*COWL-CYL.

под заказпо запросу
19420811830

нижний cowl (Lower cowl)

под заказпо запросу
20420640321

Taptite Винт M6 x 16 (Taptite screw M6 x 16)

под заказпо запросу
21417300005

SШтифтg Гайка (Sping nut)

под заказ310 руб.
22420811820

верхний case (Upper case)

под заказ15630 руб.
23420827817

Cвыше Шайба (Cup washer)

под заказ980 руб.
24420960865

Rubber Шайба (Rubber washer)

под заказ150 руб.
24960865

(последний код) RUBBER RING (USE 420960865)

под заказ140 руб.
25420227935

Шайба (Washer)

под заказ370 руб.
26420945752

Шайба с блокировкой (Lock washer)

под заказ120 руб.
26402001600

(последний код) RONDELLE-FREIN *WASHER-LOCK#8

под заказ110 руб.
27420440852

Torx-Винт M8 x 16 (Torx-Screw M8 x 16)

под заказ430 руб.
28420926180

Шайба (Washer)

под заказ140 руб.
29417300006

SelfСаморез (Selftapping screw)

под заказ60 руб.
29420841495

(последний код) SCREW-TAPP.PAN HD.SLTD.4,8 X 1

под заказ170 руб.
30420860945

Провод Струбцина (Wire clamp)

под заказ170 руб.
31420841555

Taptite Винт M5 x 20 (Taptite screw M5 x 20)

под заказ130 руб.
31841555

(последний код) SCREW (USE 420841555)

под заказ130 руб.
325247489

выход Duct (Outlet Duct)

под заказ1600 руб.
33509000218

вход duct (Inlet duct)

под заказ2270 руб.
345247592

Сальник (Seal)

под заказ840 руб.
35243141640

Винт (Screw)

под заказпо запросу
35732603009

(последний код) SCREW-PLASTITE HEX.WR.HD.

под заказпо запросу
3640177

Винт B4, 8 x 16 (Screw B4,8 x 16)

под заказ20 руб.
37420841971

Винт 5, 5 x 16 (Screw 5,5 x 16)

под заказ430 руб.
37420841970

(последний код) SCREW-PLASTITE

под заказ340 руб.
lynx

 
 

данный сайт носит информационный характер и не является публичной офертой

склад запчастей для водомоторной техники