вконтакте

Контактный телефон: +7 (981) 121-46-93, +7 (800) 200-90-76 , Email: parts-katalog@yandex.ru, где купить

 
 

  Логин:

Пароль:

Регистрация

www.partskatalog.ru Все каталоги Запчасти Mercury Запчасти Suzuki Запчасти Tohatsu Запчасти Honda Контакты



УВАЖАЕМЫЕ КЛИЕНТЫ!
C 19 ДЕКАБРЯ 2025 ПО 02 МАРТА 2026 ГОДА ОТДЕЛ ЗАПЧАСТЕЙ И СЕРВИС РАБОТАТЬ НЕ БУДУТ
ПРОДАЖА ЛОДОЧНЫХ МОТОРОВ В ШТАТНОМ РЕЖИМЕ
ОБ ИЗМЕНЕНИЯХ В ГРАФИКЕ РАБОТЫ ЧИТАЙТЕ НА САЙТА




Выбрать другую модель

назад Раздел:   вперёд

вернуться к списку узлов и деталей

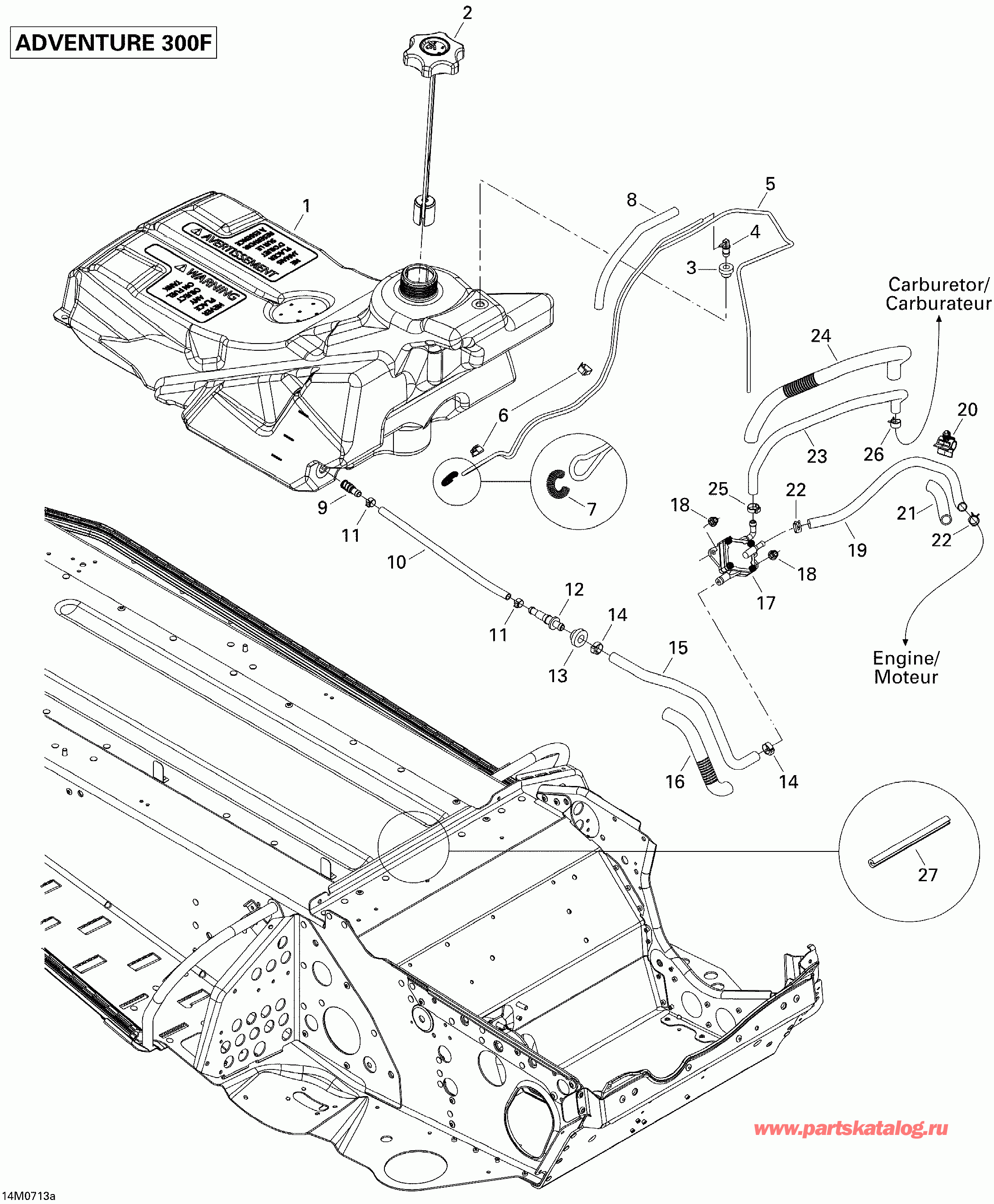
ДЕТАЛИРОВКА ДЛЯ МОДЕЛИ: LYNX Adventure 300F, 2007


Снегоход Lynx  - Fuel System 300f

Номер на
рисунке
АртикулНаименованиеКол-во
на складе
Цена
1 513033179

Топливный бак (Fuel Tank)

под заказ18320 руб.
2 513033361

Топливный бак Колпачок (Fuel Tank Cap)

под заказ4290 руб.
2 513033105

(последний код) BOUCHON RES.ESS*CAP-FUEL TANK

под заказ3970 руб.
3 513032908

Пыльник (Grommet)

под заказ630 руб.
4 414814100

Male Коннектор (Male Connector)

под заказ300 руб.
5 415080100

Line (Line)

под заказ190 руб.
5 420256032

(последний код) CONDUIT D-HUILE*LINE-OIL 560MM

под заказ150 руб.
6 414227300

Зажим (Clip)

под заказ290 руб.
6 414943400

(последний код) PINCE *CLIP

под заказ230 руб.
7 414818200

Пружина (Spring)

под заказ220 руб.
8 415079900

Трубопровод 10 mm (Tubing 10 mm)

под заказ290 руб.
8 710001437

(последний код) GAINE *PROTECTOR TUBE

под заказ230 руб.
9 414872100

Топливный фильтр (Fuel Filter)

под заказ1150 руб.
9 07-241-02

     (не оригинальная запчасть) Фильтр топливный в бак BRP/Polaris 07-241-02

под заказ720 руб.
10 415005700

Шланг (Hose)

под заказ740 руб.
10 414943700

(последний код) BOYAU *HOSE

под заказ550 руб.
11 513033010

Norma Пружина Струбцина (Norma Spring Clamp)

под заказ630 руб.
12 414872700

Male Коннектор (Male Connector)

под заказ140 руб.
13 570273900

Пыльник (Grommet)

под заказ980 руб.
13 707800347

(последний код) PASSE-FILS *GROMMET

под заказ1150 руб.
13 SM-07402

     (не оригинальная запчасть) Втулка топливной системы BRP SM-07402

под заказ140 руб.
14 293650053

Oetiker Струбцина (Oetiker Clamp)

под заказ290 руб.
15 513033027

Шланг (Hose)

под заказпо запросу
16 415080000

Трубопровод 16 mm (Tubing 16 mm)

под заказ720 руб.
16 513033461

(последний код) PROTECTOR TUBE

под заказ560 руб.
17 403901815

Топливный насос (Fuel Pump)

под заказ5850 руб.
18 233261414

Hex Фланецd Elastic Гайка M6 (Hex Flanged Elastic Nut M6)

под заказ290 руб.
18

(последний код)

под заказпо запросу
19 415079800

Шланг 1 / 4" (Hose 1/4")

под заказпо запросу
19 414286700

(последний код) BOYAU *HOSE-RUBBER

под заказпо запросу
20 275500528

Шланг Фиксатор (Hose Retainer)

под заказ400 руб.
21 409901800

Трубопровод 13 mm (Tubing 13 mm)

под заказ110 руб.
21 414612400

(последний код) GAINE *HOUSING

под заказпо запросу
22 414415200

Universal Пружина Струбцина (Universal Spring Clamp)

под заказ140 руб.
22

(последний код)

под заказпо запросу
23 513033022

Шланг 8 mm, Прибор (Hose 8 mm, Meter)

под заказ1150 руб.
23 39049

(последний код) FUEL LINE 8/14.22, BLACK (BBD#513033022)

под заказ900 руб.
24 415080000

Трубопровод 16 mm (Tubing 16 mm)

под заказ720 руб.
24 513033461

(последний код) PROTECTOR TUBE

под заказ560 руб.
25 293650047

Oetiker Струбцина (Oetiker Clamp)

под заказ290 руб.
26 513033029

Пружина Струбцина (Spring Clamp)

под заказ220 руб.
27 509000263

Trim (Trim)

под заказ170 руб.
lynx

 
 

данный сайт носит информационный характер и не является публичной офертой

склад запчастей для водомоторной техники