вконтакте

Контактный телефон: +7 (981) 121-46-93, +7 (800) 200-90-76 , Email: parts-katalog@yandex.ru, где купить

 
 

  Логин:

Пароль:

Регистрация

www.partskatalog.ru Все каталоги Запчасти Mercury Запчасти Suzuki Запчасти Tohatsu Запчасти Honda Контакты



УВАЖАЕМЫЕ КЛИЕНТЫ!
C 19 ДЕКАБРЯ 2025 ПО 02 МАРТА 2026 ГОДА ОТДЕЛ ЗАПЧАСТЕЙ И СЕРВИС РАБОТАТЬ НЕ БУДУТ
ПРОДАЖА ЛОДОЧНЫХ МОТОРОВ В ШТАТНОМ РЕЖИМЕ
ОБ ИЗМЕНЕНИЯХ В ГРАФИКЕ РАБОТЫ ЧИТАЙТЕ НА САЙТА




Выбрать другую модель

Раздел:   вперёд

вернуться к списку узлов и деталей

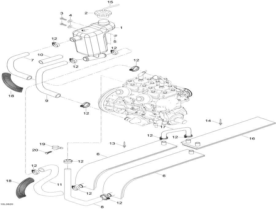
ДЕТАЛИРОВКА ДЛЯ МОДЕЛИ: LYNX YETI TUV 600 HO SDI, 2008


Snow mobile Лункс  - Cooling System / Охлаждение System

Номер на
рисунке
АртикулНаименованиеКол-во
на складе
Цена
1 605152223

Coolant tank (Coolant tank)

под заказ4900 руб.
2 21018

Колпачок (Cap)

под заказ1700 руб.
3 40029

Hex. sacrew M6 x 16 (Hex. sacrew M6 x 16)

под заказ30 руб.
4 20009

Шайба A6.4 (Washer A6.4)

под заказпо запросу
4 542376

(последний код) WASHER

под заказпо запросу
5 33010

Эластичная гайка со стопором M6 (Elastic stop nut M6)

под заказ20 руб.
5 842042

(последний код) LOCKING NUT (USE 33010)

под заказ20 руб.
6 605151690

R.H. Radiator (R.H. Radiator)

под заказ48200 руб.
6 605151689

L.H. Radiator (L.H. Radiator)

под заказ48200 руб.
7 605353969

Шланг (Hose)

под заказ1040 руб.
7 605351619

(последний код) BOYAU *HOSE (RES. -> ENGINE)

под заказ960 руб.
8 605253629

Шланг (Hose)

под заказ1860 руб.
9 605253621

Шланг (Hose)

под заказ380 руб.
10 39062

Isolating Трубопровод (Isolating tubing)

под заказ2160 руб.
11 605353968

Шланг (Hose)

под заказ2660 руб.
12 408800400

Струбцина (Clamp)

под заказ1150 руб.
12 740002006

(последний код) COLLIER SERRAGE*CLAMP-GEAR

под заказ900 руб.
13 36108

Заклёпка (Rivet)

под заказ40 руб.
13

(последний код)

под заказпо запросу
14 36489

Заклёпка (Rivet)

под заказ80 руб.
14

(последний код)

под заказпо запросу
15 39038

Шланг (Hose)

под заказ580 руб.
16 605351687

Radiator, rear (Radiator, rear)

под заказ50100 руб.
17 605253904

Шланг (Hose)

под заказ1370 руб.
18 390003

Трубопровод (Tubing)

под заказ840 руб.
19 27011

Струбцина (Clamp)

под заказ1040 руб.
20 40327

Шестигранный винт M6 x 12 (Hex. screw M6 x 12)

под заказ60 руб.
20 40329

(последний код) HEX SCREW M6 X12 DIN 7500DZNE

под заказ40 руб.
lynx

 
 

данный сайт носит информационный характер и не является публичной офертой

склад запчастей для водомоторной техники