вконтакте

Контактный телефон: +7 (981) 121-46-93, +7 (800) 200-90-76 , Email: parts-katalog@yandex.ru, где купить

 
 

  Логин:

Пароль:

Регистрация

www.partskatalog.ru Все каталоги Запчасти Mercury Запчасти Suzuki Запчасти Tohatsu Запчасти Honda Контакты



УВАЖАЕМЫЕ КЛИЕНТЫ!
C 19 ДЕКАБРЯ 2025 ПО 02 МАРТА 2026 ГОДА ОТДЕЛ ЗАПЧАСТЕЙ И СЕРВИС РАБОТАТЬ НЕ БУДУТ
ПРОДАЖА ЛОДОЧНЫХ МОТОРОВ В ШТАТНОМ РЕЖИМЕ
ОБ ИЗМЕНЕНИЯХ В ГРАФИКЕ РАБОТЫ ЧИТАЙТЕ НА САЙТА




Выбрать другую модель

назад Раздел:   вперёд

вернуться к списку узлов и деталей

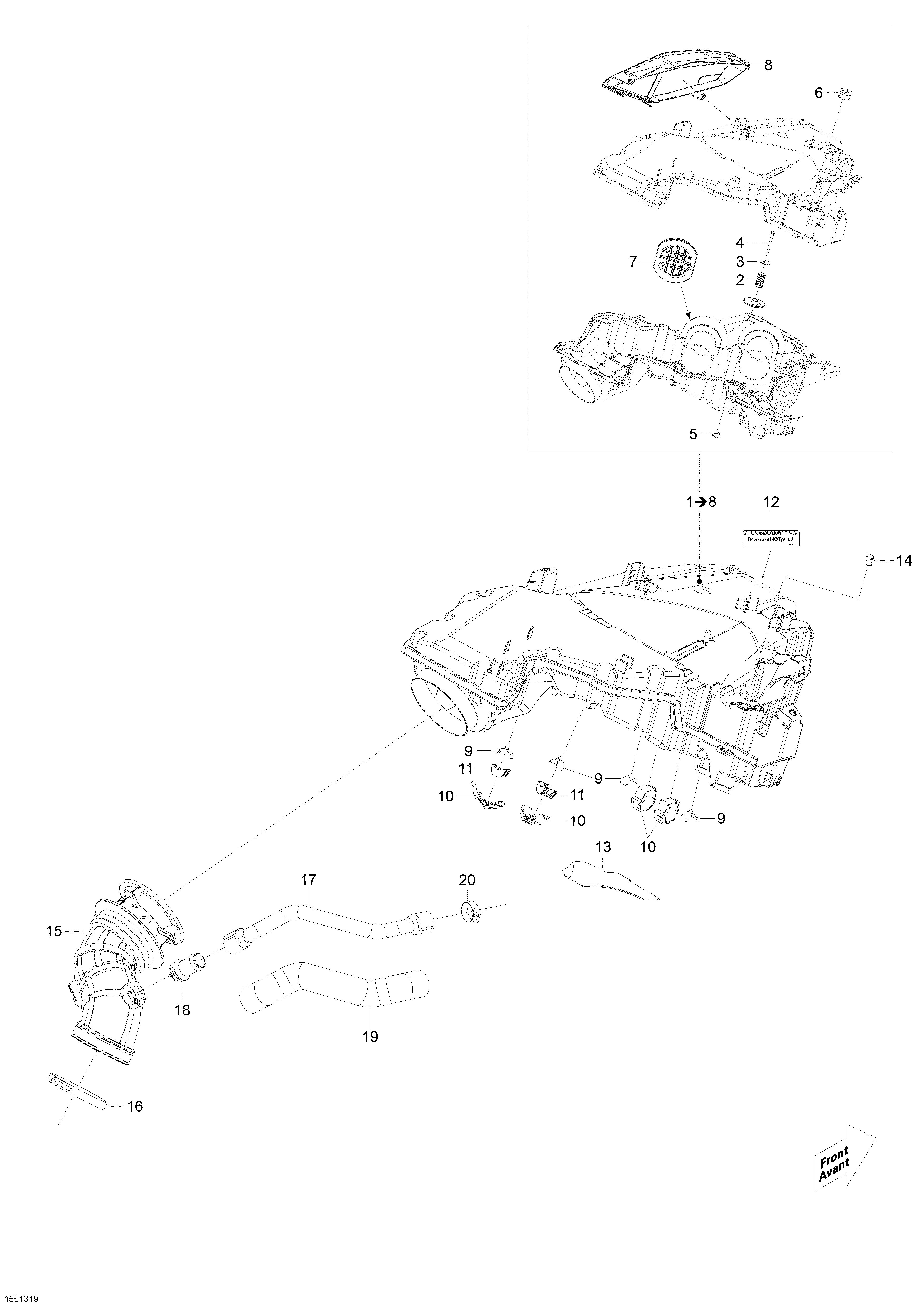
ДЕТАЛИРОВКА ДЛЯ МОДЕЛИ: LYNX 49 Ranger 600 ACE, 2013


Snowmobile Лункс  - Air Intake System - Air Система впуска System

Номер на
рисунке
АртикулНаименованиеКол-во
на складе
Цена
1 508000625

Secondary Chamber в сборе. Includes 1 To 8 (Secondary Chamber Assy. Includes 1 To 8)

под заказ10630 руб.
1 508000608

(последний код) SEC. CHAMBER

под заказ8510 руб.
2 508000576

Пружина (Spring)

под заказ530 руб.
3 224060201

плоский Шайба (Flat Washer)

под заказ280 руб.
3 224060200

(последний код) WASHER-FLAT

под заказ220 руб.
4 205444086

Socket Head Винт M4 x 40 (Socket Head Screw M4 x 40)

под заказ290 руб.
5 232541414

Эластичная гайка со стопором M4 (Elastic Stop Nut M4)

под заказ140 руб.
5 228541045

(последний код) NUT-STOP ELASTIC DIN.985

под заказпо запросу
6 508000574

Пыльник (Grommet)

под заказ530 руб.
7 508000590

Колпачок (Cap)

под заказ1310 руб.
8 508000568

Воздушный фильтр (Air Filter)

под заказ2850 руб.
8 508000497

(последний код) FILTRE A AIR *FILTER-AIR

под заказ2160 руб.
9 508000537

Стопор (Stopper)

под заказ530 руб.
10508000532

Strip Velcro (Strip Velcro)

под заказ740 руб.
10508000820

(последний код) BANDE VELCRO *VELCRO-STRIP

под заказ650 руб.
11508000572

Бампер (Bumper)

под заказ530 руб.
12516004651

Наклейка - осторожно, в сборе, Hot Parts (Caution Decal, Hot Parts)

под заказпо запросу
13508000622

Reflective Sheet (Reflective Sheet)

под заказ670 руб.
14572092900

Колпачок (Cap)

под заказ1500 руб.
15508000717

Air Система впуска Шланг (Air Intake Hose)

под заказ3140 руб.
16293650212

Струбцина (Clamp)

под заказ460 руб.
17508000647

дляmed Vent Шланг (Formed Vent Hose)

под заказ1120 руб.
18273000234

Сапун (Breather)

под заказ1290 руб.
18273000195

(последний код) RENIFLARD *BREATHER

под заказпо запросу
19508000648

Трубка Isolator (Tube Isolator)

под заказ1310 руб.
19508000630

(последний код) MOUSSE ISOLANTE*INSUL. TUBE

под заказ1110 руб.
20293650172

Струбцина (Clamp)

под заказ290 руб.
20293650130

(последний код) BRIDE SERRAGE*HOSE CLAMP

под заказ230 руб.
lynx

 
 

данный сайт носит информационный характер и не является публичной офертой

склад запчастей для водомоторной техники