вконтакте

Контактный телефон: +7 (981) 121-46-93, +7 (800) 200-90-76 , Email: parts-katalog@yandex.ru, где купить

 
 

  Логин:

Пароль:

Регистрация

www.partskatalog.ru Все каталоги Запчасти Mercury Запчасти Suzuki Запчасти Tohatsu Запчасти Honda Контакты



УВАЖАЕМЫЕ КЛИЕНТЫ!
C 19 ДЕКАБРЯ 2025 ПО 02 МАРТА 2026 ГОДА ОТДЕЛ ЗАПЧАСТЕЙ И СЕРВИС РАБОТАТЬ НЕ БУДУТ
ПРОДАЖА ЛОДОЧНЫХ МОТОРОВ В ШТАТНОМ РЕЖИМЕ
ОБ ИЗМЕНЕНИЯХ В ГРАФИКЕ РАБОТЫ ЧИТАЙТЕ НА САЙТА




Выбрать другую модель

назад Раздел:   вперёд

вернуться к списку узлов и деталей

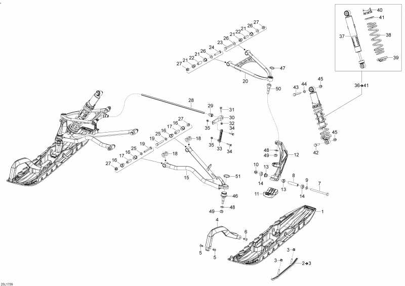
ДЕТАЛИРОВКА ДЛЯ МОДЕЛИ: LYNX 49 Ranger STD, 2017


Snowmobile Lynx  - Front Suspension And Ski,Передняя подвеска и лыжи

Номер на
рисунке
АртикулНаименованиеКол-во
на складе
Цена
1 505073834

чёрный Blade DS Ski (Black Blade DS Ski)

под заказ16350 руб.
2 860201044

Ski Runner Kit. Includes 2 To 3 (Ski Runner Kit. Includes 2 To 3)

под заказ5860 руб.
2 860201042

(последний код) ENS LISSE RONDE 7/16"

под заказпо запросу
2 100302T

     (не оригинальная запчасть) Конек лыжи 1820 BRP (без вставок)

под заказ1 700 руб.
2 A-04-0-4-475

     (не оригинальная запчасть) Конек лыжи BRP (комплект 2шт) A-04-0-4-475

под заказ5 150 руб.
2 100314T

     (не оригинальная запчасть) Конек лыжи снегохода BRP 100314T

под заказ3 150 руб.
3 233281414

Elastic Фланец Гайка M8 (Elastic Flange Nut M8)

под заказ290 руб.
3

(последний код)

под заказпо запросу
4 505073651

Orange Handle (Orange Handle)

под заказ2850 руб.
5 505071812

Фиксатор (Retainer)

под заказ550 руб.
60 руб.
5 860200247

(последний код) ATTACHE *FASTENER KIT

под заказ60 руб.
5 SM-08352

     (не оригинальная запчасть) Крепеж ручки передней лыжи BRP SM-08352

под заказ1 590 руб.
6 505072133

Фиксатор (Retainer)

под заказ650 руб.
6 SM-08352

     (не оригинальная запчасть) Крепеж ручки передней лыжи BRP SM-08352

под заказ1 590 руб.
7 230003044

Hex. Колпачок Винт M10 x 130 (Hex. Cap Screw M10 x 130)

под заказ580 руб.
8 506133300

Ski Axle (Ski Axle)

под заказ910 руб.
8 505072101

(последний код) AXE SKI *SKI AXLE

под заказ540 руб.
8 SM-08351

     (не оригинальная запчасть) Комплект крепежа лыжи BRP SM-08351

под заказ4 140 руб.
9 732900049

Шайба (Washer)

под заказ50 руб.
10233201414

Elastic Фланец Гайка M10 (Elastic Flange Nut M10)

под заказ280 руб.
10228701045

(последний код) NUT-FLANGE ELASTIC DIN.6926

под заказ220 руб.
11505072594

Резиновый демпфер (Rubber Damper)

под заказ1780 руб.
1150 руб.
11SM-08302

     (не оригинальная запчасть) Демпфер (ограничитель хода) лыжи BRP SM-08302

под заказ1 020 руб.
12505073443

LH Ski Leg (LH Ski Leg)

под заказ17680 руб.
12505073444

RH Ski Leg (RH Ski Leg)

под заказ17680 руб.
13505072690

Втулка (Bushing)

под заказ550 руб.
13505072647

(последний код) COUSSINET *CUSHION

под заказпо запросу
13SM-08351

     (не оригинальная запчасть) Комплект крепежа лыжи BRP SM-08351

под заказ4 140 руб.
14505072807

Проставка (Spacer)

под заказ1300 руб.
15505073925

RH нижний Рычаг. Model SS38-40 (RH Lower Arm. Model SS38-40)

под заказ18740 руб.
15505073955

RH нижний Рычаг. Model SS35-37 (RH Lower Arm. Model SS35-37)

под заказ18740 руб.
15505073924

LH нижний Рычаг. Model SS38-40 (LH Lower Arm. Model SS38-40)

под заказ18740 руб.
15505073954

LH нижний Рычаг. Model SS35-37 (LH Lower Arm. Model SS35-37)

под заказ18740 руб.
16505073330

Подушка (Cushion)

под заказ550 руб.
17505072209

Втулка (Bushing)

под заказ740 руб.
18505072634

Wear Пластина (Wear Plate)

под заказ420 руб.
18505072279

(последний код) PLQ. D-USURE *WEAR PLATE

под заказ320 руб.
18SM-08262

     (не оригинальная запчасть) Комплект втулок для нижних рычагов (SM-08256, SM-08257) BRP SM-08262

под заказ2 960 руб.
19250000291

Hex. Колпачок Винт M10 x 70 (Hex. Cap Screw M10 x 70)

под заказ490 руб.
19SM-08262

     (не оригинальная запчасть) Комплект втулок для нижних рычагов (SM-08256, SM-08257) BRP SM-08262

под заказ2 960 руб.
20505073985

LH верхний Рычаг. Model SS38-40 (LH Upper Arm. Model SS38-40)

под заказ12630 руб.
20505073987

LH верхний Рычаг. Model SS35-37 (LH Upper Arm. Model SS35-37)

под заказ12630 руб.
20505073986

RH верхний Рычаг. Model SS38-40 (RH Upper Arm. Model SS38-40)

под заказ12630 руб.
20505073988

RH верхний Рычаг. Model SS35-37 (RH Upper Arm. Model SS35-37)

под заказ12630 руб.
21505073329

Втулка (Bushing)

под заказ550 руб.
22505072143

Втулка (Bushing)

под заказ710 руб.
22SM-08606

     (не оригинальная запчасть) Комплект втулок для верхних рычагов BRP SM-08606

под заказ3 170 руб.
23250000290

Hex. Колпачок Винт M10 x 60 (Hex. Cap Screw M10 x 60)

под заказ580 руб.
23SM-08606

     (не оригинальная запчасть) Комплект втулок для верхних рычагов BRP SM-08606

под заказ3 170 руб.
24250000289

Hex. Колпачок Винт M10 X 50 (Hex. Cap Screw M10 X 50)

под заказ290 руб.
24SM-08606

     (не оригинальная запчасть) Комплект втулок для верхних рычагов BRP SM-08606

под заказ3 170 руб.
25503189564

Шайба (Washer)

под заказ60 руб.
25SM-08092

     (не оригинальная запчасть) Комплект втулок для нижних рычагов (08-466, 08-467) BRP SM-08092

под заказ2 080 руб.
25SM-08262

     (не оригинальная запчасть) Комплект втулок для нижних рычагов (SM-08256, SM-08257) BRP SM-08262

под заказ2 960 руб.
26505072392

Шайба (Washer)

под заказ340 руб.
26SM-08606

     (не оригинальная запчасть) Комплект втулок для верхних рычагов BRP SM-08606

под заказ3 170 руб.
27250100165

Гайка M10 (Nut M10)

под заказ90 руб.
28505072444

Stabilisator. Model SS38-40 (Stabilisator. Model SS38-40)

под заказ4780 руб.
28505072602

Stabilisator. Model SS35-37 (Stabilisator. Model SS35-37)

под заказ5210 руб.
28505072059

(последний код) STABILISATEUR *STABILISATOR

под заказпо запросу
29505072445

Втулка. Model SS38-40 (Bushing. Model SS38-40)

под заказ420 руб.
29505072064

Втулка. Model SS35-37 (Bushing. Model SS35-37)

под заказ170 руб.
30505074050

Stabilisator Рычаг. Model SS38-40 (Stabilisator Lever. Model SS38-40)

под заказ670 руб.
30505074051

Stabilisator Рычаг. Model SS35-37 (Stabilisator Lever. Model SS35-37)

под заказ670 руб.
31207663046

Шестигранный флавцевый винт M6 x 30 (Hex. Flange Screw M6 x 30)

под заказ290 руб.
32233261416

Elastic Фланец Гайка M6 (Elastic Flange Nut M6)

под заказ290 руб.
33505074123

Double Шаровое соединение Соединитель (Double Ball Joint Link)

под заказ3930 руб.
34207663046

Шестигранный флавцевый винт M6 x 30 (Hex. Flange Screw M6 x 30)

под заказ290 руб.
35233261416

Elastic Фланец Гайка M6 (Elastic Flange Nut M6)

под заказ290 руб.
36XXX

Front Shock Ass?y. Includes 36 To 41 (Front Shock Ass?y. Includes 36 To 41)

37505073342

Shock. Model SS38-40 (Shock. Model SS38-40)

под заказ13820 руб.
37505073344

Front Shock. Model SS35-37 (Front Shock. Model SS35-37)

под заказ13820 руб.
38505072882

Пружина (300 мм - 16N / мм) Model SS38-40 (Spring (300mm - 16N/mm). Model SS38-40)

под заказ11030 руб.
38503192286

Пружина (Full Moon) Model SS35-37 (Spring (Full Moon). Model SS35-37)

под заказ7040 руб.
39706200881

Пружина Стопор (Spring Stopper)

под заказ860 руб.
39503191611

(последний код) BUTEE RESSORT *STOPPER-SPRING

под заказ680 руб.
40505073625

Регулятор Cam (Adjuster Cam)

под заказ990 руб.
41503191872

Пружина Направляющая (Spring Guide)

под заказ160 руб.
41517184300

(последний код) GUIDE RESSORT *GUIDE-SPRING

под заказпо запросу
42207005544

Hex. Колпачок Винт M10 x 55 (Hex. Cap Screw M10 x 55)

под заказ290 руб.
42222005565

(последний код) SCREW-HEX.CAP ISO.4014

под заказ230 руб.
43207006544

Hex. Колпачок Винт M10 x 65 (Hex. Cap Screw M10 x 65)

под заказ290 руб.
43222006565

(последний код) SCREW-HEX.CAP ISO.4014

под заказ230 руб.
44503189564

Шайба (Washer)

под заказ60 руб.
44SM-08092

     (не оригинальная запчасть) Комплект втулок для нижних рычагов (08-466, 08-467) BRP SM-08092

под заказ2 080 руб.
44SM-08262

     (не оригинальная запчасть) Комплект втулок для нижних рычагов (SM-08256, SM-08257) BRP SM-08262

под заказ2 960 руб.
45233201414

Elastic Фланец Гайка M10 (Elastic Flange Nut M10)

под заказ280 руб.
45228701045

(последний код) NUT-FLANGE ELASTIC DIN.6926

под заказ220 руб.
46505073636

Шаровое соединение (Ball Joint)

под заказ5900 руб.
3200 руб.
46SM-08162

     (не оригинальная запчасть) Шаровая опора нижнего рычага BRP SM-08162

под заказ2 520 руб.
47293370070

Стопорное кольцо (Circlip)

под заказ540 руб.
48234021410

плоский Шайба (Flat Washer)

под заказ130 руб.
48224021251

(последний код) WASHER-FLAT DIN.125A

под заказ110 руб.
49250100089

Гайка M12 (Nut M12)

под заказ290 руб.
50505072913

Шаровое соединение (Ball Joint)

под заказ4710 руб.
3500 руб.
50SM-08500

     (не оригинальная запчасть) Шаровая опора верхнего рычага BRP SM-08500

под заказ2 530 руб.
51293370035

Стопорное кольцо (Circlip)

под заказ720 руб.
lynx

 
 

данный сайт носит информационный характер и не является публичной офертой

склад запчастей для водомоторной техники