вконтакте

Контактный телефон: +7 (981) 121-46-93, +7 (800) 200-90-76 , Email: parts-katalog@yandex.ru, где купить

 
 

  Логин:

Пароль:

Регистрация

www.partskatalog.ru Все каталоги Запчасти Mercury Запчасти Suzuki Запчасти Tohatsu Запчасти Honda Контакты


запчастиsuzuki

Узнать наличие и цену запчасти:

Вернуться к началу выбора

Поиск модели по серийному номеру


РЕЖИМЫ ПРОСМОТРА

Все узлы и детали

Двигатель

Трансмиссия

Электрика

Внешние части

Дополнительные опции

Тип двигателя: 4x - тактный

Модель двигателя: Suzuki DF140

Модификация Вашего двигателя:   Suzuki DF-140 AZL / AZX (E11 018)
Двигатели с серийным номером после 14003Z-810001
Код модели двигателя: Suzuki DF140A ZL / ZX FROM 14003Z-810001~ (E11) - 2018
Год выпуска двигателя: 2018
Регион: Россия, Европа


Поиск запчастей по коду или названию


   Выберите раздел

найти расходники на лодочные моторы Suzuki

Начните вводить запрос

111A - Cylinder Head (111A - Головка блока цилиндра)

111A - Cylinder Head (111A - Головка блока цилиндра)

113A - Cylinder Block (113A - Блок цилиндра)

113A - Cylinder Block (113A - Блок цилиндра)

116A - Crankshaft (116A - Коленвал)

116A - Crankshaft (116A - Коленвал)

119A - Timing Chain (119A - Распределяющая цепь)

119A - Timing Chain (119A - Распределяющая цепь)

121A - Camshaft (121A - Распределительный вал)

121A - Camshaft (121A - Распределительный вал)

122A - Intake Manifold (122A - Впускной коллектор)

122A - Intake Manifold (122A - Впускной коллектор)

134B - Silencer  (Df115At,Df115Az,Df140At,Df140Az,Df115Ast) (134B - Глушитель (Df115At, Df115Az, Df140At, Df140Az, Df115Ast))

134B - Silencer (Df115At,Df115Az,Df140At,Df140Az,Df115Ast) (134B - Глушитель (Df115At, Df115Az, Df140At, Df140Az, Df115Ast))

136A - Ring Gear Cover (136A - Крышка механизма маховика)

136A - Ring Gear Cover (136A - Крышка механизма маховика)

143A - Fuel Vapor Separator (E11,E03) (143A - Отделитель паров топлива (E11, E03))

143A - Fuel Vapor Separator (E11,E03) (143A - Отделитель паров топлива (E11, E03))

144A - Fuel Injector (E11,E03) (144A - Топливный инжектор (E11, E03))

144A - Fuel Injector (E11,E03) (144A - Топливный инжектор (E11, E03))

146A - Fuel Pump (146A - Топливный насос)

146A - Fuel Pump (146A - Топливный насос)

160A - Water Pump (E11,E03) (160A - Водяной насос (E11, E03))

160A - Water Pump (E11,E03) (160A - Водяной насос (E11, E03))

162B - Thermostat  (Df115At,Df115Az,Df140At,Df140Az) (162B - Термостат (Df115At, Df115Az, Df140At, Df140Az))

162B - Thermostat (Df115At,Df115Az,Df140At,Df140Az) (162B - Термостат (Df115At, Df115Az, Df140At, Df140Az))

163A - Throttle Body (163A - Дроссель газа)

163A - Throttle Body (163A - Дроссель газа)

175A - Oil Pump (175A - Масляный насос)

175A - Oil Pump (175A - Масляный насос)

180B - Oil Pan (Df115At,Df115Az,Df140At,Df140Az) (180B - Масляный поддон (Df115At, Df115Az, Df140At, Df140Az))

180B - Oil Pan (Df115At,Df115Az,Df140At,Df140Az) (180B - Масляный поддон (Df115At, Df115Az, Df140At, Df140Az))

204A - Clutch Shaft (204A - Сцепление Вал)

204A - Clutch Shaft (204A - Сцепление Вал)

210B - Shift Rod (Df115Az,Df140Az) (210B - Переключающая тяга (Df115Az, Df140Az))

210B - Shift Rod (Df115Az,Df140Az) (210B - Переключающая тяга (Df115Az, Df140Az))

220C - Transmission (Df115Az,Df140Az) (220C - Трансмиссия (Df115Az, Df140Az))

220C - Transmission (Df115Az,Df140Az) (220C - Трансмиссия (Df115Az, Df140Az))

301A - Starting Motor (301A - Двигатель электростартера)

301A - Starting Motor (301A - Двигатель электростартера)

303A - Magneto (303A - Магнето)

303A - Magneto (303A - Магнето)

307A - Ignition Coil (307A - Катушка зажигания)

307A - Ignition Coil (307A - Катушка зажигания)

311A - Rectifier (311A - Выпрямитель)

311A - Rectifier (311A - Выпрямитель)

315B - Sensor (Df115At,Df115Az,Df140At,Df140Az,Df115Ast) (315B - Датчик (Df115At, Df115Az, Df140At, Df140Az, Df115Ast))

315B - Sensor (Df115At,Df115Az,Df140At,Df140Az,Df115Ast) (315B - Датчик (Df115At, Df115Az, Df140At, Df140Az, Df115Ast))

322C - Harness (Df140At,Df140Az) (322C - Жгут проводов (Df140At, Df140Az))

322C - Harness (Df140At,Df140Az) (322C - Жгут проводов (Df140At, Df140Az))

326C - Ptt Switch  /  Engine Control Unit (Df140At,Df140Az) (326C - Переключатель гидроподъёма / Блок управления двигателем (Df140At, Df140Az))

326C - Ptt Switch / Engine Control Unit (Df140At,Df140Az) (326C - Переключатель гидроподъёма / Блок управления двигателем (Df140At, Df140Az))

331A - Key Less Start  (Df100At:e11,Df115At:e11,Df140At:e11) (331A - Ключ Less Start (Df100At: e11, Df115At: e11, Df140At: e11))

331A - Key Less Start (Df100At:e11,Df115At:e11,Df140At:e11) (331A - Ключ Less Start (Df100At: e11, Df115At: e11, Df140At: e11))

335E - Clamp Bracket  (Df140At:e11,Df140Az:e11) (335E - Кронштейн транца (Df140At: e11, Df140Az: e11))

335E - Clamp Bracket (Df140At:e11,Df140Az:e11) (335E - Кронштейн транца (Df140At: e11, Df140Az: e11))

336C - Swivel Bracket (Df140At,Df140Az) (336C - Поворотный кронштейн (Df140At, Df140Az))

336C - Swivel Bracket (Df140At,Df140Az) (336C - Поворотный кронштейн (Df140At, Df140Az))

337C - Trim Cylinder  (Df140At:e11,Df140Az:e11,Df115Ast) (337C - Цилиндр трима (Df140At: e11, Df140Az: e11, Df115Ast))

337C - Trim Cylinder (Df140At:e11,Df140Az:e11,Df115Ast) (337C - Цилиндр трима (Df140At: e11, Df140Az: e11, Df115Ast))

340B - Ptt  Motor  (Df140At,Df140Az,Df115Ast) (340B - Двигатель гидроподъёма (Df140At, Df140Az, Df115Ast))

340B - Ptt Motor (Df140At,Df140Az,Df115Ast) (340B - Двигатель гидроподъёма (Df140At, Df140Az, Df115Ast))

401B - Engine Holder  (Df115At,Df115Az,Df140At,Df140Az) (401B - Основание двигателя (Df115At, Df115Az, Df140At, Df140Az))

401B - Engine Holder (Df115At,Df115Az,Df140At,Df140Az) (401B - Основание двигателя (Df115At, Df115Az, Df140At, Df140Az))

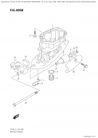
405B - Drive Shaft Housing (Df115At,Df115Az,Df140At,Df140Az) (405B - Корпус вала передачи (Df115At, Df115Az, Df140At, Df140Az))

405B - Drive Shaft Housing (Df115At,Df115Az,Df140At,Df140Az) (405B - Корпус вала передачи (Df115At, Df115Az, Df140At, Df140Az))

407D - Gear Case (Df115Az:e11,Df140Az:e11) (407D - Картер коробки передач (Df115Az: e11, Df140Az: e11))

407D - Gear Case (Df115Az:e11,Df140Az:e11) (407D - Картер коробки передач (Df115Az: e11, Df140Az: e11))

410B - Side Cover  (Df115At,Df115Az,Df140At,Df140Az) (410B - Боковая крышка (Df115At, Df115Az, Df140At, Df140Az))

410B - Side Cover (Df115At,Df115Az,Df140At,Df140Az) (410B - Боковая крышка (Df115At, Df115Az, Df140At, Df140Az))

420D - Engine Cover  (Df140At:e11,Df140Az:e11) (420D - Крышка двигателя (капот) (Df140At: e11, Df140Az: e11))

420D - Engine Cover (Df140At:e11,Df140Az:e11) (420D - Крышка двигателя (капот) (Df140At: e11, Df140Az: e11))

432A - Fuel Tank (E40) (432A - Топливный бак (E40))

432A - Fuel Tank (E40) (432A - Топливный бак (E40))

442A - Drag Link (442A - Переключающая тяга)

442A - Drag Link (442A - Переключающая тяга)

460A - Meter (E11) (460A - Прибор (E11))

460A - Meter (E11) (460A - Прибор (E11))

475A - Squeeze Pump (E11) (475A - Ручная сжимная помпа (E11))

475A - Squeeze Pump (E11) (475A - Ручная сжимная помпа (E11))

501A - Opt:meter (E11) (501A - Опции: приборы (E11))

501A - Opt:meter (E11) (501A - Опции: приборы (E11))

507A - Opt:water  Pressure Gauge Sub Kit (507A - Опции: Комплект прибора изменения давления воды)

507A - Opt:water Pressure Gauge Sub Kit (507A - Опции: Комплект прибора изменения давления воды)

508A - Opt:remote Control (E40) (508A - Опции: дистанционное управление (E40))

508A - Opt:remote Control (E40) (508A - Опции: дистанционное управление (E40))

509A - Opt:remote Control (1) (E11) (509A - Опции: дистанционное управление (1) (E11))

509A - Opt:remote Control (1) (E11) (509A - Опции: дистанционное управление (1) (E11))

510A - Opt:remote Control (2) (E11) (510A - Опции: дистанционное управление (2) (E11))

510A - Opt:remote Control (2) (E11) (510A - Опции: дистанционное управление (2) (E11))

517A - Opt:concealed Remocon (1) (E11,E03) (517A - Опции: дистанционное управление, скрытая установка (1) (E11, E03))

517A - Opt:concealed Remocon (1) (E11,E03) (517A - Опции: дистанционное управление, скрытая установка (1) (E11, E03))

518A - Opt:concealed Remocon (2)  (E11,E03) (518A - Опции: дистанционное управление, скрытая установка (2) (E11, E03))

518A - Opt:concealed Remocon (2) (E11,E03) (518A - Опции: дистанционное управление, скрытая установка (2) (E11, E03))

521A - Opt:harness (521A - Опции: жгут проводов)

521A - Opt:harness (521A - Опции: жгут проводов)

530A - Opt:switch (530A - Опции: переключатели)

530A - Opt:switch (530A - Опции: переключатели)

535A - Opt:key Less Start (E11,E03) (535A - Опции: Ключ Less Start (E11, E03))

535A - Opt:key Less Start (E11,E03) (535A - Опции: Ключ Less Start (E11, E03))

541A - Opt:remote Control Assy Dual (1) (541A - Опции: дистанционное управление в сборе Dual (1))

541A - Opt:remote Control Assy Dual (1) (541A - Опции: дистанционное управление в сборе Dual (1))

542A - Opt:remote Control Assy Dual (2) (542A - Опции: дистанционное управление в сборе Dual (2))

542A - Opt:remote Control Assy Dual (2) (542A - Опции: дистанционное управление в сборе Dual (2))

544A - Opt:remote Control Assy  Single  (1) (544A - Дистанционное управление в сборе, одинарное (1))

544A - Opt:remote Control Assy Single (1) (544A - Дистанционное управление в сборе, одинарное (1))

545A - Opt:remote Control Assy  Single  (2) (545A - Дистанционное управление в сборе, одинарное (2))

545A - Opt:remote Control Assy Single (2) (545A - Дистанционное управление в сборе, одинарное (2))

570A - Opt:tiller  Handle (Df100At,Df115At,Df115Az) (570A - Опции: Румпель (Df100At, Df115At, Df115Az))

570A - Opt:tiller Handle (Df100At,Df115At,Df115Az) (570A - Опции: Румпель (Df100At, Df115At, Df115Az))

585A - Opt:gasket Set (585A - Опции: комплект прокладок)

585A - Opt:gasket Set (585A - Опции: комплект прокладок)

601A - Opt:multi Function Gauge (1) (601A - Опции: multi Function Gauge (1))

601A - Opt:multi Function Gauge (1) (601A - Опции: multi Function Gauge (1))

602A - Opt:multi Function Gauge (2) (602A - Опции: multi Function Gauge (2))

602A - Opt:multi Function Gauge (2) (602A - Опции: multi Function Gauge (2))




 
 

данный сайт носит информационный характер и не является публичной офертой

склад запчастей для водомоторной техники